Aller au contenu

VicVicVic

Membres
  • Compteur de contenus

    8
  • Inscrit(e) le

  • Dernière visite

Visiteurs récents du profil

Le bloc de visiteurs récents est désactivé et il n’est pas visible pour les autres utilisateurs.

Récompenses de VicVicVic

Rookie

Rookie (2/14)

  • First Post
  • Week One Done
  • One Month Later

Badges récents

0

Réputation sur la communauté

  1. sorry forget to anwer! yes, 2209 are better, and they also should be working. But i had 2 2208 and also i can order it separatly (only chips) so i thought that this is a good idea. And i'm from russia )
  2. I will! It's only the first 2208, going to replace 2 more... waiting it from china
  3. Hi! Thanks! I did it! Mostly because of your schematics! Spoiler, you can flash bootloader with build-in UART! Just doing some soldering (3.3v to BOOT0). Also 2208 is working... all was correct, i just short something acidently By the way! Where did you get schematics? Longer support refuse to share it. But they shared bootloader! bootloader for LKx.zip
  4. Do you happen to have a bootloader or full firmware from STM32F103VET6 from u30 ? )
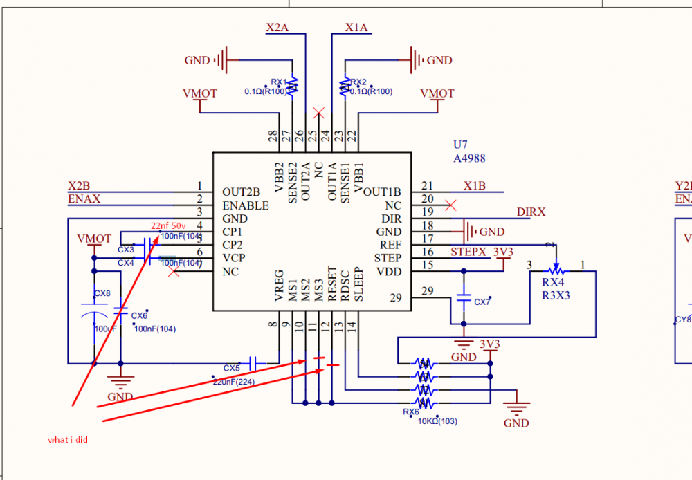
  5. Hi Hobi! Sorry for my english here I did try to replace drive X with 2208 by cutting 11 and 12 legs and replacing 100nF capacitor with 22nF 50v. But it died with agony What else should i do? Or i shouldn't replace only one driver? I see your board is for 2 drivers. ______________________________ Update! I was wrong. Looks like i just short something during my first attempt. Second attepmt was fine... So it was easy.. but i better test all legs together on shots before connecting it to power. But now its working always backwards I think STM32F103VET6 is damaged. Guys, is it possible that after replacing 4988 with 2208 - it works allways in one dir... so marlin has to be changed? (don't think so)
  6. Can you share your thoughts about it? I've read that 2208 comparing to 4988 don't need lags 11 and 12 to be connected and capacitor should be changed to 22uf (https://www.reddit.com/r/3Dprinting/comments/bgrg63/reworking_creality_ender_3_v113_board_with/) So thats what i did. What do you think else should be done?
  7. Looks like i misunderstood you method a bit. Did you ever replace 4988 with 2208 on the board (like guys doing for ender3) or pcb board only?
  8. Hi Hobi! Sorry for my english here I did try to replace drive X with 2208 by cutting 11 and 12 legs and replacing 100nF capacitor with 22nF 50v. But it died with agony What else should i do? Or i shouldn't replace only one driver? I see your board is for 2 drivers.
×
×
  • Créer...