Aller au contenu

Messages recommandés

Posté(e) (modifié)

Tiens, mais qu'est-ce que c'est que cette pièce : le Heatbreak ?

Il s'agit de l'embout final de la tête d'impression (la hotend) qui reçoit la chaleur qui fait fondre le filament et ensuite le dépose sur la pièce en cours d'impression.

Dans le cas de la Tornado, il s'agit de 2 pièces serrées l'une contre l'autre.

Le problème de cette configuration est qu'il peut arriver un bouchage de la heatbreak. Cela m'est arrivé en imprimant du PTEG et en voulant supprimer le "stringing" (petits filaments).

En mettant une distance de rétractation trop grande, j'ai bouché la tête ... 

J'ai donc cherché une évolution qui réduise fortement ce genre de désagrément. Et j'ai trouvé une pièce en 1 seul morceau !

Avant de décrire cela, quelques fondamentaux à retenir (avec le heatbreak d'origine) :

   - ne pas dépasser 9mm de distance de rétractation,

   - ne pas dépasser 250°C de chauffe de la tête car le tube en PTFE (Téflon) où circule le filament ne supporte pas plus de 250°C,

   - le tube en PTFE doit être enfoncer tout au bout du heatbreak afin de ne pas laisser de "jeu" où la matière fondue ferait une boule/déborderait.

image.png.7f0e1f5453668345d5046bdafeb98303.png

image.png.c3d7ab67f51821a458919d29fca00b88.png

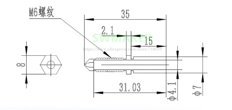
On peut trouver cette pièce ici : Heatbreak pour filament 1.75mm (livré en 4 exemplaires).

image.png.97845734da0b1614dc11d81290fd3855.png

Et pour comparer avec les pièces d'origine :

image.png.1bb88a1753bb74bc3245c90b23a4439b.png

Cela donne cela une fois monté :

image.png.80c420aaa9c7f6052658ff156b8d92d3.png

Voilà.

Modifié (le) par Temete
  • 3 weeks later...
Posté(e)

Bon,

Un petit retour sur les tests avec ce Heatbreak.

La tête sort trop du bloc de chauffe, ce qui fait refroidir le filament trop rapidement : cela bouche rapidement la tête.

J'ai ajouté des rondelles afin de faire descendre le bloc de chauffe, mais le résultat n'est pas terrible non plus.

Ce qui paraissait une bonne idée, au final, ne l'est pas :(.

Créer un compte ou se connecter pour commenter

Vous devez être membre afin de pouvoir déposer un commentaire

Créer un compte

Créez un compte sur notre communauté. C’est facile !

Créer un nouveau compte

Se connecter

Vous avez déjà un compte ? Connectez-vous ici.

Connectez-vous maintenant
  • Sur cette page :   0 membre est en ligne

    • Aucun utilisateur enregistré regarde cette page.
  • YouTube / Les Imprimantes 3D .fr

×
×
  • Créer...