Aller au contenu

Messages recommandés

Posté(e)

Etant tombé par hasard des recommandations de facebook sur un groupe anglo-saxon, j'ai lu un post concernant l'usage de TL-smoother (qu'Ali express me traduit par TL plus lisse vous l'aurez compris). >> Bigtreetech-10PCS-New-TL-Smoother-V1-0-addon-module-For-3D-pinter-motor-drivers

Je voulais savoir si vous avez des retours par rapport à ça. Quel est réellement l'intérêt d'un tel zinzin. Est-ce plus silencieux (ça revient parfois dans les commentaires) ? Est-ce que ça rend certains déplacement de tête moins brusques/violent ?

A vous les studios !

Posté(e)

Comme je suis un âne bâté, 'ai oublié le premier précepte : "sur le forum plus largement tu chercheras avant de créer des doublons de sujets".

Du coup, le sujet existe déjà ici : 

 

Cependant, ma question reste valable dans le cas précis de nos I3 Mega. Quelqu'un a-t-il passé le pas avec ce type de matos ?

Posté(e)

Aucune idée mais je vous dans ma bobine d'abus magique que tu va en commander et nous faire un retour prochainement :D

Posté(e)

Ca me tente très fort, surtout pour le prix.

Pour le bientôt, ça risque de prendre un petit moment, car je n'en vois que chez Ali (donc minimum 2 semaines).

Reste une inconnue : combien en prendre ?

Pour moi, il en faut pour les axes X et Y mais pas forcément pour le Z qui est rarement soumis aux mêmes problèmes, non ?

Donc, c'est 2 ou 4 selon vous ? (Il me semble qu'il n'y a qu'un moteur pour X et un pour Y, mais 2 pour le Z).

Posté(e)

Bon, en même temps, si Amazon n'en vend pas il reste la possibilité d'en faire soi-même.
En regardant sur Ali on voit le montage suivant : TL-Smoother.jpg.8abcd84acb22d969b940ec0ca9d4e424.jpg

 

Et chez amazon ils vendent ça : https://www.amazon.fr/1N5404-coaxial-Diodes-redresseuses-silicone/dp/B0087ZT8Q2/ref=sr_1_1?ie=UTF8&qid=1493718900&sr=8-1&keywords=1N5404

Le problème c'est qu'en gros, même en voulant en mettre partout, avec 4 diodes par moteur, et un maximum de 5 moteurs (oui, je déconne, je n'en mettrais pas sur le moteur du filament), donc 4 moteurs, ça nous fait un max de 16 diodes. Mais bon, ça arrive bien plus vite et puis je connais un gars qui se fera un plaisir de faire une petite boîte pour les mettre dedans bien proprement.
A la rigueur, j'aurai préféré mettre des connecteurs, mais là j'ai pas trouvé où les acheter. Si quelqu'un sait ...

Posté(e)

Comme nous avons un deuxième post sur le sujet, je me suis tâté et puis je me suis dit que j'allais continuer ici.

L'autre est ici : 

 

Par contre, il y est fait mention d'un essai qui n'a pas l'air concluant.
Comme c'est lié au driver, ceci explique peut-être cela.

A voir.

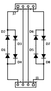
Entre temps, du coup, je suis allé voir un peu partout pour mieux comprendre et je suis tombé sur la source de ce module : http://www.engineerination.com/2015/02/drv8825-missing-steps.html

C'est lui qui semble-t-il, avec ses mesures et observations a conçu le circuit, qui pour le coup est un peu différent :
 DRV8825-fix.png.be338ac14216875a29bfe9eed48a0d2e.png

Du coup, c'est 8 diodes par moteur au lieu de 4, mais comme j'ai déjà lancé la commande pour les 50 diodes, je suis tranquille.
Je les reçois demain. Demain soir, elles seront soudées. Disons que d'ici à ce week-end, ça devrait être en place et testé !
 

Il y a 23 heures, db42 a dit :

Aucune idée mais je vous dans ma bobine d'abus magique que tu va en commander et nous faire un retour prochainement :D

Je crois bien que ta bobine d'abus magique marche à merveille ! B|

Posté(e)

J'avais pas vu ma faute c'était d'abs et pas abus :$

Posté(e)

Dans la foulée, histoire d'être prêt quand me diodes arriveront, j'ai créé un petit boîtier pour faire propre.
Et là, je me suis dit que j'allais le publier sur Thingiverse, et là paf, il faut attendre 24h avant de publier (vu que je ne m'étais pas créé de compte avant).
Ça m'apprendra a passer en touriste sur ce genre de site. En même temps, je ne m'attendais pas à publier tout court, mais soyons fou !

La suite demain donc ... B|

Posté(e)

Je pensait pas que le retour serait si rapide. :P

Posté(e)

perso , je vais en commander , pour 10 balles , c'est pas un gros risque

Posté(e)

Petit point d'avancement sur le sujet.

 

Reste à ouvrir la bête, couper deux câbles sur 4 (les bons de préférence) et refermer et tester le tout.

En théorie, ça doit donner un truc du genre : 

590c395455238_TL-Smoother-entheorie.jpg.82f64d36feb3d5e77d6cc80a534b8bf6.jpg

La suite ce week-end, à priori.

  • J'aime 2
Posté(e)

j'ai une question,les moteur on 6 pins hors les module en ont  4 ou c'est seulement chez moi.

Posté(e)

Pas dur pour couper les câbles. Le fil rouge sur le bouton rouge...

Posté(e)
il y a une heure, db42 a dit :

Pas dur pour couper les câbles. Le fil rouge sur le bouton rouge...

c'est sur en coupant les cables .

 

mes si on les achète c'est moins marrant de ce retrouver avec 4pins au lieux de 6

Posté(e)

Quand tu l'achètes, en général, il y a un cable 4 pin - 4 pin fourni avec (mais pas toujours alors attention).

Du coup, tu débranches le cables 4pin-6pin existant côté driver, tu le rebranches sur la sortie du module.

Puis, tu branches le cables 4pin - 4 pin entre le driver et le module.

Posté(e)

Après ce week-end assez rempli, mais aussi plus long que d'habitude, un petit retour sur les opérations :

Nous en étions à la préparation des modules :
591179d5f13ce_P_20170504_223145_vHDR_On(1).jpg.822cf37b660fe118786ace9a8512bf72.jpg
8 diodes / par module ; 4 diodes par bobine ... (voir plus haut).

Une fois que c'est fait, hop, on débranche l'imprimante, on s'assure que les condo sont bien déchargés, sinon, ça pique ! :D

On met gentiment l'imprimante sur le flan.
On libère la barre inférieur passe câble (1 vis de chaque côté):
P_20170506_221424_vHDR_On.thumb.jpg.bd6e15086c8ae6e4f2922c71e866f2d9.jpgP_20170506_221434_vHDR_On.thumb.jpg.b12f6c6222520919194b53bf1f4aca65.jpg
On retire les vis qui maintiennent la plaque du fond (aux extrémités et au milieu de la longueur)

P_20170506_221630_vHDR_On.thumb.jpg.df48a9351862fcab8f5c0b45a8843b29.jpg
L'accès à la carte Trigorilla est enfin possible. On constate d'ailleurs, comme l'avais déjà mentionné slayer-fr que la plaque n'a pas d'ouïe en face du ventilo situé au dessus des drivers. Bien penser en la remettant à la tourner de 180° pour corriger ce "défaut".
Pour accéder aux câbles des steppers, on doit libérer le ventilo.
Deux vis à retirer sur la partie située sous le plateau d'impression (pousser le plateau jusqu'en fin de course Y).
P_20170506_222011_vHDR_On.jpg.e3cf54c8b1801df9c698867fe95498ff.jpgP_20170506_222033_vHDR_On.jpg.b71314c7b6a72736534106081386dc8a.jpg
Une fois le ventilo écarté (inutile de débrancher le câble du ventilo)

On peut enfin accéder aux câbles des steppers :
P_20170506_222302_vHDR_On.jpg.58b0a2ea4ce430c4e6a85c7899e8578b.jpgP_20170506_222307_vHDR_On.jpg.48c626f727c995bbc3d3747e22ce3657.jpg
Ici, on peut voir que j'ai déjà retiré le câble pour le X (Côté trigorilla et côté petite plaquette située le long du châssis).
C'est un câble 4pins - 4pins.
On peut alors intégrer notre module sur ce câble :
P_20170506_223357_vHDR_On.jpg.4e77ca9489c88d9bc6bb675b759e4e92.jpgP_20170506_223414_1_vHDR_On.jpg.b08620bdce4dea7ad81a8f22b8bd6cc9.jpgP_20170506_224556_vHDR_On.jpg.7ccd8a4f27ad94570e86ff7ba29f17f5.jpg
On referme le boîtier, on assure un peu le câble avec du scotch d'électricien (ça c'est parce que j'ai un peu trop décollé les différents fils du câble) et on colle le boîtier au fond du châssis avec du scotch double-face pour les miroirs (ils sont plus épais et sont plus à même de continuer de coller même si le support n'est pas super plat).
P_20170506_231317_vHDR_On.jpg.69f4fd90d97292ff5d964f1d083823cb.jpg
On rebranche les câbles et on passe au Y.
P_20170506_231321_vHDR_On.jpg.576e218eece620f41bbe5b23f6e7e2a8.jpg
P_20170506_222351_vHDR_On.jpg.da82dec98f11b2e73535b7676b1a88b2.jpg
C'est un câble 4pins-6 pins(côté moteur), mais on procède de la même façon que pour le module X.
Ce qui donne, une fois le module intégré, collé, et les câbles rebranchés :
P_20170506_232259_vHDR_On.jpg.75fde09d74cef70f8de8dd80aaac38cd.jpg
Voilà !

Pour ma part, je n'avais pas imprimé de boîtier pour les deux Z. Du coup, je me suis arrêté là.
J'ai testé sans remettre la plaque (mais en remettant le ventilo) si tout marchait encore (déplacement des axes X et Y avec le menu).
Pas de problème ! Donc j'ai remis la plaque (et la barre) en place et j'ai envoyé une petite impression. Nickel !


En conclusion :

C'est assez rapide à faire, et franchement pas cher.
Par contre, comme je suis un gros vilain, je n'avais pas fait d'impression de test avant, donc forcément, pas de moyen de comparaison.
J'ai l'impression que c'est plus silencieux sur les déplacements rapides, mais une fois encore, une impression n'est pas une prise de mesure et comme j'ai procédé dans le même temps au changement du ventilo d'extrudeur, ça fausse aussi un peu les choses.
L'autre avantage que j'y vois est une meilleure connaissance de la bête, mais j'aurai pu le faire juste en ouvrant et en regardant de plus près.
D'ailleurs, je vais refaire un tour la dessous, car je ne suis pas du tout satisfait de ventilo sur les steppers (trop bruyant à mon goût et surement peu efficace vu son positionnement). Je pense opter pour un plus grand diamètre ou même diamètre mais avec un conduit pour mieux orienté le flux d'air.
La prochaine ouverture sera aussi l'occasion de changer tout simplement les drivers pour des TMC2100

  • J'aime 1
Posté(e)

Ok il y a une différence quand-même.

Posté(e) (modifié)

super intéressent,je ne lance je commande les 1N5404 

Modifié (le) par troll67
Posté(e)

Comme je le disais, je les ai imprimé comme un sauvage en 0.3 et je ne sais plus quelle vitesse.
Du coup, ça ne peut qu'être mieux.

Mais pour info, hier soir, j'ai fini d'imprimer mes passe filaments et câbles et le rendu est super propre.
Ce sont des cylindres avec un pas de vis M8 en mode trapézoïdal et les écrous se vissent parfaitement.
J'avoue que je suis bluffé du rendu, mais comme je n'ai pas essayé ce type de pièce avant ...

Ceci dit, j'ai aussi des petites pièces faites avant, comme des figurines pour les enfants, et là, je pense que je vais refaire un essai pour voir si c'est mieux ou pas.

  • 2 weeks later...
Posté(e)

Du coup, quelqu'un d'autre que moi a testé les modules ?

Qu'ils soient fais maison ou achetés sur ali ?

Des résultats probants ?

En vitesse rapide, j'ai entendu plus que vu la différence. Pour la qualité, j'avoue que même si je suis perso très satisfait de l'état de surface de mes prints, je ne sais pas dire à quel point ces modules y ont contribué.

Créer un compte ou se connecter pour commenter

Vous devez être membre afin de pouvoir déposer un commentaire

Créer un compte

Créez un compte sur notre communauté. C’est facile !

Créer un nouveau compte

Se connecter

Vous avez déjà un compte ? Connectez-vous ici.

Connectez-vous maintenant
  • Sur cette page :   0 membre est en ligne

    • Aucun utilisateur enregistré regarde cette page.
  • YouTube / Les Imprimantes 3D .fr

×
×
  • Créer...