thierry70 Posté(e) Avril 2, 2018 Posté(e) Avril 2, 2018 (modifié) Bonjour à tous. Depuis quelques jours j'ai un gros souci avec mon A8 et je n'ai rien trouvé sur internet ou sur ce forum qui puisse m'aider. De manière totalement aléatoire pendant une impression, l'imprimante semble perdre ses références et l'extrudeur part complètement à droite en butée et le moteur de l'axe X continue à vouloir tourner. J'ai remarqué également à plusieurs reprises une position aléatoire sur l'axe X lorsque je fais "Home All" sur l'afficheur. Quand je fais "Home All", le plateau ne revient pas systématiquement en butée gauche sur l'axe X. J'ai imprimé 4 pièces aujourd'hui sans problème et ça a recommencé à la cinquième. J'ai remis l'ensemble en butée et fais "Set to origine" sur l'afficheur, ça ne change rien. De plus dans Repetier, les commandes de déplacement manuel ne réagissent pas correctement ou commandent un déplacement sur un autre axe que celui sélectionné, là aussi de manière qui semble aléatoire. Auriez-vous une idée ? Merci. Amicalement. Thierry Modifié (le) Avril 2, 2018 par thierry70
Maeke Posté(e) Avril 2, 2018 Posté(e) Avril 2, 2018 Evites de jouer avec le "set to origin". Pour le reste, tu peux nous faire une vidéo?
thierry70 Posté(e) Avril 2, 2018 Auteur Posté(e) Avril 2, 2018 Bonsoir Maeke. J'ai trouvé l'origine mais pas la cause de la panne. Quand je fais "Position / Axe X" sur l'écran, je constate que le fin de course X est toujours sur ON, même si j'appuie dessus. J'ai testé le contacteur de fin de couse X, il fonctionne. Test à l'ohm-mètre sur les plots et en bout de fil côté connecteur de la carte mère ce qui élimine également un problème de fil coupé. J'ai branché à la place le fin de course Y, son signal n'est pas reçu non plus. Le signal d'enfoncement et de relâchement du fin de course X est donc mécaniquement correct, arrive sur le connecteur de la carte mère mais après, l'information se perd quelque part, mais où ? Sais-tu s'il existe une option de configuration qui aurait pu désactiver ce contact ? Amicalement. Thierry
Maeke Posté(e) Avril 2, 2018 Posté(e) Avril 2, 2018 pas difficile à comprendre à ce stade, carte défectueuse! Ton opinion @Janpolanton? 1
thierry70 Posté(e) Avril 2, 2018 Auteur Posté(e) Avril 2, 2018 C'est ce que je crains. J'ai remarqué un détail mais normalement ça ne doit pas être important : par rapport aux autres endstops, celui de l'axe X est câblé à l'envers inversion du fil rouge et du fil noir (si je connaissais le con qui a fait sauter le pont !). Mais je ne vois pas en quoi ça altèrerait le fonctionnement. Amicalement Thierry
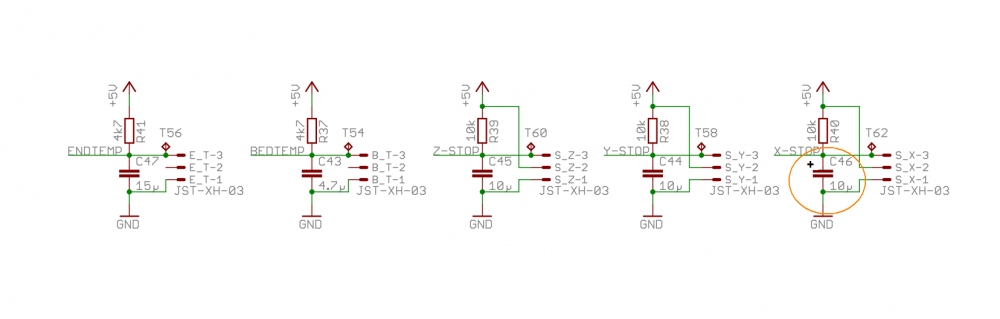
Janpolanton Posté(e) Avril 2, 2018 Posté(e) Avril 2, 2018 (modifié) Carte défectueuse, peut-être pas complètement, mais il y a tellement peu de composants dans le circuit des End stop (1 résistance + 1 condo) que c'est facile à contrôler. A mon avis, le condensateur de 10µF C46 est fautif (court-circuit probable). Dans un premier temps, vire le et refais tes essais. Modifié (le) Avril 2, 2018 par Janpolanton
Maeke Posté(e) Avril 2, 2018 Posté(e) Avril 2, 2018 Donc avec les compétences et l'équipement qui vont bien, même si la carte est bien défectueuse, elle est relativement facile à réparer si c'est bien C46.
thierry70 Posté(e) Avril 2, 2018 Auteur Posté(e) Avril 2, 2018 J'ai identifié le fameux condo mais c'est minuscule ! Je ne suis pas équipé pour faire des soudures aussi petites. Je vais certainement dire une connerie (pas fortiche en électronique), si on le shunte ça ne marche pas, ça fait l'effet inverse, non ? Amicalement. Thierry
Janpolanton Posté(e) Avril 2, 2018 Posté(e) Avril 2, 2018 Tant que ce n'est pas le micro contrôleur, oui, avec un peu de soin et un fer à souder à pointe fine, c'est possible à dépanner.
Janpolanton Posté(e) Avril 2, 2018 Posté(e) Avril 2, 2018 (modifié) il y a 5 minutes, thierry70 a dit : Je vais certainement dire une connerie (pas fortiche en électronique), si on le shunte ça ne marche pas, ça fait l'effet inverse, non ? Pour une connerie, c'en est une. Shunt et court-circuit, c'est kif-kif. Si tu le shuntes, tu mets direct la pin 3 à la masse (même effet que si ton end stop est appuyé en permanence). Edité : Je présume que tu ne sais pas tester les condensateurs à l'ohmmètre? Modifié (le) Avril 2, 2018 par Janpolanton
Maeke Posté(e) Avril 2, 2018 Posté(e) Avril 2, 2018 (modifié) Eh oui, les scénaristes qui nous sortent du langage pseudo technique dans les séries et films n'en comprennent même pas le vrai sens dans 99% des cas (le coup du meuporg a fait rire tous les geeks français à l'époque, et je ne parles pas de l'e-book sur lequel l'acteur était sensé jouer à un mmorpg). Donc le coup du shunt dont ils nous rabattent les oreilles, ça me fait rire (jaune) à chaque fois. Modifié (le) Avril 2, 2018 par Maeke
thierry70 Posté(e) Avril 2, 2018 Auteur Posté(e) Avril 2, 2018 Je me doutais bien que c'était une grosse connerie ...
Janpolanton Posté(e) Avril 2, 2018 Posté(e) Avril 2, 2018 il y a 2 minutes, thierry70 a dit : Je me doutais bien que c'était une grosse connerie ... Bon! c'est pas tout.... Il va falloir la dépanner cette carte. C'est ça l'impression 3D et en particulier les imprimantes bas coût en kit. Il faut être patient, persévérant et polyvalent ou apprendre à le devenir.
thierry70 Posté(e) Avril 2, 2018 Auteur Posté(e) Avril 2, 2018 Pour tester il faut le dessouder ? Sinon on va obtenir la résistance du circuit et vu la taille je ne sais pas trop ce que je vais toucher.
Janpolanton Posté(e) Avril 2, 2018 Posté(e) Avril 2, 2018 il y a 2 minutes, thierry70 a dit : Sinon on va obtenir la résistance du circuit Désolé, tu viens encore d'en dire une... Non, tu peux le tester soudé. Mais il faut couper la tension d'alimentation si tu le testes en position ohmmètre ou capacimètre( si ton multimètre a cette possibilité). 1
thierry70 Posté(e) Avril 2, 2018 Auteur Posté(e) Avril 2, 2018 Donc tu dis que si la pin 3 est à la masse c'est comme si le endstop était relâché (OFF). En fait ce endstop ne sert qu'à détecter si la course est bien à 0 (c'est peut-être encore une connerie mais j'essaie de comprendre comment ça fonctionne), donc quand cette référence est prise, il ne sert plus à rien ? Mon souci est qu'il semble fonctionner par courtes intermittences, ce qui expliquerait pourquoi une impression qui démarre bien conduit parfois à un brusque avancement du chariot à droite comme si le endstop était actionné. Quand je refais plusieurs Homme All, la tête avance vers la droite d'environ 3 cm ce qui semble correspondre au positionnement normal entre le endstop et l'origine du plateau.
thierry70 Posté(e) Avril 2, 2018 Auteur Posté(e) Avril 2, 2018 J'ai testé imprimante débranchée. Si je n'ai rien touché d'autre avec le multimètre, car c'est tout petit, j'obtiens environ 6000 ohms sur le C46 et 0 sur les C45 et C44. Ca pourrait donc bien être ça. J'ai demandé au vendeur (sur Amazon, c'est là que mes filles me l'ont commandée pour mon anniversaire) ses modalités de remplacement de la CM, je vais voir quelle réponse j'aurai. Pour les conneries, pas de souci, j'explique tous les jours à mes élèves que c'est en faisant des erreurs que l'on apprend. Amicalement Thierry
thierry70 Posté(e) Avril 2, 2018 Auteur Posté(e) Avril 2, 2018 (modifié) J'attends de voir quelle réponse j'aurai du fait qu'elle est encore sous garantie. En tous cas merci à vous deux Maeke et Janpolanton. Modifié (le) Avril 2, 2018 par thierry70
Janpolanton Posté(e) Avril 2, 2018 Posté(e) Avril 2, 2018 il y a 2 minutes, thierry70 a dit : Pour les conneries, pas de souci, j'explique tous les jours à mes élèves que c'est en faisant des erreurs que l'on apprend. Amicalement Je me moquais! il y a 11 minutes, thierry70 a dit : Donc tu dis que si la pin 3 est à la masse c'est comme si le endstop était relâché (OFF). Non, je n'ai jamais dit ça... il y a 35 minutes, Janpolanton a dit : Si tu le shuntes, tu mets direct la pin 3 à la masse (même effet que si ton end stop est appuyé en permanence). il y a 6 minutes, thierry70 a dit : j'obtiens environ 6000 ohms sur le C46 et 0 sur les C45 et C44. 0 ou 0.L? Car 0 c'est résistance nulle et 0.L c'est résistance infinie. Qu"est ce que ton voltmètre indique quand le 2 pointes de touches ne sont pas connectées (résistance infinie)?.
thierry70 Posté(e) Avril 2, 2018 Auteur Posté(e) Avril 2, 2018 J'ai un vieux multimètre analogique qui date de mes études (il y a 40 ans ) sur les autres condos l'aiguille part en butée comme lorsque l'on touche les deux pointes.
Maeke Posté(e) Avril 2, 2018 Posté(e) Avril 2, 2018 Tiens je sens qu'on va bientôt parler de la collection de multimètres de notre ingénieur préféré.
Janpolanton Posté(e) Avril 2, 2018 Posté(e) Avril 2, 2018 Ok je comprends mieux. Alors l'explication est la suivante : L'aiguille part en butée parce que les condos sont chargés. Si tu laisse les pointes de touche en place assez longtemps (quelques secondes) tu devrais voir l'aiguille commencer à redescendre (décharge du condensateur à travers le circuit de mesure de ton ohmmètre) Si C46 est à 6000 Ohm, ne cherches pas, il est HS. Si tu as la possibilité de le dessouder et de l'enlever, ta carte refonctionnera.
Janpolanton Posté(e) Avril 2, 2018 Posté(e) Avril 2, 2018 il y a 2 minutes, Maeke a dit : Tiens je sens qu'on va bientôt parler de la collection de multimètres de notre ingénieur préféré. Tu ne les as pas tous vus, j'en ai de bien plus vieux, avec sacoches en cuir mais malheureusement plus en état de fonctionner... 1
thierry70 Posté(e) Avril 2, 2018 Auteur Posté(e) Avril 2, 2018 Tu dis que si on enlève ce condo ça va fonctionner ? Je referai les mesures demain soir car il commence à être tard et demain grosse réunion très loin (c'est l'inconvénient d'habiter au milieu de nulle part...). De toute manière j'attends la réponse du vendeur car c'est encore sous garantie donc je ne touche à rien pour l'instant. Bonne soirée et à nouveau merci Janpolanton. Thierry
Maeke Posté(e) Avril 2, 2018 Posté(e) Avril 2, 2018 oui, le condo est surtout là pour stabiliser le signal du endstop, ça fonctionne sans.
Messages recommandés
Créer un compte ou se connecter pour commenter
Vous devez être membre afin de pouvoir déposer un commentaire
Créer un compte
Créez un compte sur notre communauté. C’est facile !
Créer un nouveau compteSe connecter
Vous avez déjà un compte ? Connectez-vous ici.
Connectez-vous maintenant