-
Compteur de contenus
80 -
Inscrit(e) le
-
Dernière visite
Tout ce qui a été posté par Tiktik_tiktik
-
Poignée réfrigérateur Valberg (Electro-Depot)
Tiktik_tiktik en réponse au topic de Tiktik_tiktik dans Projets et impressions 3D
Sur l'originale, il y a un petit crochet plastique entre le joint et le métal, quand tu tire la poignée, il y a un système qui tire cette patte pour faire un appel d'air. -
Poignée réfrigérateur Valberg (Electro-Depot)
Tiktik_tiktik a posté un sujet dans Projets et impressions 3D
Avé Les poignée de certains réfrigérateurs et congélateurs armoires de la marque Valberg ont un défaut de fabrication. elles cassent chez pas mal de personnes après quelques mois. Et c'est arrivé chez un ami. Bien sur, pas pris sous garantie car c'est de la casse, même si il est évident que c'est un problème de conception vue le nombre de personnes concernées. Pour corriger cela voici des pièces de rechange. Il n'y a plus le système qui tire le joint quand on tire la poignée, mais cela n'a pas grande importance. https://www.thingiverse.com/thing:4166846 Au second plan, poignée d'origine. Au premier plan, poignée refaite. -
Avé Il y a un détecteur de fin de filament sur ton imprimante. Elle te dira d'en remettre et tu pourras ensuite continuer ton impression (résume).
-
Dumper sur ma CR-10S, mon petit avis ;-)
Tiktik_tiktik en réponse au topic de Tiktik_tiktik dans Creality
Je les avait déjà mis dans ma liste d'envie ces deux là . -
Dumper sur ma CR-10S, mon petit avis ;-)
Tiktik_tiktik en réponse au topic de Tiktik_tiktik dans Creality
Avé Pour l'instant pour le peu que j'ai fait depuis l'installation de ces Dampers (et non Dumpers) pas vu de différence. Mais je ne manquerais pas de faire quelques tests plus poussés dès que j'aurais un peu plus de temps @Bosco2509 je regarderais du coté des Hanpose 17HS8401S (mis dans ma liste d'envie sur Ali ) , merci. As tu déjà entendu parler des Quimat Nema 17 Stepper Moteur (QD03) ? Paraitrait qu'ils sont silencieux aussi -
Avé tous, Juste un petit avis sur les Dumpers. J'en avais achetés il y a quelques mois et je me suis "enfin" décidé à les installer (axes X et Y) sur ma CR-10S. Alors, comment dirais-je...... J'aurais du les installer bien avant Quel bonheur ce silence Si je devais parler en Pourcentage, je dirais que cela a supprimé minimum 80% du bruit. Vraiment très efficace dans mon cas. Maintenant, il me reste à changer les ventilateurs du boitier du contrôle. Voila, c'était juste un petit retour, si cela peut servir.
-
Photos de vos prints avec une imprimante 3D Creality
Tiktik_tiktik en réponse au topic de Le Kampaniard dans Creality
Très belle impression -
Photos de vos prints avec une imprimante 3D Creality
Tiktik_tiktik en réponse au topic de Le Kampaniard dans Creality
Dans mon cas aussi c'est provisoire, hein Pas encore terminé -
Photos de vos prints avec une imprimante 3D Creality
Tiktik_tiktik en réponse au topic de Le Kampaniard dans Creality
-
Photos de vos prints avec une imprimante 3D Creality
Tiktik_tiktik en réponse au topic de Le Kampaniard dans Creality
-
Photos de vos prints avec une imprimante 3D Creality
Tiktik_tiktik en réponse au topic de Le Kampaniard dans Creality
Avé Cela sera bien sur fait quand j'aurais terminé le kit complet -
Photos de vos prints avec une imprimante 3D Creality
Tiktik_tiktik en réponse au topic de Le Kampaniard dans Creality
Avé Aller, juste parce que je n'ai pas envie d'attendre 3 semaines pour recevoir des bandes oranges C'est plat, ça se clipse sans problème avec un peu de force et je peux faire la couleur que je veux. Nickel -
Avé J'ai commandé ce lot de deux ici, fonctionne sur ma CR-10S.
-
Photos de vos prints avec une imprimante 3D Creality
Tiktik_tiktik en réponse au topic de Le Kampaniard dans Creality
Trop loin de chez moi, je ne peux pas venir t'aider -
Photos de vos prints avec une imprimante 3D Creality
Tiktik_tiktik en réponse au topic de Le Kampaniard dans Creality
C'est peut être parce que tu es effectivement le dernier des demeurés .non sans rire, j'adore ce logiciel. Je le trouve puissant et plutôt accessible. -
Photos de vos prints avec une imprimante 3D Creality
Tiktik_tiktik en réponse au topic de Le Kampaniard dans Creality
Oui, j'ai modélisé sous Fusion 360 à partir dun schéma du site valera. Pas trop compliqué Pas eu le temps de le peindre en chrome. Dimensions x2 -
Photos de vos prints avec une imprimante 3D Creality
Tiktik_tiktik en réponse au topic de Le Kampaniard dans Creality
Avé tous Un "petit" sèche cheveux qui sert de tirelire pour les enveloppes pleines de sousou pour les 60 ans de mon beauf 55 cm de long et 44cm à l'encolure Ah oui, c'est un ancien patron coiffeur, donc forcement, le sèche cheveux -
Ma CR-10 passe sur le banc - Quelques améliorations
Tiktik_tiktik en réponse au topic de Bosco2509 dans Creality
Perso, c'était au niveau du ventilateur qui refroidit au dessus de la buse. Il faisait tellement chaud qu'il ne pouvait plus faire son travail correctement, donc filament trop mou, donc bouchage et pignon qui claquait.- 76 réponses
-
Ma CR-10 passe sur le banc - Quelques améliorations
Tiktik_tiktik en réponse au topic de Bosco2509 dans Creality
Avé Très heureux que cela ait pu te servir Perso j'ai abandonner l'idée du caisson. Trop de contraintes pour moi, surtout niveau ventilation. Et il faisait trop gros dans la chambre Je suis revenu à quelque chose de plus "classique". En cours de finalisation. Je vais faire un petit caisson en plexiglas de 10 cm dessous l'imprimante (elle sera posée et fixée dessus), pour y loger toute l'électronique. Comme cela, ce sera une imprimante monobloc "portable" Et surtout bien plus silencieux. Un truc de ce genre la (pas fini)- 76 réponses
-
Photos de vos prints avec une imprimante 3D Creality
Tiktik_tiktik en réponse au topic de Le Kampaniard dans Creality
Tu as formulé la question, et la réponse. Bravo. -
Photos de vos prints avec une imprimante 3D Creality
Tiktik_tiktik en réponse au topic de Le Kampaniard dans Creality
-
Photos de vos prints avec une imprimante 3D Creality
Tiktik_tiktik en réponse au topic de Le Kampaniard dans Creality
Voila, mon testeur de continuité en forme de potentiomètre est terminé et fonctionnel. 96 mm de diamètre à la base. -
Photos de vos prints avec une imprimante 3D Creality
Tiktik_tiktik en réponse au topic de Le Kampaniard dans Creality
-
Photos de vos prints avec une imprimante 3D Creality
Tiktik_tiktik en réponse au topic de Le Kampaniard dans Creality
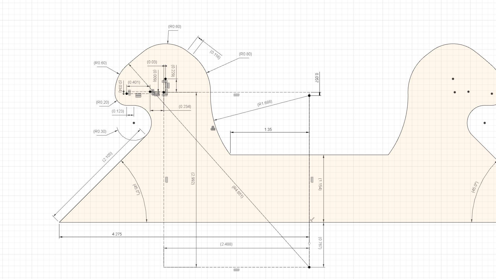
Mon futur petit projet Je fais une formation de monteur câbleur en électronique et j'avais envie de me faire un petit testeur de continuité original (pour le filaire). Je fais donc un potentiomètre à l’échelle, de 96 mm de diamètre et j'y intègre buzzer, led, pile 9v et inter pour couper uniquement le buzzer (pour ne pas casser les oreilles des voisins ) Le bouton servant d'interrupteur avec un système de came. Les deux fiches bananes en façade, et une led rouge entre les deux. Le dessin est terminé (Fusion 360), me reste plus que les impressions. Test de la came: -
Avé 1 - Le caisson est fermé et hermétique avec joints, mais je peux bien sur ouvrir la vitre avant et la vitre latérale droite. 2 - Pour l'instant je n'ai pas constaté d'odeur car je ne peux pas laisser les vitres fermées. 3 - Je vais être obligé de mettre une ventilation pour faire baisser la température à l'intérieur du caisson car le ventilateur de l'extrudeur n'arrive plus à faire son boulot correctement Il fait trop chaud et au bout d'un moment, le filament ne sort plus et le moteur claque. D’où les vitres laissées ouvertures pour l'instant

