Pat 13 Posté(e) Juin 25, 2018 Auteur Posté(e) Juin 25, 2018 Faux t il que je cable une masse sur la broche qui va a la carte sur la pine a l'autre extrémité du fil noir ? A+
Janpolanton Posté(e) Juin 25, 2018 Posté(e) Juin 25, 2018 Si tu ne maitrise pas les branchements, je te suggère d'alimenter ton capteur avec l'alimentation de l'imprimante. Et base toi sur un schéma qui a fait ses preuves car je ne comprends rien à celui que tu as dessiné. A quelle tension de sortie est réglée ton alimentation auxiliaire?
Pat 13 Posté(e) Juin 25, 2018 Auteur Posté(e) Juin 25, 2018 (modifié) j'ai une tension de 12,37v j ai trouvé 2 schéma sur le net mais le quel est le bon ?? photo 2 la masse est relié au 5v de la carte photo 1 la masse a la masse ???????? Modifié (le) Juin 25, 2018 par Pat 13
Janpolanton Posté(e) Juin 25, 2018 Posté(e) Juin 25, 2018 Les 2 sont bons mais : Le premier donne une tension de sortie du signal de 6V. Le second n'est pas adapté au connecteur d'une Anet ( en considérant que la CM soit identique entre une A8 et une A6) car le GND ne se trouve pas sur la broche centrale.
Pat 13 Posté(e) Juin 25, 2018 Auteur Posté(e) Juin 25, 2018 faut il que je branche une masse sur la pine masse comme sur le schema de la photo 1
Janpolanton Posté(e) Juin 25, 2018 Posté(e) Juin 25, 2018 Tu me fais un peu peur là... J'ai comme l'impression que tu ne sais pas très bien ce que tu fais, le schéma est pourtant clair.
Pat 13 Posté(e) Juin 25, 2018 Auteur Posté(e) Juin 25, 2018 c'est vrais que je ne sais pas très bien ce que je fais c'est pour ça que je demande et je fais ce que l 'on me dit bon je prend t as réponse pour un oui A+
Janpolanton Posté(e) Juin 25, 2018 Posté(e) Juin 25, 2018 il y a 54 minutes, Pat 13 a dit : c'est pour ça que je demande et je fais ce que l 'on me dit Mauvaise pioche... Si on te raconte une connerie, les dégâts seront en conséquence.
Janpolanton Posté(e) Juin 26, 2018 Posté(e) Juin 26, 2018 il y a 15 minutes, jc83 a dit : comme d'hab avec la zener no probleme D'accord avec toi mais il en serait incapable, il a déjà du mal à raccorder le GND... 1
Pat 13 Posté(e) Juin 26, 2018 Auteur Posté(e) Juin 26, 2018 (modifié) Bonjour j'ai fait un montage avec un octo CNY17-2 j'ai pile un 5v sur le fil noir et 83.8 mv en captage. (sans doute une petite perte capteur Chinois) Avec l écran lcd j'ai fait un origine auto. 1= X ce déplace vers don stop. 2= Y ce déplace vers sont stop 3 =le capteur ce déplace vers le centre du plateau 4= descend jusqu'a que la lumière s'allume. 5= remonte un peu. 6= descend pour un autre captage. 7= remonte un peu plus que 5 C'est en bonne voix non ? A+ je vais faire les réglages du Z comme m'a dit MAeke Modifié (le) Juin 26, 2018 par Pat 13
shark-h44 Posté(e) Juin 26, 2018 Posté(e) Juin 26, 2018 Pat 13, je te conseille vivement d'arrêter de bricoler la partie Elec de ton imprimante. Cela réclame des connaissances que visiblement tu n'as pas. Rien de méprisant dans mon conseil. C'est un métier... Si vraiment tu veux t'y mettre va déjà voir ce qu'est un diviseur de tension. On ne le dira jamais assez, l'électricité est dangereuse.
Janpolanton Posté(e) Juin 26, 2018 Posté(e) Juin 26, 2018 à l’instant, Maeke a dit : Ou alors, commande une platines de @Janpolanton Non, je ne fournis pas de platines si les connaissances sont insuffisantes. C'est d'ailleurs pour ça que je vends des kits (exceptionnellement des platines câblées pour les anciens que je connais et qui ne vont pas me les briser parce que ça ne fonctionne pas) 1
Pat 13 Posté(e) Juin 26, 2018 Auteur Posté(e) Juin 26, 2018 Il y a 2 heures, shark-h44 a dit : Pat 13, je te conseille vivement d'arrêter de bricoler la partie Elec de ton imprimante. Cela réclame des connaissances que visiblement tu n'as pas. Rien de méprisant dans mon conseil. C'est un métier... Si vraiment tu veux t'y mettre va déjà voir ce qu'est un diviseur de tension. On ne le dira jamais assez, l'électricité est dangereuse. le montage que j 'ai fais avec un opto marche a merveille
Janpolanton Posté(e) Juin 28, 2018 Posté(e) Juin 28, 2018 Le 26/06/2018 at 22:04, Pat 13 a dit : le montage que j 'ai fais avec un opto marche a merveille Bonjour, Il y a quelque chose qui me chiffonne dans ta démarche : D'une part, tu ne sembles rien connaitre en électronique (et toi même le dit), tu es incapable de comprendre le fonctionnement des ponts diviseurs résistifs, tu patauges avec le raccordement du GND et tout à coup, tu solutionnes ton problème avec un coupleur optique! Peux-tu nous en dire plus sur le schéma que tu as utilisé et nous montrer des photos de ton montage...
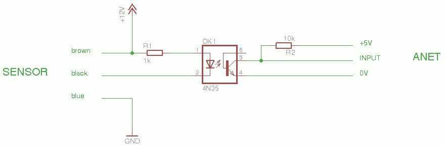
Pat 13 Posté(e) Juin 28, 2018 Auteur Posté(e) Juin 28, 2018 (modifié) Bonjour Je n'ai pas vraiment envie de faire une photo du montage car il est dans une gaine thermo. le schéma; Modifié (le) Juin 28, 2018 par Pat 13
Janpolanton Posté(e) Juin 28, 2018 Posté(e) Juin 28, 2018 Oui, c'est le schéma classique, mais comme tu n'as pas posé de question en particulier sur l'opto coupleur que tu as utilisé et qui est différent de celui du schéma, je trouvais ça curieux. Enfin, si ça fonctionne c'est le principal...
Pat 13 Posté(e) Juin 28, 2018 Auteur Posté(e) Juin 28, 2018 comme je l'ai dit j'ai un 5v (pas plus pas moins) et ça marche très bien (les datasheet sont là pour ça) A+
Pat 13 Posté(e) Juin 28, 2018 Auteur Posté(e) Juin 28, 2018 Bon là je dois repartir a l'hosto voir ma mère
Janpolanton Posté(e) Juin 28, 2018 Posté(e) Juin 28, 2018 il y a 8 minutes, Pat 13 a dit : les datasheet sont là pour ça Mouais! Je doute que tu saches déchiffrer ce type de document, moi même j'ai parfois du mal en première lecture. Allez! j'arrête d'être désagréable et je souhaite un prompt rétablissement à ta mère.
Messages recommandés
Créer un compte ou se connecter pour commenter
Vous devez être membre afin de pouvoir déposer un commentaire
Créer un compte
Créez un compte sur notre communauté. C’est facile !
Créer un nouveau compteSe connecter
Vous avez déjà un compte ? Connectez-vous ici.
Connectez-vous maintenant