Pierrick9 Posté(e) Mai 18, 2019 Posté(e) Mai 18, 2019 Bonsoir, J'aimerais installer un groupe de leds (environ 3v) près de la buse de ma u30 pour bien éclairer l'impression parce que j'ai un spot au dessus de l'imprimante et il y a donc des zones d'ombres... Mais où prendre le courant? J'ai des lm2596 pour diminuer une tension mais je ne sais pas trop où prendre le courant... Si je prends le courant d'un ventilo en parallèle, ca risque pas de déstabiliser le 24v de ce ventilo? J'ai pensé à prendre du 24v du ventilo de l'alim en sachant que j'y ai mis un lm2596 pour le descendre en 12v pour alimenter un ventilo 80mm 12v mais bon... Il n'existe pas d'autres solutions? J'ai recherché sur le forum mais je ne trouve rien à ce propos... Merci d'avance
bracame Posté(e) Mai 18, 2019 Posté(e) Mai 18, 2019 Bonsoir, Pour éviter les erreurs je recommanderai de passer deux nouveaux fils dans la gaine (il y a de la place) et donc les câbler directement en sortie de l'alimentation 24V ... ... Si possible avec une protection en courant voir mieux : La carte de régulation. 1
Pierrick9 Posté(e) Mai 18, 2019 Auteur Posté(e) Mai 18, 2019 il y a 1 minute, bracame a dit : Bonsoir, Pour éviter les erreurs je recommanderai de passer deux nouveaux fils dans la gaine (il y a de la place) et donc les câbler directement en sortie de l'alimentation 24V ... ... Si possible avec une protection en courant voir mieux : La carte de régulation. Sur deux bornes qui sont en sortie de l'alim, à l'arrière de celle-ci? En protection, un fusible sur le + entre la borne et le lm2596 suffirait?
bracame Posté(e) Mai 19, 2019 Posté(e) Mai 19, 2019 Oui, cela parait être bien (attention à ne pas confondre l'entrée de la sortie de l'alim ). Ou sinon, en parallèle avec l'entrée de la carte de contrôle sur le premier connecteur vert. Pour le fusible : Oui aussi. Bonne soirée.
arboriginal Posté(e) Mai 20, 2019 Posté(e) Mai 20, 2019 Hello, Ne t'embête pas à repiquer sur la sortie 24V : Il y a un connecteur 24v libre sur la carte mère de la U30, juste entre ceux des 2 ventilateurs. Je l'utilise d'ailleurs en ce moment avec des leds 24v achetés sur ebay (mais que je ne recommande pas, du coup je ne te donne pas le lien). 1
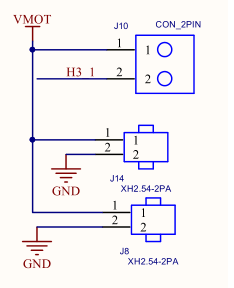
bracame Posté(e) Mai 20, 2019 Posté(e) Mai 20, 2019 Bien vu : Connecteur J14 (J'avais pas regardé le plan). On trouve des prises compatibles facilement ?
arboriginal Posté(e) Mai 20, 2019 Posté(e) Mai 20, 2019 Aucune idée, moi j'avais un ventilateur HS donc j'ai récupéré son connecteur directement. Au pire, tu te l'imprimes
CacaoTor Posté(e) Mai 20, 2019 Posté(e) Mai 20, 2019 (modifié) Question qui n'a pas été posée : Quelle est le courant consommé de tes leds ? Encore une fois, les sorties ventilos ne sont absolument pas faites pour sortir du courant... Même "si ça marche". Modifié (le) Mai 20, 2019 par CacaoTor
arboriginal Posté(e) Mai 20, 2019 Posté(e) Mai 20, 2019 Salut @CacaoTor, Arrête moi si je me trompe, mais s'il réduit le voltage il ne gagne pas en intensité dispo ? Vague reste de mes cours de 4e... P = U x I, donc si U diminue, I grandit non ? Du coup, s'il passe de 24 - 5V il devrait avoir un ampérage presque 5x plus grand pour les alimenter. Je ne poste pas ça pour "étaler ma science" car je ne suis pas du tout sûr de mon coup, mais plus par curiosité
Pierrick9 Posté(e) Mai 20, 2019 Auteur Posté(e) Mai 20, 2019 avec un multimètre la tension de seuil est à 2.6v et il y en a 9 se parallèle je crois mais le courant consommé je ne sais pas, ce sont des leds classiques
bracame Posté(e) Mai 20, 2019 Posté(e) Mai 20, 2019 J14 est relié en direct sur le 24, le courant max est donc fonction de la largeur de la piste du PCB. (des leds devraient consommer quelques centaines de mili-ampères ... A vérifier oui @CacaoTor car il en existe de forte puissance) Mettre un fusible dans tous les cas.
bracame Posté(e) Mai 20, 2019 Posté(e) Mai 20, 2019 (modifié) il y a 6 minutes, Pierrick9 a dit : avec un multimètre la tension de seuil est à 2.6v et il y en a 9 se parallèle je crois mais le courant consommé je ne sais pas, ce sont des leds classiques A 20 mA la led, tu dépasse pas les 200 en 12V donc moins (environ 120 mA) avec un régulateur à découpage comme le tient (rendement 73%) EDIT : Tu parle de tension de seuil .... Pense à placer une résistance en série ! Cette tension diminue lorsque la led chauffe et la : Ça crame sans résistance. -> Les alims de leds sont normalement des régulateurs de courant, pas de tension. Modifié (le) Mai 20, 2019 par bracame rendement +
CacaoTor Posté(e) Mai 20, 2019 Posté(e) Mai 20, 2019 (modifié) Pas de souci, personne n'étale sa science ici C'est surtout le calcul de la charge qui importe ici. Que t'ai 1000V ou 10V, il faut regarder ce que ta source peut délivrer comme courant. La tension, du moment que le circuit est fermée est là. Le courant lui, apparaît selon la charge(R). Le changement de tension ici n'a pas d'influence, sous réserve de ce que son module est capable de fournir, ainsi que la source du module. Tu as cité justement l'une des formules les plus célèbres de la physique : Mettons que ses LEDs soient en 5V. Que les leds soit annoncées avec une puissance de 3W. On a alors : I = U / R; Mais ici, I = P / U; Donc I = 3 / 5 => 0,6A Ce qui ferait déjà pas mal de patate ! Modifié (le) Mai 20, 2019 par CacaoTor
Pierrick9 Posté(e) Mai 20, 2019 Auteur Posté(e) Mai 20, 2019 C'est vrai que la carte mère est ultra fragile et très mal protégée d'après ce que je lis alors je ne veux pas faire de connerie
bracame Posté(e) Mai 20, 2019 Posté(e) Mai 20, 2019 @Pierrick9 J'ai édité mon précédent post : Fait attention à ne pas brancher tes leds directement sur le régulateur. Pour ne pas prendre le risque de cramer une piste du PCB, branche toi en parallèle du connecteur vert
CacaoTor Posté(e) Mai 20, 2019 Posté(e) Mai 20, 2019 @bracame : En fait on est pas sur de ce qu'il y a en amont de ce connecteur. Il y a un certain nombre d'erreurs et informations cachées sur le schéma.
bracame Posté(e) Mai 20, 2019 Posté(e) Mai 20, 2019 il y a 7 minutes, CacaoTor a dit : @bracame : En fait on est pas sur de ce qu'il y a en amont de ce connecteur. Il y a un certain nombre d'erreurs et informations cachées sur le schéma. Merci pour l'info @CacaoTor, je vais donc ne plus citer ce schéma. Donc (je me répète mais mon avis : branchement en parallèle du connecteur vert + fusible). Bonne nuit.
arboriginal Posté(e) Mai 20, 2019 Posté(e) Mai 20, 2019 OK @CacaoTor, donc je n'avais pas tord sur ce point, bon à savoir. Je pense avoir compris ton explication également. Merci. Sinon, @bracame si aucun fusible ni résistance, ce qui va cramer, c'est juste la led c'est bien ça ? Car ça doit faire une semaine que j'ai ma led branchée en direct sur ce connecteur et pas de soucis constaté (je ne dis pas que c'est bien, juste que ça tient pour le moment) et apparemment, elle doit consommer aux alentours de 0.15A).
bracame Posté(e) Mai 20, 2019 Posté(e) Mai 20, 2019 (modifié) Ta led a forcement un régulateur ou une résistance (ou les deux) pour fonctionner sous 24V. Et oui, c'est la (les) leds qui risquent de cramer : En chauffant, elles vont baisser leur tension de seuil donc elles vont chauffer plus et re et re ... La résistance vas "calmer" le jeux. Bon, dodo (debout 6H30 et je suis plus tout jeune ;-) Modifié (le) Mai 20, 2019 par bracame
Pierrick9 Posté(e) Mai 20, 2019 Auteur Posté(e) Mai 20, 2019 merci à tous, je vais voir... sinon bah alim externe ou bien des 18650 même si c'est dommage
arboriginal Posté(e) Mai 20, 2019 Posté(e) Mai 20, 2019 Bonne nuit alors, et merci pour les explications. Aucun soucis (pour moi) si la LED crame Je l'ai mise en attendant mais je monterai un système plus propre et mieux adapté par la suite. Là, c'est juste un truc chinois de m**de qui a 4 rangées de LEDs dont 1 HS dès le premier allumage et scotché au double face sous mon ventilo du hot-end... Je ne sais pas s'il y a un régulateur ou résistance, c'est cloisonné. Ça ressemble à ça : Enfin bon, comme je l'indique c'est du provisoire, je n'ai pas ma U30 depuis très longtemps donc j'ai encore plein de pièces à m'imprimer
bracame Posté(e) Mai 21, 2019 Posté(e) Mai 21, 2019 Bonsoir, je connaissais pas ce "conditionnement". Souvent les bandes à leds présentent : une led (et en dessous) une résistance). @Pierrick9 : Tu peux "y aller" pas de soucis ; Place juste une résistance (de 47 à 220 ohms, puissance à calculer) entre le régulateur et les leds (En parallèle si j'ai compris). Puis régler la tension aux borne(s) des diodes un peut au dessous du maxi.
Messages recommandés
Créer un compte ou se connecter pour commenter
Vous devez être membre afin de pouvoir déposer un commentaire
Créer un compte
Créez un compte sur notre communauté. C’est facile !
Créer un nouveau compteSe connecter
Vous avez déjà un compte ? Connectez-vous ici.
Connectez-vous maintenant