methylene67 Posté(e) Septembre 14, 2021 Posté(e) Septembre 14, 2021 Bonjour, Ci-dessous premier test d'imprimante avec la tête entièrement conçue par mes soins. Cela a été un vrai casse-tête de pouvoir tout caser à cause de l'encombrement et du fait d'être en IDEX. Impossible de mettre quoi que ce soit côté courroie, le moteur étant bien plus bas que sur la tête d'origine, impossible aussi de mettre quoi que ce soit vers le plateau, à cause de l'autre tête, ça limite quand même pas mal. Reste encore à vérifier (et éventuellement modifié) les écoulements de l'air au niveau du guide de ventilateur de buse. Heatbreak bi-metal cuivre titane, tête E3Dv6, extrudeur BMG dual Gear, ventilateur Sunon 4010 et blower Hotend 5015 turbine. Déport VGA avec guidage câble chain que j'ai remodélisé. Pour le moment tout est en PLA, mais j'ai un doute pour le guide du ventilateur de Hotend et pour le guide du ventilateur de buse. Ne pas faire gaffe aux câbles à gauche je vais ajuster la longueur et couper. Le VGA derrière ne traînera plus. Gain de poids, plus de 400 gr, la preuve en photo (la photo est prise avec l'ancien prototype). Ventilation largement améliorée. Reste à tout finaliser, finir les tests, et passer la tête E2 sur le même principe (j'ai déjà en-tête la petit modification pour le réglage de la hauteur). Et rajouter un peu d'éclairage. Marlin Tenlog (dernière version) modifié et recompilé, je repasse sur Luxury quand tout sera bon : Révélation ----------- Marlin main ----------- -> ligne int Y_step_per_unit = axis_steps_per_unit[Y_AXIS] à remplacer par float Y_step_per_unit = axis_steps_per_unit[Y_AXIS] --------------- configuration_h --------------- -> Vérifier écran #define TL_TJC_CONTROLLER //#define TL_DWN_CONTROLLER -> Vérifier capteur optique Y const bool X_ENDSTOPS_INVERTING = true; const bool Y_ENDSTOPS_INVERTING = true; //Y Optical switch //const bool Y_ENDSTOPS_INVERTING = false; //Y Mechanical switch -> vérifier sens rotation extrudeur #define INVERT_E0_DIR false en test false #define INVERT_E1_DIR true en test true ----------------- configuration_xy.h ----------------- -> changer la sonde #define TEMP_SENSOR_0 5 #define TEMP_SENSOR_1 5 #define TEMP_SENSOR_2 5 #define TEMP_SENSOR_BED 1 -> activer le PIDbed #define PIDTEMPBED Photos : Vidéo : 5
Jeff78s Posté(e) Septembre 14, 2021 Posté(e) Septembre 14, 2021 (modifié) Félicitations pour ce travail, c'est impressionnant ! Modifié (le) Septembre 14, 2021 par Jeff78s 1
icare Posté(e) Septembre 14, 2021 Posté(e) Septembre 14, 2021 (modifié) Superbe travail, ta nouvelle tête est vraiment sympa. Si tu cherches de l'optimisation pour le refroidissement (surtout le hotend) regarde ce qui me parait le must pour l'instant MiniXtrude Je suis admiratif du taf Modifié (le) Septembre 14, 2021 par icare 1
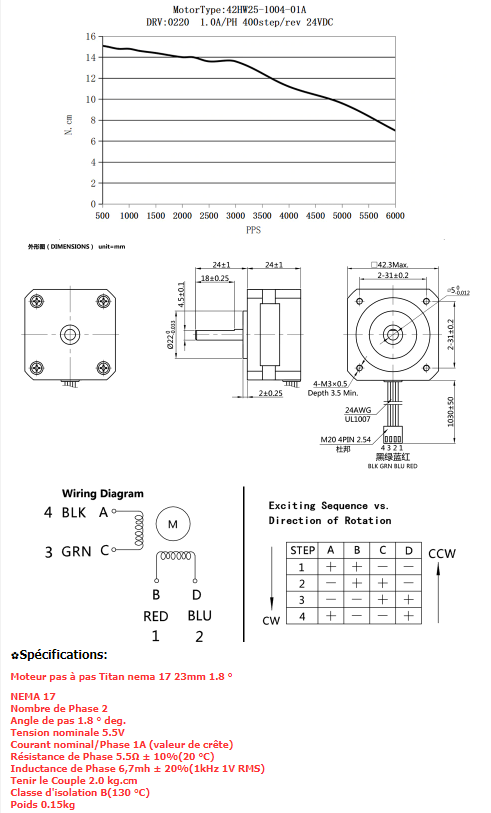
methylene67 Posté(e) Septembre 15, 2021 Auteur Posté(e) Septembre 15, 2021 Pour la ventilation de Hotend, je pense pas qu'il y ait de soucis, la pièce étant en PLA, j'avais un doute, mais sur une impression de 3h elle n'a pas chauffé, donc cela refroidit bien. Pour la ventilation de buse, j'ai fait un test de bridge hier, c'est pas mal du tout avec un bridge à 150 mm au max, par contre je pense qu'il va falloir quand même que je regarde où cela souffle exactement. Il n'y a pas à dire rien à voir entre les blower 5015 et le pauvre petit 4010 radial d'origine :-). Ton lien ne renvoie pas sur un guide de buse. Par contre le moteur chauffe beaucoup, j'en conclus qu'il va falloir re régler les Vref puisque changement de moteur. Pour les TMC 2208, la formule est assez simple : les TMC2xxx sont de chez Trinamic, la formule est la plus simple : valeur de Vref = valeur de Inom La fiche moteur est la suivante : Donc lnom = 1 A, soit la valeur de Vref de 1 V, ce qui est censé être d'origine je pense, donc j'ai un doute que cela vienne de là. 1
icare Posté(e) Septembre 15, 2021 Posté(e) Septembre 15, 2021 Pour le réglage du courant moteur, je procède différemment, car on se prends souvent les pieds dans le tapis avec leurs formules, je mesure le courant à la pince ampèremétrique pour courant continu
ayrton Posté(e) Septembre 18, 2021 Posté(e) Septembre 18, 2021 Bonjour, tu as mis quoi comme moteur d'extrudeur?
methylene67 Posté(e) Septembre 18, 2021 Auteur Posté(e) Septembre 18, 2021 Nema 17 pancake 22 mm cloné : https://fr.aliexpress.com/item/32768043304.html?spm=a2g0o.store_pc_groupList.8148356.18.12d075e7HozFY5
ayrton Posté(e) Septembre 19, 2021 Posté(e) Septembre 19, 2021 Il y a 20 heures, methylene67 a dit : Nema 17 pancake 22 mm cloné : https://fr.aliexpress.com/item/32768043304.html?spm=a2g0o.store_pc_groupList.8148356.18.12d075e7HozFY5 Merci
merlinx Posté(e) Septembre 29, 2021 Posté(e) Septembre 29, 2021 Le défit est génial et la réalisation superbe. Bravo. Niveau performance ça donne quoi de bénéfique par rapport à la tête d'origine ?
icare Posté(e) Septembre 29, 2021 Posté(e) Septembre 29, 2021 Bonjour, Peut être une modification future de nos têtes d'impression.https://e3d-online.com/blogs/news/rapidchangerevo?goal=0_020f658fcc-0ec0fdfc1b-140508226&mc_cid=0ec0fdfc1b&mc_eid=0075922ee6
methylene67 Posté(e) Septembre 29, 2021 Auteur Posté(e) Septembre 29, 2021 (modifié) Il y a 12 heures, merlinx a dit : Le défit est génial et la réalisation superbe. Bravo. Niveau performance ça donne quoi de bénéfique par rapport à la tête d'origine ? Alors les avantages : Heatbreak bi-metal -> meilleure conductivité thermique, plus de problème avec le PTFE qui ne monte plus en température, possibilité d'imprimer des filaments à 300 °C +, et également moins de rétraction donc diminution du temps d'impression (je suis à 1.5 mm avec 30 mm/s, contre 2.5 mm et 40 mm/s avec la tête d'origine) Ventilateur axial Sunon + le système de ventilation -> meilleur refroidissement du heatbreak, reprend le point ci-dessus pour le PTFE Ventilateur blower 5015 + guide maison -> bien meilleur ventilation, il suffit de voir les ponts sur ce post au-dessus sans aucun supports (80% de ventilation), alors que tu ne fait pas ça avec le 4010 d'origine avec 100% de ventilation Extrudeur clone BMG -> entraînement du filament par deux galets, guidage du filament sans aucun espace pour TPU, et surtout entraînement du filament très fluide, et réglage possible facile de la pression du filament (ce qui n'est pas le cas sur la tête d'origine) Moteur pancake -> réduction du poids de plus de 150 g de mémoire (perte de couple mais amplement suffisant), entraînement du filament sur la bobine très fluide (je m'explique, avec l'extrudeur moteur d'origine, le fil monte en tension, puis la bobine se déroule d'un coup de plusieurs dizaine de cm, avec celui-là, la bobine déroule du filament de quelques cm par quelques centimètre) Tête clonée E3dv6 -> bien meilleure qualité que celle d'origine Déports de la carte VGA -> plus de câble qui gêne, c'est clairement plus propre Guidage par chaine câble -> la vidéo parle d'elle même Nouvelle sonde, permets d'atteindre les 300 °C avec une toute petite modification firmware Le poids de la tête est divisé par deux, donc beaucoup moins d'inertie (Ec = 0.5 * m * v², soit si je divise la masse par 2 je divise l'énergie cinétique par 2, ou bien en conservant l’énergie cinétique générée par le déplacement de la tête d'origine avec mes réglages, je peux donc augmenter la vitesse par racine carré de 2, soit 1.41 * v soit 50% plus rapide avec ma modification) -> augmentation des accélérations et des vitesses pour la même qualité (je devrais pouvoir atteindre 150 mm/s sans soucis de qualité) Enfin, le fait d'avoir modéliser entièrement la tête me permet d'injecter des Led bien plus facilement que sur la tête d'origine Voilà globalement ce que je trouve de mieux. Et je rajouterai que la tête se démonte assez facilement en cas de bouchage (ce qui ne m'est quasiment jamais arrivé avec la tête Tenlog, et jamais pour le moment avec la nouvelle tête). Modifié (le) Septembre 29, 2021 par methylene67 1
merlinx Posté(e) Septembre 30, 2021 Posté(e) Septembre 30, 2021 (modifié) Merci pour ce détail des améliorations Pour certaines je ne trouve pas que le défaut des têtes d'origine soit si gênant : le câble VGA n'est pour moi pas un problème une fois un guide à rouleau fait sur la poutre supérieure, et pour le déroulage des bobines de façon cyclique c'est plus le support de bobine qui n'est pas top car son axe est trop petit et glissant. Un bout de tube PVC intermédiaire entre l'axe et la bobine et le déroulage se fait progressivement. Pour les 300° et le TPU là oui je suis d'accord c'est un plus pour ceux qui en ont le besoin La ventilation je ne suis pas d'accord en ce qui concerne les ponts: j'ai imprimer le fameux Hair Lion dont la crinière est faite avec des ponts sans support de plusieurs centimètres dans le vide et il est sorti du premier coup. https://www.thingiverse.com/thing:2007221 Pour la différence de poids permettant l'augmentation de la vitesse d'impression, je dirais "peut-être" et j'attendrai ton retour. Car OUI l'axe X sera plus léger, mais ton Y a toujours le même poids. Rien que la plaque de verre pèse 1000g, avec le plateau chauffant alu et la mécanique embarquée on doit frôler les 2kg et comme une impression c'est de l'interpolation X/Y tu vas avoir deux axes avec une dynamique différente. Est-ce que ça va améliorer ou empirer ... je ne sais vraiment pas, seul des essais objectifs le diront. Modifié (le) Septembre 30, 2021 par merlinx
methylene67 Posté(e) Septembre 30, 2021 Auteur Posté(e) Septembre 30, 2021 (modifié) @merlinx Support bobine : Sauf que je n'utilise pas le support de bobine de merde d'origine (car je suis complètement d'accord avec toi), mais un support qui guide la bobine par 4 roulement avec serrage contrôlé. Matériau : Tu as raison si tu imprimes que du PLA, mais le TPU et même le PETG, une température de 245 /250 °C, à la longue, ça déforme le tube ptfe, véridique photo à l'appui, et @vap38 pourra te confirmer ce point : Ventilation buse : J'avais vu ton lion, avant et après le brushing , c'était vraiment sympa et très propre, sauf que quelques centimètres ce n'est pas 15 cm. Essai d'imprimer le test de bridging, le fichier est là avec la ventilation d'origine : https://www.thingiverse.com/thing:476845. Prendre le plus grand qui passe sur le plateau de mémoire c'est celui au milieu que j'ai pris avec 150 mm. Avec la ventilation d'origine cela ne fonctionnait pas chez moi. Et pour exemple les ponts du benchy (au niveau de la porte qui génère beaucoup de curling), avec la ventilation d'origine ca rebique à bloc, avec ma ventilation plus de curling (et je peux te dire que je suis très sensible au curling ayant eu souvent des problèmes avec ce défaut presque inévitable en paroi fine sur aplomb). Et la différence de la porte n'a rien à voir. Poids et inertie : Pour l'axe Y, ta remarque est juste, cependant j'ai une plaque PEI avec bed magnétique bien plus léger que la plaque de verre (que je n'avais pas pesé, mais ta réflexion m'a incité à le faire, et bilan, plaque d'origine en verre borosilicate = 942 g, plaque PEI avec support magnétique 350 g), donc l'inertie est là également plus que diminué. Je n'avais pas cité ce point car tu demandais pour la tête objet de mon sujet. Par ailleurs, les deux points cités ci-dessus était visible dans ma vidéo. Câbles VGA : Enfin pour les câbles VGA, au-delà de l'esthétique, et là aussi tu peux voir un guide sur ma vidéo (qui va dégager quand j'aurais fini ma modification), car un des câble s'est une fois bloqué avec le plateau, et la tête n'a pas aimé (raison pour laquelle j'ai mis un guide chaîne qui a résolu ce problème). Quand aux essais, ils sont plus que concluants, imprimant avec depuis plus de 3 semaines. Modifié (le) Septembre 30, 2021 par methylene67
methylene67 Posté(e) Octobre 4, 2021 Auteur Posté(e) Octobre 4, 2021 Du coup tu m’as inspiré @icare: 1
icare Posté(e) Octobre 4, 2021 Posté(e) Octobre 4, 2021 @methylene67 Belle conception, tu verras cela change la vie pour les accès. Perso, j'ai mis les 2 aimants dans les coins opposés car je trouvais que le positionnement de la partie mobile était plus précise. Quant tu le mets en place le centrage se fait-il bien ? 1
Messages recommandés
Créer un compte ou se connecter pour commenter
Vous devez être membre afin de pouvoir déposer un commentaire
Créer un compte
Créez un compte sur notre communauté. C’est facile !
Créer un nouveau compteSe connecter
Vous avez déjà un compte ? Connectez-vous ici.
Connectez-vous maintenant