medmed Posté(e) Février 7, 2022 Auteur Posté(e) Février 7, 2022 J'ai 12.6V aux bornes de l'alimentation 12V et 12.5V a l'entrée du plateau. J'ai testé un autre plateau avec l'alimentation 12V pour voir si elle n'avait pas un défaut. Ce plateau avait une résistance de 1.2 ohms, et l'alim a délivré 9A. Donc, l'alim fonctionne normalement. Je pense que finalement avec 3.4 ohms il est impossible d'avoir plus de 45W en 12V. Par contre, en 24V sous 3.4 ohms, j'obtiens environ 7A et 168 watts théorique, ce qui n'est pas illogique . Donc le problème viendrait de l'alimentation 24V, non ?. Ce que je ne comprends pas, c'est que je n'avais pas de problème d'alimentation du Bed avec la GT2560, et que sur le schéma il est alimenté en 12V. Bref, je patauge..
Invité Posté(e) Février 7, 2022 Posté(e) Février 7, 2022 il y a 29 minutes, medmed a dit : J'ai 12.6V aux bornes de l'alimentation 12V et 12.5V a l'entrée du plateau. J'ai testé un autre plateau avec l'alimentation 12V pour voir si elle n'avait pas un défaut. Ce plateau avait une résistance de 1.2 ohms, et l'alim a délivré 9A. Donc, l'alim fonctionne normalement. Je pense que finalement avec 3.4 ohms il est impossible d'avoir plus de 45W en 12V. Par contre, en 24V sous 3.4 ohms, j'obtiens environ 7A et 168 watts théorique, ce qui n'est pas illogique . Donc le problème viendrait de l'alimentation 24V, non ?. Ce que je ne comprends pas, c'est que je n'avais pas de problème d'alimentation du Bed avec la GT2560, et que sur le schéma il est alimenté en 12V. Bref, je patauge.. si l'autre plateau a une résistance de 1,2ohms et que celui qui te pose problème est de 3,4ohms (aux erreurs de lecture pres), c'est que le plateau à au moins une partie de sa résistance qui est coupée tout simplement rien à voir avec les alimentations 12 ou 24V si la carte mère plante, il est possible que lors de la chauffe,la coupure se transforme en court circuit à cause de la dilatation et ce serais ce court circuit qui fait tomber la tension en dessous du seuil de fonctionnement de la carte, de manière tellement brève que tu ne peu pas le voir. le plateau , hors tension, se recontracte, et ce court circuit fugitif devient invisible bref, change de plateau et passe à autre chose
medmed Posté(e) Février 7, 2022 Auteur Posté(e) Février 7, 2022 (modifié) il y a 29 minutes, Patrick76 a dit : si la carte mère plante, il est possible que lors de la chauffe,la coupure se transforme en court circuit à cause de la dilatation et ce serais ce court circuit qui fait tomber la tension en dessous du seuil de fonctionnement de la carte, de manière tellement brève que tu ne peu pas le voir. Je me suis peut-être mal exprimé . Le plateau a 1.2 ohms , n'a rien avoir avec un plateau geeetech. C'est le plateau de mon ancienne anet A8 . Donc rien avoir au niveau résistance. C'était juste pour tester l'alimentation 12v D'autre part, la carte mère ne plante pas. Le plantage a eu lieu seulement lorsque j'ai court-circuité les deux fils comme tu me l'as suggéré, nuance. Et il n'y a pas eu de dilation puisque qu'elle n'a pas eu le temps de chauffer. Pourquoi en 24V, en branchement normalement le bed la carte fonctionne normalement sans plantage. Le seul hic étant le sifflement de l'alimentation. Modifié (le) Février 7, 2022 par medmed
Invité Posté(e) Février 7, 2022 Posté(e) Février 7, 2022 si je résume, 1-il y a fonctionnement "normal" en 24V sauf un sifflement au niveau de l'alimentation 2-en 12V, le message d'erreur n'apparais qu’après un temps trop long de chauffe sans atteindre la température demandée point 1: le sifflement s'explique souvent par une puissance importante demandée par l'alimentation, normalement à découpage, donc le principe de ces alim est de transformer le courant alternatif 220V en courant continu, puis de le hacher a haute fréquence pour que le transfo 220v>12 ou 24V soit le plus petit et le plus performant possible en haute puissance , il reste un résidu 50hz qui redressé double alternance émet du 100hz et ses harmoniques qu'on peu entendre c'est donc un phénomene "normal" même si il est désagréable - en 12V, j'ai déjà expliquer qu'il doit y avoir une temporisation d'attente, qui si elle trop longue , envois une erreur vers l'utilisateur et stoppe la process
medmed Posté(e) Février 7, 2022 Auteur Posté(e) Février 7, 2022 Bien résumé. Donc pour toi ce petit sifflement de l'alimentation est normal ? Je ne l'avais pas avec la GT2560, mais la température du bed ne grimpait pas aussi vite. J'en conclu que je peux continuer le montage sans trop m'inquiété de ce sifflement.
medmed Posté(e) Février 8, 2022 Auteur Posté(e) Février 8, 2022 Ce 24V sollicitant trop l'alimentation a mon gout, j'ai opté pour une solution intermédiaire en mettant un abaisseur de tension que j'ai acheté sur amaz.. https://www.amazon.fr/gp/product/B08L8PY8Q8/ref=ppx_yo_dt_b_asin_title_o01_s00?ie=UTF8&psc=1 J'y trouve un double avantage. 1-Je sollicite moins l'alimentation en baissant la tension vers 19V 2- Je peux à ma guise régler la vitesse de chauffe du bed en jouant sur la tension. A ~19V le bed met environ 4: 30 mn pour atteindre 60° ce qui devait être à peu près le temps mis avec la carte GT2560. La consommation a la prise est d'environ 125/130watts A 20,3V le bed met environ 3: 30 mn pour atteindre 60° et la consommation à la prise commence à 150 watts, puis diminue à fur et à mesure que la température du bed monte pour se stabiliser vers 137 watts Je rappelle qu'à 24V le bed mettais environ 2 mn pour atteindre 60° J'ai ajouté un mosfet pour plus de sécurité. Me reste plus qu'à faire un montage propre...
vap38 Posté(e) Février 8, 2022 Posté(e) Février 8, 2022 (modifié) Salut @medmed pourquoi tu t'embête à alimenter ton bed en 24V ! je te propose de passer ton BED en alimentation 220 Volts c'est plus rapide et çà ne sollicite pas l'alimentation 24V. Le BED en 220V c'est très rapide en chauffe température 55° en moins de la minute . Le montage est facile il suffit d'un SSR 32 volts 220Volts et d'un tapis chauffant 220V 750W et c'est parti pour un câblage classique avec une protection par fusible. Le câblage sera réalisé en fils de section 0.75mm² en silicone pour la tenue mécanique en flexion. Je suis à ta disposition pour répondre à tes questions. Toutes mes Imprimantes TENLOG sont équipées en BED 220V c'est le top lit chauffant 220V SSR DC-AC 10A Modifié (le) Février 8, 2022 par vap38
medmed Posté(e) Février 8, 2022 Auteur Posté(e) Février 8, 2022 (modifié) Merci pour ton aide vap38. Mais je m'embête à vouloir alimenter le bed en 24V. J'essaie juste a trouvé une solution pour que le bed ne sollicite par trop mon alimentation avec ma nouvelle carte. Mon but n'est pas de faire chauffer plus moins vite de bed, mais préserver mon alimentation 24V. Mon alim est en 24V et la carte envoie du 24V au Bed. C'est comme ça, et je n'y peux rien. Je ne sais pas comment la GT2560 gérait l'alimentation du bed mais ce n'était pas du 24V, ça c'est certain. Modifié (le) Février 8, 2022 par medmed
vap38 Posté(e) Février 8, 2022 Posté(e) Février 8, 2022 Que penses-tu de l'alimentation du BED en 220V ? En ce moment j'essai de comprendre comment activer une bande de LEDS NEOPIXEL; la configuration de PWM5 me renvois sur la PIn 15. Je vais faire un essai de connexion si çà fonctionne Il faut bien s'occuper un peu de nos loisirs a+
medmed Posté(e) Février 8, 2022 Auteur Posté(e) Février 8, 2022 (modifié) Franchement utiliser du 220V, m'enchante guère. Je comprends bien que ma solution est bancal , mais ça fonctionne. N'étant pas électronicien, mais un simple bidouilleur, je me débrouille comme je peux, et ça m'occupe comme tu dis.. . Modifié (le) Février 8, 2022 par medmed
vap38 Posté(e) Février 8, 2022 Posté(e) Février 8, 2022 J'ai fait un essai avec la connectique Neopixel la barre de LEDS ne fonctionne pas ! j'ai pourtant attribué la bonne PIN 15 à PWM5 pas de résultat. Ma configuration est bonne dans Configuration.h et Configuration-adv.h le menu LED est bien présent mais pas d'éclairage. J'ai fait une connexion avec ARDUINO en direct sur Neaopixel çà fonctionne très bien. ce que je voulais c'est le fonctionnement avec la GT2560 mais il il y a un piège... je comprends que tu ais peur du 220V mais pas de soucis le châssis est bien connecté à ma terre... Ce qu'il faut utiliser c'est réaliser la connectique avec un maximum de composants de qualité. a+
medmed Posté(e) Février 8, 2022 Auteur Posté(e) Février 8, 2022 Pour ton problème de led, on en avait parlé sur mon topic TFT. regarde là..
vap38 Posté(e) Février 8, 2022 Posté(e) Février 8, 2022 Ok merci c'est bien ce que j'ai fait sans résultat hélas j'ai bien respecté le câblage et le firmware J'ai bien lu le tuto pour l'écran TFT c'est sympa comme solution Bravo !
medmed Posté(e) Février 9, 2022 Auteur Posté(e) Février 9, 2022 Merci.... Tu as bien décommenté "//#define NEOPIXEL_LED" dans "configuration.h" en mettant le bon pin un peu plus bas? //#define NEOPIXEL_LED #if ENABLED(NEOPIXEL_LED) #define NEOPIXEL_TYPE NEO_GRBW // NEO_GRBW / NEO_GRB - four/three channel driver type (defined in Adafruit_NeoPixel.h) #define NEOPIXEL_PIN 4 // LED driving pin
Savate Posté(e) Février 9, 2022 Posté(e) Février 9, 2022 Il y a 10 heures, vap38 a dit : Ma configuration est bonne dans Configuration.h et Configuration-adv.h le menu LED est bien présent mais pas d'éclairage. Salut @vap38, tu as combien de leds sur ta barre ? C'est bien du 5v (3fils + / - et commande) ? Tu alimentes comment le +5V ? tu peux poster la partie neopixel complète de ton configuration.h ?
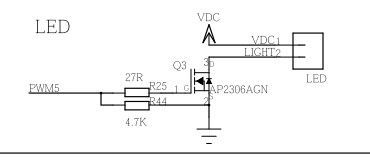
medmed Posté(e) Février 9, 2022 Auteur Posté(e) Février 9, 2022 Non, seulement 2 fils. Voici le schéma...
Savate Posté(e) Février 9, 2022 Posté(e) Février 9, 2022 il y a 5 minutes, medmed a dit : Non, seulement 2 fils. Voici le schéma... Ca c'est le circuit présent sur la carte mère, je parlais de la barre led elle se présente comment ? Pour du neopixel, je ne suis pas sur qu'utiliser une sortie pwm soit bien pratique, une simple sortie on/off 5v serait suffisante.
vap38 Posté(e) Février 9, 2022 Posté(e) Février 9, 2022 (modifié) Bonjour @medmed @Savate @nono71Si vous avez-connaissance de la configuration de la PIN PWM5 pour activer la sortie de la LED J20 sur la carte mère. La sortie est sur J20 en drain d'un Mosfet à 5 A connecteur 2 j'ai fait des recherches sur le NET pas de solution pour la GEEETECH A 10 J'ai fait un essai avec la connectique Neopixel la barre de LEDS ne fonctionne pas ! j'ai pourtant attribué la bonne PIN 15 à PWM5 pas de résultat.Ma configuration est bonne dans Configuration.h et Configuration-adv.h le menu LED est bien présent mais pas d'éclairage.J'ai fait une connexion avec ARDUINO en direct sur Neoopixel çà fonctionne très bien.ce que je voulais c'est le fonctionnement avec la GT2560 mais il il y a un piège... Ci-joint les configs si tu as un retour sur NEOPIXEL merci car nous sommes plusieurs à avoir essayé hélas. J'ai connecté le dispositif comme sur le schéma mais j'ai utilisé le +5volts de la carte mère ensuite le fil Data sur la pin light2 la pin 1 n'est pas utilisée car c'est du 24 volts.J'ai un gros doute sur l'affectation de la pin 15 pour PWM5 qui active le Mosfet Q3 ? je vais vérifier la table des Pins du CPU 2560 peut être que la version 3.0 de la carte mère est différente que la pin 15. J'ai fait une mesure avec mon oscilloscope sur la pin DATA de l'Arduino j'ai bien une tension data de 0.05mv crête à crête; nous voyons bien les paquets data du codage. La consommation totale de la bande de 60 leds est de 50 mA à 60mA sous Arduino et çà fonctionne sans condo ou résistance a+ Configuration_adv.h Configuration.h OK merci à tous voila je me réponds il n'y a pas d'affectation de la pin 15 PWM5 pour la GT2560 le code pin 15 de Marlin n'est pas affecté.pins_GT2560_REV_B_PLUS.hil suffit de regarder dans le fichier pas de présence de la pin 15 je ne sais pas si nous pouvons l'affecter nous même dans le fichier Pins_gt2560 ? Modifié (le) Février 9, 2022 par vap38
Savate Posté(e) Février 9, 2022 Posté(e) Février 9, 2022 @vap38je ne comprend pas comment est branché ta barre led, du neopixel 5v c'est censé ressembler à çà : avec 3 fils +5V, Data et GND Avec 60 leds, le +5V et le GND doivent être branchés sur une alimentation externe de 5v (en reliant les V- avec l'alimentation principale) ou sur un convertisseur 24v 5v assez puissant (le 5v de la carte mère n'est pas censé débiter autant de courant, même sur des cartes récentes du genre spider il est recommandé de ne pas dépasser 30 leds en utilisant le 5v interne. et le Data sur n'importe quel pin en sortie 5v de la carte mère (et si possible pas un pin avec mosfet) le data ne consomme rien du tout c'est juste une commande. Dans le fichier de définition de la GT2560 il y a #define LED_PIN 6//13 je partirai plutôt sur celui là (si il ne sert pas à autre chose). #define NEOPIXEL_LED #if ENABLED(NEOPIXEL_LED) #define NEOPIXEL_TYPE NEO_GRB // NEO_GRBW / NEO_GRB - four/three channel driver type (defined in Adafruit_NeoPixel.h) #define NEOPIXEL_PIN LED_PIN // LED driving pin #define NEOPIXEL_PIXELS 60 // Number of LEDs in the strip, larger of 2 strips if 2 neopixel strips are used #define NEOPIXEL_IS_SEQUENTIAL // Sequential display for temperature change - LED by LED. Disable to change all LEDs at once. #define NEOPIXEL_BRIGHTNESS 127 // Initial brightness (0-255) #define NEOPIXEL_STARTUP_TEST // Cycle through colors at startup // ça fait joli #endif
vap38 Posté(e) Février 9, 2022 Posté(e) Février 9, 2022 (modifié) Oui @Savate c'est bien comme cela que ma barre de LED est connectée ! attention la pin led ne correspond pas à PWM5. pourquoi changer l'affectation de la LED c'est une autre fonction à mon avis il suffit de regarder le schéma qui correspond à la pin26. la fonction LED est affecté à MCU c'est la led jaune qui clignote quand le firmware est en cours de chargement. Dans cette fonction il y a une différence entre le schéma officiel de la GT2560 et le code pin dans Marlin d'où une analyse différente des fonctions. Quel est la prise en charge de Marlin pour #define NEOPIXEL_PIN LED_PIN va-t-il prendre en compte le nom LED_PIN ou le numéro de la pin ? conclusion je pense que le schéma de la carte ne correspond pas aux fonctions attribuées dans marlin peut être je me trompe. Je ne sais pas si d'autres colistiers ont réalisé le montage mais je pense que la carte mère n'est pas adaptée avec le firmware.Bon je vais essayer de modifier Marlin si çà fume je ferai une photo. J'ai un gros doute de changer LED_PIN nota Marlin n'accepte pas #define NEOPIXEL_PIN LED_PIN çà plante Toutefois la consommation des leds est ridicule quelques milliampères nous verrons bien c'est ce que j'ai mesuré avec ARDUINO toutefois je vais alimenter avec un transfo externe en 5V Modifié (le) Février 9, 2022 par vap38
Savate Posté(e) Février 9, 2022 Posté(e) Février 9, 2022 (modifié) il y a 37 minutes, vap38 a dit : Toutefois la consommation des leds est ridicule quelques milliampères nous verrons bien c'est ce que j'ai mesuré avec ARDUINO Ridicule mais x60 ça commence à faire . Le courant max autorisé est encore plus ridicule sur le 5v des cartes mères. en général et sauf spécification contraire c'est 10 leds maximum sur le 5v fourni par la carte mère. Certaines cartes prévoient un adaptateur DC/DC pour autoriser jusqu'à 30 leds (SKR 1.4 par exemple) ou autorisent directement 30 leds (Octopus, Spider) il y a 37 minutes, vap38 a dit : #define NEOPIXEL_PIN LED_PIN va-t-il prendre en compte le nom LED_PIN ou le numéro de la pin ? LED_PIN sera remplacé à la compilation par la valeur définie dans le pins_GT256_REV_B_PLUS.h donc 6 Edit : Si tu n'as qu'un seul extruder, tu peux aussi utiliser les pins du stepper libre : E1_STEP_PIN ou E1_DIR_PIN ou E1_ENABLE_PIN ou si les endstop sont utilisables en sortie tu peux aussi utiliser les X_MAX_PIN ou Y_MAX_PIN qui ne sont normalement pas utilisés (plus simple à brancher). Modifié (le) Février 9, 2022 par Savate
vap38 Posté(e) Février 9, 2022 Posté(e) Février 9, 2022 J'ai refait tous les tests çà ne fonctionne toujours pas ! Marlin ne prends pas en compte #define NEOPIXEL_PIN LED_PIN Je pense que je vais abandonner le projet
medmed Posté(e) Février 9, 2022 Auteur Posté(e) Février 9, 2022 @Savate Exactement pour le pin 6 . L'assignement de la GT2560 V3.0 pinsGT2560.txt Ça renvoie à ça... Bref, c'est du latin pour moi...
Savate Posté(e) Février 9, 2022 Posté(e) Février 9, 2022 il y a 36 minutes, vap38 a dit : Je pense que je vais abandonner le projet ça vaut le coup d'essayer avec le X_MAX_PIN ou le Y_MAX_PIN il suffit de brancher le Data led sur le signal du X max ou du Y max Si le pin 6 correspond à la chauffe de l'extrudeur 0 c'est clair, ça ne peut pas marcher. il y a 22 minutes, medmed a dit : c'est du latin plutôt du Chinois
vap38 Posté(e) Février 9, 2022 Posté(e) Février 9, 2022 (modifié) je pense que je vais rajouter une ligne dans le Fichier PIn pour affecter PWM5 à la pin 15. J'ai tracé la gate du Mosfet Q3 j'ai bien la continuité à la pin 15, du CPU 2560 c'est déjà une bonne démarche. Je ne risque rien de d'affecter la pin 15 au CPU nous verrons bien ! J'ai trouvé le mappage du CPU 2560 la pin 15 correspond à la broche numérique 6 bizarre non !!!! il faut bien partir de la pin 15 qui est le lien électrique vers Q3 à mon avismappage cpu 2560 Modifié (le) Février 9, 2022 par vap38
Messages recommandés
Créer un compte ou se connecter pour commenter
Vous devez être membre afin de pouvoir déposer un commentaire
Créer un compte
Créez un compte sur notre communauté. C’est facile !
Créer un nouveau compteSe connecter
Vous avez déjà un compte ? Connectez-vous ici.
Connectez-vous maintenant