Dreaky Posté(e) Janvier 23, 2018 Posté(e) Janvier 23, 2018 (modifié) Bonjour à tous, Comme beaucoup, j'ai moi aussi entrepris de me fabriquer un caisson pour mon imprimante. J'ai grosso modo tout ce qu'il me faut, sauf pour la solution de ventilation du caisson de manière automatique. Je me suis largement inspiré du tuto de @Baroudeur pour la fabrication du caisson. Dans son tuto, il propose une solution de ventilation basée sur du 12V, en utilisant ce PID. J'ai vu ailleurs sur le forum que beaucoup ont choisi ce boîtier thermo-regulateur, lui basé sur du 220V. Etant donné qu'à terme, je veux tout câbler sur un octoprint (via relai pour allumage/extinction à distance de tout le bazar) avec une alim externe en 12V, je bute sur la solution à prendre. Avec le PID, il tourne en 12V mais le contrôle semble être fait pour des ventilos PWM (4 fils). Or les miens ne disposent que de trois fils (ceux là). La solution avec le thermo-régulateur, il sort du 220V, donc pas bon pour des ventilos sur 12V. A ceux qui ont déjà une solution en place, comment avez-vous procédé ? Votre solution est-elle compatible avec une installation full-pilotée via octoprint ? Merci d'avance pour votre retour Modifié (le) Janvier 23, 2018 par Dreaky
Baroudeur Posté(e) Janvier 23, 2018 Posté(e) Janvier 23, 2018 @Dreaky Je vais publier le branchement électrique du caisson, tout est géré grâce aux boutons en façade, mais aussi par Octoprint qui permet de gérer à distance les leds et la ventilation. Je n'ai pas eu le temps d'écrire la doc encore, ces temps ci je suis surbooké, mais je vais y travailler
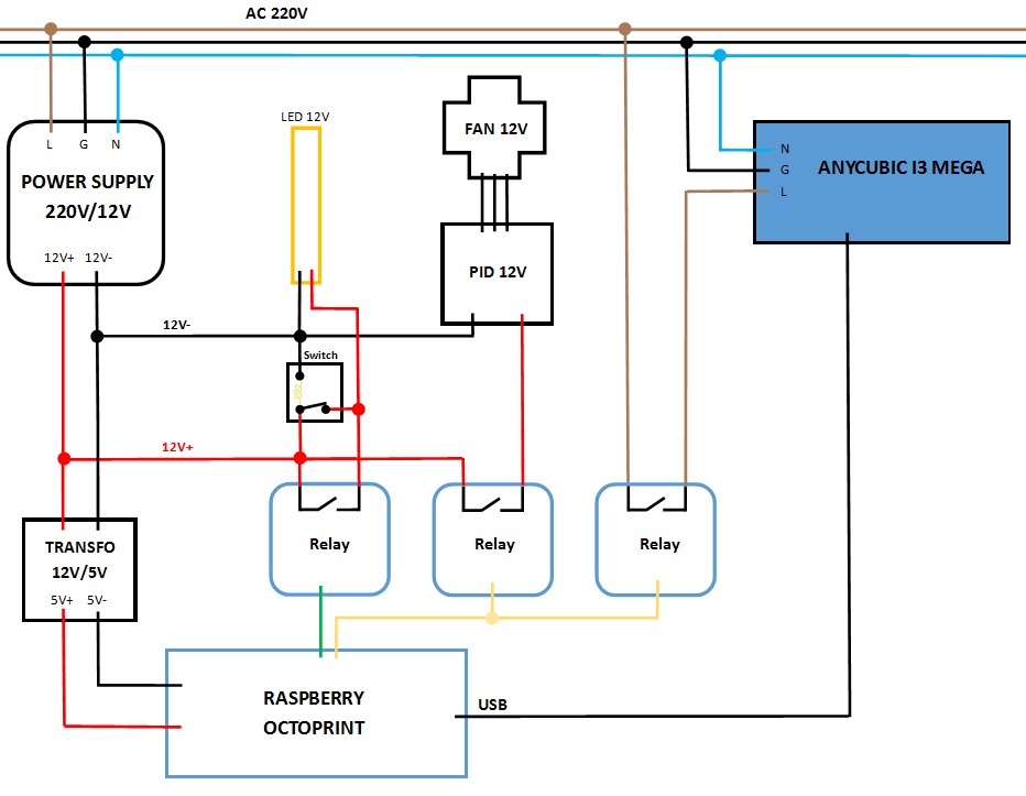
Dreaky Posté(e) Janvier 23, 2018 Auteur Posté(e) Janvier 23, 2018 J'ai esquissé un début de schéma. Déjà est-ce que mon schéma est correct dans l'état actuel ? Ensuite, il ne prends pas (encore) en compte les interrupteurs du tuto de @Baroudeur pour deux raisons : Est-ce que les interrupteurs sont censés court-circuiter l'état du raspberry/relais ? Autrement dit, si l'interrupteur est fermé, est-ce qu'il allume les leds quelque soit l'état du relais, même si le relais est ouvert ? Etant donné que les dits interrupteurs sont en 12V, je ne vois pas comment commander l'alimentation de l'imprimante sur mon schéma, car celle-ci étant alimentée sur le secteur 220V. Remarque : Sur mon schéma, la même sortie GPIO du raspberry (ligne jaune) commande à la fois le relais d'alimentation de l'imprimante, et celui du PID/Fan. Est-ce possible ? Y-a-t-il contre indication ? Car de mon point de vue, je pense qu'à partir du moment où l'imprimante est allumée, le pid/fans doivent l'être aussi. Je ne verrais pas l’intérêt de dissocier les deux commandes, ou bien j'ai loupé un truc ? Dernière question : la spec des relais annonce "5V" pour la commande, et "220VAC" pour le switch. Mais j'imagine que si on y câble du 12V côté switch, y'a pas de soucis ?
Dreaky Posté(e) Janvier 25, 2018 Auteur Posté(e) Janvier 25, 2018 Voici une nouvelle version du schéma, cette fois-ci comprenant un interrupteur pour actionner les leds. Quand l'interrupteur est fermé, cela court-circuite le relais, et allume les leds. Mais j'aimerais franchement l'avis d'un électronicien car je suis vraiment pas sûr de mon coup ^^ Merci d'avance
stef_ladefense Posté(e) Janvier 25, 2018 Posté(e) Janvier 25, 2018 Le 23/01/2018 at 10:25, Dreaky a dit : Bonjour à tous, Comme beaucoup, j'ai moi aussi entrepris de me fabriquer un caisson pour mon imprimante. J'ai grosso modo tout ce qu'il me faut, sauf pour la solution de ventilation du caisson de manière automatique. Je me suis largement inspiré du tuto de @Baroudeur pour la fabrication du caisson. Dans son tuto, il propose une solution de ventilation basée sur du 12V, en utilisant ce PID. J'ai vu ailleurs sur le forum que beaucoup ont choisi ce boîtier thermo-regulateur, lui basé sur du 220V. Etant donné qu'à terme, je veux tout câbler sur un octoprint (via relai pour allumage/extinction à distance de tout le bazar) avec une alim externe en 12V, je bute sur la solution à prendre. Avec le PID, il tourne en 12V mais le contrôle semble être fait pour des ventilos PWM (4 fils). Or les miens ne disposent que de trois fils (ceux là). La solution avec le thermo-régulateur, il sort du 220V, donc pas bon pour des ventilos sur 12V. A ceux qui ont déjà une solution en place, comment avez-vous procédé ? Votre solution est-elle compatible avec une installation full-pilotée via octoprint ? Merci d'avance pour votre retour salut, je réponds à ce que je connais : donc oui avec ce PID, il te faut dessus des ventilo 4 pins (PWM) un thermo regul 220v, tu actionne un relais et tu t'en sert pour commander tes ventilos 12v, mas c'est une régulation en tout ou rien, mais ça marche bien pour ton gpio0, oui tu peux commander en // plusieurs relais pas de soucis (avec une carte relais bien sur, pas directement la bobine 5v des relais ! ton schéma est presque bon, l'inter pour forcer l'allumage des leds, est juste monté en // sur le contact travail du relais de commande, MAIS IL NE DOIT PAS ETRE RELIER A LA MASSE d'ailleurs remarque, tes noirs alims sont des GND (zéro V), pas des -12V ou -5V voila
Yo' Posté(e) Janvier 25, 2018 Posté(e) Janvier 25, 2018 J'ai l'impression que l'inter possède un temoin allumé en permanence.
Dreaky Posté(e) Janvier 25, 2018 Auteur Posté(e) Janvier 25, 2018 il y a 26 minutes, stef_ladefense a dit : salut, je réponds à ce que je connais : donc oui avec ce PID, il te faut dessus des ventilo 4 pins (PWM) un thermo regul 220v, tu actionne un relais et tu t'en sert pour commander tes ventilos 12v, mas c'est une régulation en tout ou rien, mais ça marche bien pour ton gpio0, oui tu peux commander en // plusieurs relais pas de soucis (avec une carte relais bien sur, pas directement la bobine 5v des relais ! ton schéma est presque bon, l'inter pour forcer l'allumage des leds, est juste monté en // sur le contact travail du relais de commande, MAIS IL NE DOIT PAS ETRE RELIER A LA MASSE d'ailleurs remarque, tes noirs alims sont des GND (zéro V), pas des -12V ou -5V voila Merci pour tes explications. Du coup vu que j'ai déjà acheté mes ventilos (modèles pas PWM, trois fils donc) mais pas encore le PID ni le thermo-régul, je vais me tourner vers la solution "thermo-regul sur un relais 12V". Par contre je n'ai pas compris pourquoi l'interrupteur n'est pas censé être relié à la masse ? Etant donné que c'est un interrupteur qui lui même possède une petite led d'info (allumée quand interrupteur fermé, c'est ce que j'ai dessiné en jaune à l’intérieur du schéma du relais). cf https://www.amazon.fr/gp/product/B00D8WQEUW/ref=oh_aui_detailpage_o07_s00?ie=UTF8&psc=1 Effectivement je vais corriger pour le nommage du câble noir en "GND". Merci pour ton retour
Dreaky Posté(e) Janvier 25, 2018 Auteur Posté(e) Janvier 25, 2018 Il y a 1 heure, Yo' a dit : J'ai l'impression que l'inter possède un temoin allumé en permanence. Ah bien vu ! Le schema du "filament" de l'interrupteur doit en fait se positionner entre le pin du haut et le pin de droite ^^ Merci ^^
Baroudeur Posté(e) Janvier 25, 2018 Posté(e) Janvier 25, 2018 @Dreaky Pour les branchements des interrupteurs à voyant, va voir le 2ème pdf de cet article. Je suis en train de finaliser la documentation complète de tous les branchements, je vais la publier ce soir ou demain, suivant l'avancement 1
Baroudeur Posté(e) Janvier 25, 2018 Posté(e) Janvier 25, 2018 (modifié) @Dreaky Arg, je viens de regarder le 2ème pdf publié et effectivement, on ne voit pas le branchement des interrupteurs. Voici une version un peu plus avancée, la version complète n’arrivera que demain. Caisson Anycubic (en cours).pdf Modifié (le) Janvier 26, 2018 par Baroudeur
stef_ladefense Posté(e) Janvier 26, 2018 Posté(e) Janvier 26, 2018 de toute façon, attention avec les inters à voyants, toujours, je dis bien toujours les tester à l’ohmmètre avant de les câbler, car l'inter peut etre sur les extrêmes et le voyant au centre, comme le voyant d'un coté, il n'y a aucune règle pour ça
Romain Contant Posté(e) Mai 19, 2020 Posté(e) Mai 19, 2020 @Baroudeur le sujet date un peux 2018 ^^ ou en est tu sur ton caisson ? As tu fais des améliorations ?
Baroudeur Posté(e) Mai 19, 2020 Posté(e) Mai 19, 2020 Salut Romain Non pas vraiment, il me va comme ça. J'ai juste mis la bobine de filament sous l'imprimante, j'ai fais des modifs sur l'imprimante elle même
Messages recommandés
Créer un compte ou se connecter pour commenter
Vous devez être membre afin de pouvoir déposer un commentaire
Créer un compte
Créez un compte sur notre communauté. C’est facile !
Créer un nouveau compteSe connecter
Vous avez déjà un compte ? Connectez-vous ici.
Connectez-vous maintenant