pascal_lb Posté(e) Février 4, 2018 Posté(e) Février 4, 2018 je pense que vous vous perdez dans vos réflexions... un capteur fonctionne de cette manière, il y a une arrivée en 12V + et - et vous avez un fil généralement noir qui soit est activé ou désactivé au repos lorsqu'il détecte un objet, (on va dire qu'il est désactivé au repos) il alimente le fil noir en 12v... le problème c'est qu'il faut moins de 5v à l'entrée sur la carte pour qu'elle comprenne qu'elle doit faire quelque chose... Je n'ai pas de solution toute faite, mais le système des 2 résistances est très aléatoire, ça peut fonctionner comme ne pas fonctionner car le voltage en sortie n'est pas stable
lion02 Posté(e) Février 4, 2018 Posté(e) Février 4, 2018 Bonsoir, Voir pour remplacer le pont de resistance par un régulateur 5V . lion02
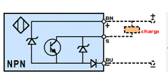
DBC3D Posté(e) Février 5, 2018 Posté(e) Février 5, 2018 Hello Normalement, on n'utilise pas de diviseur de tension avec un capteur NPN, on utilise une diode, c'est la solution la plus propre. Si le capteur est un PNP, là oui par contre, on utilise un diviseur de tension. C'est ce qui est référencé pour une Duet, mais c'est valable pour les autres cartes (https://duet3d.com/wiki/Connecting_a_Z_probe#NPN_output_normally-open_inductive_or_capacitive_sensor) Pour le NC/NO, il faut juste inverser au besoin le "ENDSTOP_INVERTING" correspondant dans Marlin. Certains disent qu'avec un NPN, on peut se contenter de ne rien mettre du tout. C'est vrai et faux en même temps. Si le capteur contient une résistance de pullup, c'est faux, puisqu'il enverra du 12V quand il est ouvert (et ça induit d'ailleurs aussi des valeurs imprévues au niveau théorique avec un diviseur de tension, puisqu'il faudrait prendre en compte cette résistance dans le calcul) . S'il n'en contient pas, ça devrait être bon. La diode marche tout le temps donc bon, autant prendre cette solution et ne pas se perdre dans les datasheets des capteurs.
Jean-Claude Garnier Posté(e) Février 5, 2018 Auteur Posté(e) Février 5, 2018 Bonjour @ceux que ça intéresse ! Alors voilà où j'en suis (02/02/18) J'ai bien compris la suggestion de @hidius Le 02/02/2018 at 10:38, hidius a dit : A la base, le endstop est un simple contact sec, donc sans différence de potentiel. Du coup avec vos 12v a la sortie de votre capteur, pourquoi ne pas utiliser un optocoupleur ? Moi je n'ai pas les "outils intellectuels" nécessaire à sa mise en oeuvre (chacun ses compétences) alors je me suis dit "pourquoi pas essayer avec un bête relais comme celui-ci : Ça je sais faire. Je pensais que : les 12 volts en sortie de palpeur sur la bobine, contact sec à l'autre bout vers la prise endstop ça devrait l'faire... Que nenni...... la sortie de palpeur n'est pas assez puissante pour exciter la bobine ! Retour à la case départ. GNFFFFFF !!!!!! PS : un petit merci au passage à ceux qui ont pris la peine de participer : @DBC3D pour les liens, @lion02, @hidius, @Theopaul et @pascal_lb pour sa patience
Jean-Claude Garnier Posté(e) Février 5, 2018 Auteur Posté(e) Février 5, 2018 Bin ouais, je trouvais aussi ! Il y a 17 heures, lion02 a dit : .. /.. Voir pour remplacer le pont de résistances par un régulateur 5V . @lion02, merci, tu es sûr de ton coup, tu l'as déjà fait ou c'est juste une supputation ? Et Lézôtre, caisse qui z'en pensent ?
lion02 Posté(e) Février 5, 2018 Posté(e) Février 5, 2018 Bonsoir, Petit montage a essayer.................... Resistance de 10K à l'entrée, l'une ou l'autre en fonction de ton capteur NPN ou PNP. 12v en entrée = 5V en sortie 0V en entrée = 0 V en sortie lion02
Theopaul Posté(e) Février 5, 2018 Posté(e) Février 5, 2018 Bon, pour mon cas, ça fonctionne, il fallait que je ré adresse mon capteur dans le dossier pin.h, maintenant, il me reste le dur chemin que sont les réglages. J'ai parlé a mon prof d’électronique analogique, d'après lui, pas de montage bien compliqué a installer pour le bedleveling. Le plus compliqué est dans le programme, du moment ou on a bien 5V que le capteur est fermé, pas besoins de chercher plus, c'est dans marlin, repetier ou autre programme. Ne connaissant pas les cas de tout le monde, et les détails, j'ai posé des questions globales, j’espère que vous trouverez des solutions a vos problèmes
pascal_lb Posté(e) Février 6, 2018 Posté(e) Février 6, 2018 bon là on parle vraiment d'électronique, je passe le sujet dans la section électronique, c'est plus approprié
Jean-Claude Garnier Posté(e) Février 6, 2018 Auteur Posté(e) Février 6, 2018 Bonsoir à tous, @lion02 Je suis persuadé comme @hidius qu'en ce qui concerne la carte GT2560, il n'y a pas besoin de 5Volts, et qu'un contact sec devrait suffire. Avec mon idée de relais, j'y étais presque. Mon palpeur "sort" 300 Milliampères sous 11.75 Volts ce qui est insuffisant pour attaquer la bobine du relais que j'avais. Ct'aprèm, je suis allé en chercher un autre, un tout petit, >> celui-là << Je le monte avec mille précautions, je teste...... Pas mieux ! Je lui envoie du vrai bon 12 Volts (pour voir)... ça commute au poil. Je crois que je vais me diriger vers une solution avec optocoupleur. Le problème c'est que j'y vais au pif, sans vraiment comprendre. J'ai trouvé ça :
rmlc460 Posté(e) Février 6, 2018 Posté(e) Février 6, 2018 Salut, Je me marre bien à la lecture de ce post!!! Non pas parce que je me moque, pas du tout, mais parce que j'ai l'impression, @Jean-Claude Garnier, qu'on a le même défaut tous les deux: pour l'électricité, pas de problème, on sait faire. Mais pour l'électronique, on a l'air d'avoir loupé quelques marches! En tous cas, ça fait du bien de savoir qu'on n'est pas tout seul à se dire "j'y pète rien, il me manque les bases". Et du coup, il n'y a rien de plus frustrant (les optimistes diront formateur) que d'avoir à s'adapter en galérant!! Tiens, une idée à la noix: tu n'as pas assez de puissance pour attaquer ton relais. mets y un genre de mosfet tout fait aux fesses, pour lui donner la pêche. Après tout, c'est ce qui est utilisé pour les lits chauffants.
hidius Posté(e) Février 7, 2018 Posté(e) Février 7, 2018 De toute façon, un relais n'est pas assez reactif. Je ne suis pas assez calé en electronique pour valider tes schéma mais ça a l'air pas mal
hidius Posté(e) Février 7, 2018 Posté(e) Février 7, 2018 (modifié) Curieux de nature, @Jean-Claude Garnier, pourquoi tu as choisi un capteur capacitif au lieu d'un capteur pointeau (bltouch/3dtouch), sachant que le capteur pointeau est "réputé" plus précis et moins sensible a la chaleur et que nos cartes sont faites pour le recevoir ? Modifié (le) Février 7, 2018 par hidius
Jean-Claude Garnier Posté(e) Février 7, 2018 Auteur Posté(e) Février 7, 2018 @hidius (curieux, comme QRZ.... c'est sûrement très exagéré, en plusse) il y a une heure, hidius a dit : .. /.. pourquoi tu as choisi un capteur capacitif au lieu d'un capteur pointeau.... Sûrement encore un vestige de mon passé machine-outil
Jean-Claude Garnier Posté(e) Février 9, 2018 Auteur Posté(e) Février 9, 2018 (modifié) Bonsoir à tous Enfin ça marche (avec un mini relais ultrarapide : pas besoin d'optocoupleur) Voici : Je reviendrai indiquer les modifs à faire dans le Marlin. Modifié (le) Février 9, 2018 par Jean-Claude Garnier
hidius Posté(e) Février 11, 2018 Posté(e) Février 11, 2018 est ce que tu pourrais faire un test de de répétibilité histoire de voir ce que ca donne avec un relais comme celui ci stp ? M48 P10 V4 X100 Y100 Perso, j'ai commencé a avoir des soucis avec le 3Dtouch, je suis revenu au endstop standard pour le moment. C'est pas la techno en cause dans mon cas mais plutot le coté bas de gamme du 3Dtouch je pense.
Jean-Claude Garnier Posté(e) Février 11, 2018 Auteur Posté(e) Février 11, 2018 @hidius M48 P10 V4 X100 Y100 ça passe pas dans Repetier G28 z , ça passe mais P10 V4 y s'en fout Shoot again, same player
Jean-Claude Garnier Posté(e) Février 11, 2018 Auteur Posté(e) Février 11, 2018 @hidius Au passage tu peux regarder (pour indication) dans ton Marlin caisse qu'y a là : #define ABL_PROBE_PT_1_X 20 #define ABL_PROBE_PT_1_Y 0 #define ABL_PROBE_PT_2_X 20 #define ABL_PROBE_PT_2_Y 125 #define ABL_PROBE_PT_3_X 196 #define ABL_PROBE_PT_3_Y 45 J'ai bien vérifié que le palpoir puisse aller à ces points, mais j'ai toujours ABL_PROBE_PT_3_X can't be reached by the Z probe
hidius Posté(e) Février 11, 2018 Posté(e) Février 11, 2018 Ceci ne doit pas etre activé dans ton Marlin, T’embêtes pas a téléverser juste pour ce test ;). Meme si ca permet de valider la précision de ton autolevel. // Enable the M48 repeatability test to test probe accuracy #define Z_MIN_PROBE_REPEATABILITY_TEST J'utilisai un autolevel "LINEAR", ses paramètres sont donc par defaut chez moi. Dans ce post j'explique les zones de palpage en fonction de tes offsets , ca peut t'aider je pense. Et ceci doit être désactivé imperativement. //#define BED_CENTER_AT_0_0 N'hesites pas a donner tes trois "PROBE_OFFSET_FROM_EXTRUDER si tu t'en sors pas.
Jean-Claude Garnier Posté(e) Février 11, 2018 Auteur Posté(e) Février 11, 2018 Il y a 9 heures, hidius a dit : est ce que tu pourrais faire un test de de répétibilité histoire de voir ce que ca donne avec un relais comme celui ci stp ? M48 P10 V4 X100 Y100 Voilà, yaka demander : Citation 19:48:13.448 : 1 of 10: z: -0.145 mean: -0.1453 sigma: 0.000000 min: -0.145 max: -0.145 range: 0.000 19:48:14.505 : 2 of 10: z: -0.144 mean: -0.1445 sigma: 0.000781 min: -0.145 max: -0.144 range: 0.002 19:48:15.560 : 3 of 10: z: -0.139 mean: -0.1426 sigma: 0.002835 min: -0.145 max: -0.139 range: 0.007 19:48:16.615 : 4 of 10: z: -0.138 mean: -0.1415 sigma: 0.003080 min: -0.145 max: -0.138 range: 0.007 19:48:17.657 : 5 of 10: z: -0.136 mean: -0.1405 sigma: 0.003446 min: -0.145 max: -0.136 range: 0.009 19:48:18.710 : 6 of 10: z: -0.132 mean: -0.1391 sigma: 0.004448 min: -0.145 max: -0.132 range: 0.013 19:48:19.771 : 7 of 10: z: -0.132 mean: -0.1381 sigma: 0.004729 min: -0.145 max: -0.132 range: 0.013 19:48:20.811 : 8 of 10: z: -0.128 mean: -0.1368 sigma: 0.005599 min: -0.145 max: -0.128 range: 0.018 19:48:21.873 : 9 of 10: z: -0.128 mean: -0.1358 sigma: 0.006001 min: -0.145 max: -0.128 range: 0.018 19:48:22.924 : 10 of 10: z: -0.128 mean: -0.1350 sigma: 0.006142 min: -0.145 max: -0.128 range: 0.018 19:48:25.038 : Finished! 19:48:25.038 : Mean: -0.135039 Min: -0.145 Max: -0.128 Range: 0.018 19:48:25.038 : Standard Deviation: 0.006142 Voilà voilà, On reste dans les 2 centièmes de mm. Perso je trouve que pour un p'tit pays comme là, c'est pas si mal. Caisse t'en penses ?
Jean-Claude Garnier Posté(e) Février 16, 2018 Auteur Posté(e) Février 16, 2018 @pascal_lb Peux-tu STP changer l'intitulé de ce post en : [Résolu] Montage capteur capacitif Merci
pascal_lb Posté(e) Février 16, 2018 Posté(e) Février 16, 2018 Il y a 16 heures, Jean-Claude Garnier a dit : Peux-tu STP changer l'intitulé de ce post en : [Résolu] Montage capteur capacitif c'est fait
Messages recommandés
Créer un compte ou se connecter pour commenter
Vous devez être membre afin de pouvoir déposer un commentaire
Créer un compte
Créez un compte sur notre communauté. C’est facile !
Créer un nouveau compteSe connecter
Vous avez déjà un compte ? Connectez-vous ici.
Connectez-vous maintenant