Janpolanton Posté(e) Mars 24, 2018 Posté(e) Mars 24, 2018 Montrer quel schéma, je n'ai pas suivi le sujet? J'y ai jeté un œil parce que j'étais cité. Par contre j'ai déjà répondu à @mikebzh44 sur ce module optocoupleur. De plus je ne me suis pas intéressé à ce genre de capteur tout simplement parce que je ne vais pas en installer. J'ai 2 ou 3 projets d'auto leveling dont un basé sur des FSR ( Force-Sensing-Resistor ) DIY mais aucun sur capteur capacitif ou inductif.
Maeke Posté(e) Mars 24, 2018 Posté(e) Mars 24, 2018 Comment toi tu relierais le capteur capacitif 18mm sur la carte Anet, sur le plan électronique.
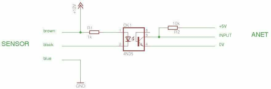
Janpolanton Posté(e) Mars 24, 2018 Posté(e) Mars 24, 2018 Ça dépend du type de capteur qu'il va commander. Si c'est un capteur avec une sortie NPN / NO il faut se référer à ce schéma : Tout est bien expliqué sur le 3D wiki : https://3dprint.wiki/reprap/anet/a8/improvement/autobedleveling
pataboat Posté(e) Mars 24, 2018 Posté(e) Mars 24, 2018 (modifié) merci de vos réponses Oui il s'agit bien d'un capteur NPN / NO ( LJC18A3-H-Z/BX) que je viens de commander pour livraison mardi Modifié (le) Mars 24, 2018 par pataboat
Maeke Posté(e) Mars 24, 2018 Posté(e) Mars 24, 2018 (modifié) il y a 2 minutes, pataboat a dit : merci de vos réponses Oui il s'agit bien d'un capteur NPN / NO (LJC18A3-H-Z/BX) que je viens de commander pour livraison mardi ton lien renvois sur une page générale d'amazon.fr, pas sur le capteur. Mais bon, c'est celui-là: Modifié (le) Mars 24, 2018 par Maeke
Maeke Posté(e) Mars 24, 2018 Posté(e) Mars 24, 2018 Bon, c'est une autre marque, mais c'est le "même" capteur (clone de clone de.....)
pataboat Posté(e) Mars 24, 2018 Posté(e) Mars 24, 2018 (modifié) Je suis en train d'imprimer ce support (qui est à droite de l'extruder, je sais pas si c'est mieux) repéré par @mikebzh44 https://www.thingiverse.com/thing:2739654 les offsets sont fournis et avec le stl il y a la config.h et + Modifié (le) Mars 24, 2018 par pataboat
pataboat Posté(e) Mars 24, 2018 Posté(e) Mars 24, 2018 il y a 3 minutes, Maeke a dit : Bon, c'est une autre marque, mais c'est le "même" capteur (clone de clone de.....) Bien souvent il n'y a que l'étiquette de la marque qui change
Maeke Posté(e) Mars 24, 2018 Posté(e) Mars 24, 2018 il y a 1 minute, pataboat a dit : Bien souvent il n'y a que l'étiquette de la marque qui change oui, d'où le "clone de clone de..."
pataboat Posté(e) Mars 24, 2018 Posté(e) Mars 24, 2018 Le gars semble l'avoir installé directement donc en 5v
Janpolanton Posté(e) Mars 24, 2018 Posté(e) Mars 24, 2018 Ton capteur est donné pour une plage de tension de 6 à 36V, alimente le en 12V comme tu l'avais prévu. Ce n'est pas parce que son capteur fonctionne sous 5V que le tien fonctionnera aussi
Maeke Posté(e) Mars 24, 2018 Posté(e) Mars 24, 2018 Oui il existe une version précise du 18mm inductif qui fonctionne en 5V mais les autres 18mm inductifs et les 18mm capacitifs ont besoin d'au minimum 6V.
pataboat Posté(e) Mars 24, 2018 Posté(e) Mars 24, 2018 (modifié) Dac ! si l'optocoupleur pingpong ne convenait pas j'ai retrouvé le tien https://www.core-general.top/levelshift-v1xygax-optocoupler-pcb-for-npn-autolevel-sensor-inc-anetmks-jst-p-8785.html Modifié (le) Mars 24, 2018 par pataboat
Maeke Posté(e) Mars 24, 2018 Posté(e) Mars 24, 2018 (modifié) Oui, mais il n'est plus en stock, à moins que le listing ne soit pas à jour. PS: @pataboat fin du mystère de la photo, il s'agit de la A8 personnelle du développeur de skynet, avec un top acrylique refait pour l'écran de la A6 (qui est d'ailleurs monté et fonctionnel) + une carte spéciale le smartswitch de xygax. https://www.directstore.top/smartswitch-by-xygax-full-version-universal-3d-printer-safety-device-p-797.html Modifié (le) Mars 24, 2018 par Maeke
pataboat Posté(e) Mars 24, 2018 Posté(e) Mars 24, 2018 ha oui évidemment ! là on joue pas dans la même cour ! 1
Messages recommandés
Créer un compte ou se connecter pour commenter
Vous devez être membre afin de pouvoir déposer un commentaire
Créer un compte
Créez un compte sur notre communauté. C’est facile !
Créer un nouveau compteSe connecter
Vous avez déjà un compte ? Connectez-vous ici.
Connectez-vous maintenant