Aller au contenu
imprimante 3D bambu lab pas chère

Messages recommandés

Posté(e) (modifié)

Bonjour,

Suite à un télé versement de la mise à jour de MARLIN V1.19 qui ne fonctionne pas ! sur ma GEEETECH A10M j'ai perdu accidentellement le boot loader de la GT2560 V3 ?

Voici j'ai cherché sur le net, pas de tuto ou procédure de récupération du boot loader.
Il me faut restaurer le boot loader avec un ARDUINO UNO configuré en ICSP.
Mais voilà je ne trouve pas de PIN ou de connectique  ICSP sur la carte GT2560. (comment font les Chinois ???)
Je ne veux pas me lancer à réaliser des micros soudures au risque d'endommager la main bord 2560 V3 de l’imprimante GEEETECH A10M.

J'ai la solution pour réaliser le câblage de l'ICSP j'ai commandé ceci pour me connecter sur un module externe me permettant de réaliser des soudures propres sans générer des décharges électrostatiques sur la GT2560.
Après environ 3 semaines, j'ai enfin reçu la nappe conductrice 40 pins x0.5 mm et le connecteur de la nappe qui va bien!

les fournitures ici
la nappe 40 pins https://www.ebay.fr/itm/250-mm-0-5-mm-à-40-broches-FPC-fil-FFC-Câble-nappe-plat-Flexible/352316919613?ssPageName=STRK%3AMEBIDX%3AIT&_trksid=p2060353.m2749.l2649

la carte de liaison  https://www.ebay.fr/itm/1Pcs-40Pin-0-5Mm-Ffc-Fpc-To-40P-Dip-2-54Mm-Pcb-Converter-Board-Adapter/352800587957?ssPageName=STRK%3AMEBIDX%3AIT&_trksid=p2060353.m2749.l2649

Utilisez 6 fils de couleurs  liaisons de la prise ICSP vers la carte de 40 pins cette carte est reliée par la nappe sur la carte mère 2560 V3 GEEETECH
 ARDUINO      liaisons    CONNETEUR 40 PINS
 Reset 10      Fil blanc                           18
MOSI 11       Fil jaune                            31
MISO 12       Fil noir                               33
SCK   13       Fil rouge                            32
5V                 Fil rouge                          1et2
GND              Fil noir                           38-39-10

Ici j’ai utilisé des fiches 3 points  pré câblées issues du câblage de servo moteur.  
En conclusion vous avez deux options de câblages soit sur la prise ICSP ou dans les pins femelles de l’Arduino c’est identique.


J'ai utilisé un Arduino Uno pour réaliser le BOOTLOADER sur la carte 2560 V3.
La connectique est simple il suffit de souder 6 fils sur le connecteur et de réaliser le lien vers la prise ISP de l'Arduino.
Remarque il faut relier le reset de la carte mère pin 18 vers la pin 10 de l'Arduino uniquement (important).

image.png.23971fd1fb986ebb00d1b9a2147eb855.png

Autre option si vous n’utilisez pas la prise ICSP vous pouvez utiliser des liens fils à fils pour les jonctions suivantes sur la carte Arduino
MOSI pin 11- MISO pin 12-SCK pin 13-  RESET pin 10


Etape 1 : Ensuite il faut charger la carte Arduino en émulateur ICSP dans , ensuite choisir comme CPU Atmega 2560 et sélectionner dans l'interface Arduino  (programmeur as ICSP)
vous trouverez l’émulation ICSP dans le menu exemple choix 11 sélectionner Arduino ISP
Etape 2 :  bien vérifier son câblage avec le reset  sur la pin 10 de l'Arduino.
Etape 3 :  sélectionner (graver la séquence d'initialisation dans le menu outil de Arduino)


Ouf çà fonctionne du premier coup !
Après la restauration du boot loader j'ai télé versé à nouveau Marlin 1.18 sans aucun problème.

Il suffit de bien respecter le câblage et surtout connecter le reset de la carte mère 18 vers la pin 10 de l'Arduino autrement çà ne fonctionne pas!

 

image.png.6d2c7e80f636c132fe275505b6877d69.pngimage.png.af6d1acb19dc8beb36b66097bd03770b.pngimage.png.152c0264709f1c3d2a2a513436dc6d56.png

Modifié (le) par vap38
  • Merci ! 3
  • 3 months later...
Posté(e) (modifié)

Bonjour

j'ai planter ma carte suite a mise a jour

pour souder les fils sur nappe 40 pins je comprend pas tres bien sur la photo les fils sont souder sur 39/40 dans le descriptif c'est 38/39/10 pourriez vous m'eclairer SVP

le 10 corespond a quoi pourriez vous m envoyer photo des fils souder sur la nappe des deux coté je joint mon adresse mail

je suis en galere merci de maider

<EDIT> adresse mail supprimée pour éviter tout pourriel </fin>

Modifié (le) par fran6p
adresse mail dans le sujet
Posté(e) (modifié)

Bonjour,

La connectique de la masse - correspond soit à 38 ou 39 40 peut importe du moment ou un fil est connecté au commun négatif. fil noir.
le fil blanc doit être connecté  à la pin 10 de l'Arduino c'est le reset.

rien de bien compliqué il suffit de respecter cet ordre
Je confirme que le câblage est correct  le dispositif fonctionne 😀

 ARDUINO      liaisons    CONNETEUR 40 PINS
 Reset 10      Fil blanc                           18  reset vers Arduino
MOSI 11       Fil jaune                            31
MISO 12       Fil noir                               33
SCK   13       Fil rouge                            32
5V                 Fil rouge                          1et2
GND              Fil noir                           38-39- 40-10 les 4 pins sont le moins négatif

connectique Arduino MOSI pin 11-     MISO pin 12-     SCK pin 13-      RESET pin 10 de l'Arduino

au total 6 fils connectés

ci-joint la photo du connecteur au verso

image.thumb.jpeg.d7522d3b0618d35c357c42a636d84ea6.jpeg

 

la connectique de l'Arduino ICSP

Résultat de recherche d'images pour "icsp arduino connectique"


a+

Modifié (le) par vap38
Posté(e) (modifié)

image.thumb.png.db56281fd913f044401225511a451b6c.png

Voici en complément les schémas de la carte GT 2560GT2560_V3.0_SCH(1).pdf

image.thumb.png.db56281fd913f044401225511a451b6c.png

Modifié (le) par vap38
Posté(e)

2560 b.png

Posté(e)

ok merci pour la reponse pour le boot loader je peut trouver ou ansi que la procedure pour le mettre en place

 

a tu une adresse pour acheter l'arduino que faut il prendre

Salutations

 

Modération Yo' : messages fusionnés

  • 1 year later...
Posté(e)

Bonsoir messieurs, pourriez vous m'indiquer si cette méthode est valable pour la MEGA GT2560V4,

car j'ai plus d'affichage sur mon écran, suite à une mise à jour, et je pense que le bootloader est HS.

de plus, je trouve bien la nappe, mais pour la carte, le liens est mort chez Ebay, auriez vous les caractéristique complet de la carte 

je suis prêt à envoyer ma CM si besoin, ou même acheté une de vos carte.

merci de votre réponse.

Posté(e)

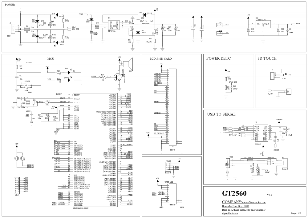
Il doit être possible de récupérer les signaux ICSP (Mosi, Mios, …) sur le connecteur prévu pour l'écran (réf : https://www.geeetech.com/download.html?version_id=454 ). Connecteur écran, extrait du schéma de la carte :

790499536_gt2560v4-schma-cran.jpg.0cb3b757009156383b0c0439142e211f.jpg

🙂

  • J'aime 1
Posté(e)

@james27400 voici le lien du PCB adaptateur 40 Pins adaptateur PCB 40 Pins après la mise en œuvre il faut utiliser L'IDE ARDUINO et téléverser par un ARDUINO connecté au PCB 40 PINS et téléverser le bootloader en configuration ICSP de l'arduino.
Voilà çà parait complexe  mais réalisable.
a+

Posté(e) (modifié)
il y a 26 minutes, vap38 a dit :

@james27400 voici le lien du PCB adaptateur 40 Pins adaptateur PCB 40 Pins après la mise en œuvre il faut utiliser L'IDE ARDUINO et téléverser par un ARDUINO connecté au PCB 40 PINS et téléverser le bootloader en configuration ICSP de l'arduino.
Voilà çà parait complexe  mais réalisable.
a+

OK, merci, c'est dans ma liste avec la nappe 😉

Arduino UNO R3 Commandé également

Modifié (le) par james27400
Posté(e)

ok @james27400 tu vas sans doute être très satisfait quand tu auras réussi la procédure.
Comme étant électronicien de la première génération j'apprends tous les jours avec les micropros..
J'essaie de comprendre mais parfois j'ai aussi besoin d'une aide c'est l'idéal un forum pour çà  un petit cœur pour le FUN.
a+

  • J'aime 1
Posté(e) (modifié)

La GT2560V4 n'a pas le connecteur en nappe de ta V3 ( @vap38) en tout cas la dernière que j'ai vu et pour laquelle j'ai aidé son propriétaire ( @muller) à installer son firmware Marlin (v2.0.9.2). C'est la raison pour laquelle j'indique @james27400 comment le faire à partir du connecteur écran (20 broches).

🙂

Modifié (le) par fran6p
  • J'aime 1
Posté(e)

ok @james27400 autant pour moi j'avais Zappé la version V4 qui comporte un cordon écran 20 broches (dont c'est plus facile à insérer les câbles)il suffit de reprendre le schéma de la connectique de l'écran que je ne détiens pas hélas à moins d'avoir des marquages sur l'écran en sérigraphie ! il est toujours possible de se reporter sur la prise ICSP de la 2560.
C'est encore une recherche complémentaire 😃
A+

  • J'aime 1
Posté(e) (modifié)
il y a 6 minutes, vap38 a dit :

C'est encore une recherche complémentaire

Il suffit de remonter de quelques posts pour trouver ce schéma 😉 mais pour éviter cette «recherche» je le remets ici :

790499536_gt2560v4-schma-cran.jpg.0cb3b757009156383b0c0439142e211f.jpg

Une clé USBAVR-ISP est plus confortable d'utilisation que l'Arduino mais ce n'est que ma préférence (en plus ça occupe moins de place mais l'Arduino pourra être utilisé pour d'autres choses). J'espère que @james27400n'a pas encore validé son panier d'achats 🤔

🙂

Modifié (le) par fran6p
  • J'aime 1
Posté(e)

Merci @fran6p trop cool c'est encore plus facile le câblage ... tu as le lien pour cette clé USBAVR-ISP ?

Posté(e) (modifié)

La dernière que j'en avais achetée une, c'était chez @Fourmi( https://www.hotends.fr/fr/accueil/74-usbasp.html ) sinon on en trouve à foison sur ebay.fr ou autre site distant.

Pour qu'elle soit reconnue avec Windows, le logiciel Zadig est bien pratique.

J'avais fait un document pour flasher sur une carte Melzi (Atmega1284p) à l’aide du programme ProgISP mais on doit également puvoir flasher un firmware au format binaire (.hex) avec Xloader (Interface «clicodrome» à avrdude). Je le remets ici => Installer-via-USBASP et ProgISP.pdf

Le site de hotends.fr, fournit également une documentation et le lien vers Zadig 😉

🙂

Modifié (le) par fran6p
  • J'aime 1
Posté(e) (modifié)

Merci Fran6P, 

Il y a 8 heures, fran6p a dit :

J'espère que @james27400n'a pas encore validé son panier d'achats 🤔

c'est pas grave, je l'utiliserais pour autres choses si besoin.

sur ton schéma 

790499536_gt2560v4-schma-cran.jpg.0cb3b757009156383b0c0439142e211f.jpg

USBASP-ISP   MEGA GT2560 V4
Connecteur ISP   Connecteur J4
1   ==>   13
2   ==>   1
3   ==>   14
4   ==>   12
5   ==>   10
6   ==>   2

Merci vap38,

Avec les informations que vous me donner, j'ai vrais envie de faire ce rechargement du BL.


j'ai donc commander la carte usbaps, par contre, le connecteur 20 Broches, c'est toujours celui de l'écran, nommé J4 sur le schéma et que j'ai trouvé sur la carte MEGA 2560 V4 ?

Modifié (le) par james27400
Posté(e)
il y a 24 minutes, james27400 a dit :

le connecteur 20 Broches, c'est toujours celui de l'écran

Oui, ça l'est.

Pour connecter la clé USBASP, il faudra évidemment déconnecter la nappe écran 😉

Pour faire les connexions entre la clé USBASP et le connecteur écran, la nappe fournie avec la clé ne pourra pas être utilisée mais les câbles utilisés pour faire des branchements sur une platine d'essai (breadboard) peuvent l'être ( ex chez A…N : https://www.amazon.fr/AZDelivery-Jumper-Cavalier-Câble-Arduino/dp/B074P726ZR

🙂

  • J'aime 1
Posté(e)

Le montage est intéressant et formateur çà sauve une carte mère pas besoin de l'acheter et de tout démonter le câblage initial.
Effectivement J'ai dans ma boite à outil le module USBSAP j'en avais plus le souvenir !
Depuis des années j'ai des composants électroniques un peu dispersés partout 😄
Bon courage pour la suite. @james27400
J'ai une GEEETECH A10M je vais la transformer en mono extrudeur avec un équipement TITAN monté sur rail linéaire.
Je n'éprouve plus le besoin d'imprimer en mixage ou dual couleur avec l'A10M.
je vais m'en servir pour imprimer des pièces dans une enclosure en exemple impression de l'ABS.
.

  • J'aime 1
Posté(e)
il y a une heure, vap38 a dit :

Le montage est intéressant et formateur çà sauve une carte mère pas besoin de l'acheter et de tout démonter le câblage initial.
Effectivement J'ai dans ma boite à outil le module USBSAP j'en avais plus le souvenir !
Depuis des années j'ai des composants électroniques un peu dispersés partout 😄
Bon courage pour la suite. @james27400
J'ai une GEEETECH A10M je vais la transformer en mono extrudeur avec un équipement TITAN monté sur rail linéaire.
Je n'éprouve plus le besoin d'imprimer en mixage ou dual couleur avec l'A10M.
je vais m'en servir pour imprimer des pièces dans une enclosure en exemple impression de l'ABS.
.

Le partage d'expérience aussi est formateur.

je l'ai depuis deux ans je crois, j'ai pas fait grand choses, mais je voulais m'y remettre, j'ai commencé à modélisé avec Blender.
je vais suivre une formation Gratuit sur twitch, un gars qui boss avec Blender.
j'ai hâte de remonter tous ça et vous retourner mon expérience.
Dans l'attente, je vais me chercher un Bon Frimaire Marlin 2.0 pour 2560 V4.0 avec Bl Touch.

merci de votre aide si précieuse. à Toi et à Fran6p

😉

Messieurs,

je viens de trouver cela : 
https://github.com/GusBricker/GeeetechA10_Marlin

le descriptif dit bien : Marlin Firmware for 2020 Geeetech A10

une version Marlin 2.0.7.2.

je voulais avoir votre confirmation concernant la compatibilité avec mon imprimante. j'ai un Geeetech A10 avec une carte GT2560_V4.0

merci de votre aide.

  • J'aime 1
  • 2 weeks later...
Posté(e)

bonsoir à tous,

Matériels réceptionné, j'ai fait quelque test, mais je pense oublier quelque chose.
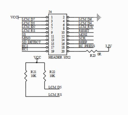
j'ai fait mon raccordement selon le schéma que @fran6pa fournis sur ce poste, mais je pense que le petit schéma en dessous doit être utile, pour VCC
que dois je faire avec LCM D5 et LCM RS, je vois qu'ils doivent être en liens avec VCC, mais il y a R21 10K et R22 10K, est ce des résistance 10K que je doit mettre entre VCC et LCM D5 et LCM RS ?
mon drivers est bien reconnu dans mon gestionnaire de périphériques, mais ProgISP, après avoir sélectionner ma Catre MEGA2560, je sélectionne les ... puis 'read' pour lui demander de vérifier le liens avec ma carte, la réponse est : 'Programmer can not be found.'

image.png.42aad5afd594f8391127425edcdfca5a.png

image.png.f38830b23957114e059a494cbcf6e020.png

avez vous été confronté a cette réponse, est ce bien ce que je pense, la carte n'est pas alimenté par l'USBasp-ISCP.
certainement ces deux connecteur LCM D5 et LCM RS... que dois je en faire ?
merci de vos lumière....

Bonne soirée 😉

  • 2 weeks later...
Posté(e)

Bonjour messieurs,

J'avance, mais je me heurte à un problème, apparemment, le USBasp que j'ai reçu ne serait pas à jour ?
Vous confirmez ?

image.thumb.png.768fb630cb27351efd5cd88cc99f7e81.png

on, pour le mettre à jour j'ai un Arduino Uno R3 de chez ELEGO..

mais je ne trouve pas le firmware pour mon USBasp.
j'ai glaner pas si par là des info, pour le cavalier JP2 par exemple qui doit être chuinter pour la mise à jour.IMG_20211127_122051_2.thumb.jpg.69da73e6a69ec80702d5f362d973cca1.jpg

j'ai fait au mieux pour y voir le nom de la puce.

  • 2 weeks later...

Créer un compte ou se connecter pour commenter

Vous devez être membre afin de pouvoir déposer un commentaire

Créer un compte

Créez un compte sur notre communauté. C’est facile !

Créer un nouveau compte

Se connecter

Vous avez déjà un compte ? Connectez-vous ici.

Connectez-vous maintenant
  • Sur cette page :   0 membre est en ligne

    • Aucun utilisateur enregistré regarde cette page.
  • YouTube / Les Imprimantes 3D .fr

×
×
  • Créer...