kharn Posté(e) Février 17, 2018 Posté(e) Février 17, 2018 Salut à tous, J'ai installé un capteur capacitif LJC18A3-H-Z sur mon Anet A8 mais j'ai des sorties étranges au capteur (branché au 12v) : - hors détection : 3.6v et une faible résistance - en détection : 0v et 115k Je pensais que la tension de sortie était supérieure à 5v et qu'il fallait un moyen de l'abaisser à 5v (octocoupleur, pont diviseur etc). J'ai aussi lu qu'il fallait installer une diode pour couper la tension hors détection afin d'avoir le même comportement que le Z Stop d'origine. Merci
Maeke Posté(e) Février 17, 2018 Posté(e) Février 17, 2018 As tu essayé de régler ton capteur? Nouvelle image bitmap.bmp
kharn Posté(e) Février 17, 2018 Auteur Posté(e) Février 17, 2018 Je me suis servi de la vis de réglage mais ça ne change que la distance de détection, pas le voltage.
medmed Posté(e) Février 17, 2018 Posté(e) Février 17, 2018 (modifié) il y a une heure, kharn a dit : Salut à tous, J'ai installé un capteur capacitif LJC18A3-H-Z sur mon Anet A8 mais j'ai des sorties étranges au capteur (branché au 12v) : - hors détection : 3.6v et une faible résistance - en détection : 0v et 115k Je pensais que la tension de sortie était supérieure à 5v et qu'il fallait un moyen de l'abaisser à 5v (octocoupleur, pont diviseur etc). J'ai aussi lu qu'il fallait installer une diode pour couper la tension hors détection afin d'avoir le même comportement que le Z Stop d'origine. Merci Si je me souviens bien, sans résistances tu dois avoir de 12v en sortie. Le seul truc que je vois c'est que tu as inversé les fils... Modifié (le) Février 17, 2018 par medmed
kharn Posté(e) Février 17, 2018 Auteur Posté(e) Février 17, 2018 (modifié) J'ai utilisé : - noir pour le signal - bleu pour la masse - marron pour le 12v. Modifié (le) Février 17, 2018 par kharn
kharn Posté(e) Février 17, 2018 Auteur Posté(e) Février 17, 2018 Pour l'instant, j'ai mesuré les tensions directement en sortie de capteur. Je l'avais soudé à un stepdown mini360 pour récupérer un signal en 5v mais à la sortie pour le moment j'ai 0v, ce qui est logique car sa tension minimale en entrée est de 4.75v.
Janpolanton Posté(e) Février 17, 2018 Posté(e) Février 17, 2018 (modifié) Un simple diviseur de tension à 2 résistances ferait l'affaire pour récupérer du 5V au point Vout.. Avec R1 = 15k et R2 = 10k (et si VCC = 12V ) alors Vout =4.8V Avec des résistance de 5% de tolérance la tension Vout pourra évoluer de Vout min: 4.515 V à Vout max: 5.091 V avec une dispersion de tension de 6.06% Modifié (le) Février 17, 2018 par Janpolanton
Jean-Claude Garnier Posté(e) Février 17, 2018 Posté(e) Février 17, 2018 Bonsoir à tous, @kharn Je sors d'une loooongue galère avec ma mienne de pétoire, qui ressemble étrangement à une Anet A8 Apparemment, tu n'as besoin que de claquer un contact sec pour valider ta prise de ref. Pourquoi ne montes-tu pas, comme moi, un bête relais 12Volts ? Ça marche très bien, n'en déplaise à ceux qui pensent qu'un relais n'est pas assez réactif . Résultat du test : 19:48:13.448 : 1 of 10: z: -0.145 mean: -0.1453 sigma: 0.000000 min: -0.145 max: -0.145 range: 0.000 19:48:14.505 : 2 of 10: z: -0.144 mean: -0.1445 sigma: 0.000781 min: -0.145 max: -0.144 range: 0.002 19:48:15.560 : 3 of 10: z: -0.139 mean: -0.1426 sigma: 0.002835 min: -0.145 max: -0.139 range: 0.007 19:48:16.615 : 4 of 10: z: -0.138 mean: -0.1415 sigma: 0.003080 min: -0.145 max: -0.138 range: 0.007 19:48:17.657 : 5 of 10: z: -0.136 mean: -0.1405 sigma: 0.003446 min: -0.145 max: -0.136 range: 0.009 19:48:18.710 : 6 of 10: z: -0.132 mean: -0.1391 sigma: 0.004448 min: -0.145 max: -0.132 range: 0.013 19:48:19.771 : 7 of 10: z: -0.132 mean: -0.1381 sigma: 0.004729 min: -0.145 max: -0.132 range: 0.013 19:48:20.811 : 8 of 10: z: -0.128 mean: -0.1368 sigma: 0.005599 min: -0.145 max: -0.128 range: 0.018 19:48:21.873 : 9 of 10: z: -0.128 mean: -0.1358 sigma: 0.006001 min: -0.145 max: -0.128 range: 0.018 19:48:22.924 : 10 of 10: z: -0.128 mean: -0.1350 sigma: 0.006142 min: -0.145 max: -0.128 range: 0.018 19:48:25.038 : Finished! 19:48:25.038 : Mean: -0.135039 Min: -0.145 Max: -0.128 Range: 0.018 19:48:25.038 : Standard Deviation: 0.006142 On reste dans les 2 centièmes de mm. Après, faut tripoter dans le Marlin, c'est une autre paire de bretelles et là, merci le forum....
kharn Posté(e) Février 17, 2018 Auteur Posté(e) Février 17, 2018 Merci pour vos idées mais pour le moment mon soucis majeur c'est que le capteur alimenté en 12v ne sort que du 3.6v au lieu de 10 à 12v à priori.
Maeke Posté(e) Février 17, 2018 Posté(e) Février 17, 2018 tu sais, si tu penses qu'il est défectueux; le seul qui puisse t'aider est le vendeur.
jc83 Posté(e) Février 18, 2018 Posté(e) Février 18, 2018 mon montage , on ne peut pas faire plus simple une simple zener suffit :
Maeke Posté(e) Février 18, 2018 Posté(e) Février 18, 2018 oui, enfin si son capteur ne sort que du 3,6V, je sais pas pourquoi, je sent que la zener va s'ennuyer.
jc83 Posté(e) Février 18, 2018 Posté(e) Février 18, 2018 il y a 8 minutes, Maeke a dit : oui, enfin si son capteur ne sort que du 3,6V, je sais pas pourquoi, je sent que la zener va s'ennuyer. il faut savoir si son capteur est collecteur ouvert ou pas , dans mon capteur il y a une resistance de rappel de 10k , s'il y a 3.6 c'est qu'il doit être en collecteur ouvert il suffit donc d'y mettre une resistance de rappel ça coute rien d'essayer
Maeke Posté(e) Février 18, 2018 Posté(e) Février 18, 2018 C'est un capteur NPN, pour autant que je sache il est normalement ouvert.
jc83 Posté(e) Février 18, 2018 Posté(e) Février 18, 2018 il y a 21 minutes, Maeke a dit : C'est un capteur NPN, pour autant que je sache il est normalement ouvert. npn c'est le type du transistor de sortie ( les transistors sont soit npn soit pnp ) ça ne joue que sur la logique du capteur , ça n'a rien à voir avec le fait qu'il soit collecteur ouvert ou collecteur avec sa resistance de rappel
Maeke Posté(e) Février 18, 2018 Posté(e) Février 18, 2018 (modifié) @jc83j'ai pas dit çà par rapport au fait qu'il soit npn, mais parce que j'avais l'indication sous les yeux à ce moment là, et si j'ai marqué "pour autant que je sache" c'est parce que je ne considère pas la source comme fiable à 100% ce qui explique que je n'ai pas mis de lien. Ps je sais faire la différence npn/pnp, j'ai un certificat niveau bac+2 (très poussiéreux) en électronique d'automatismes industriels en poche, et j'ai décroché le btn f2 avec mention, mais c'est vrai que çà fait longtemps tout çà. Tiens un peu de lecture http://files.microjpm.webnode.com/200003722-858c88684b/Condutive Proximity Switch Series.pdf Modifié (le) Février 18, 2018 par Maeke
jc83 Posté(e) Février 18, 2018 Posté(e) Février 18, 2018 il y a 8 minutes, Maeke a dit : Ps je sais faire la différence npn/pnp, ça je ne pouvais la savoir vu ta reponse , moi aussi j'ai 40 ans d'electronique derriere moi ..... j'avais compris que tu disais que le fait qu'il soit npn impliquait qu'il soit normalement ouvert
Maeke Posté(e) Février 18, 2018 Posté(e) Février 18, 2018 Non, d'ailleurs j'ai édité le texte pour ajouter le lien vers un pdf.
kharn Posté(e) Février 18, 2018 Auteur Posté(e) Février 18, 2018 Salut, je crois qu'il s'agit bien d'un capteur collecteur ouvert. Malgré mes cours d'électronique d'il y a "quelques" années ... je veux bien une explication sur le sujet et cette histoire de résistance de rappel.
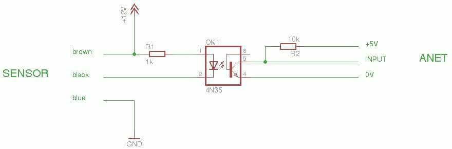
jc83 Posté(e) Février 18, 2018 Posté(e) Février 18, 2018 il y a 4 minutes, kharn a dit : Salut, je crois qu'il s'agit bien d'un capteur collecteur ouvert. Malgré mes cours d'électronique d'il y a "quelques" années ... je veux bien une explication sur le sujet et cette histoire de résistance de rappel. collecteur ouvert ça veut dire que le collecteur du transistor de sortie est en l'air et que tu peux lui mettre la resistance de ton choix dans la limite du courant admissible bien sur , dans notre cas tu lui mets une resistance de 10k ça ira tres bien
kharn Posté(e) Février 18, 2018 Auteur Posté(e) Février 18, 2018 (modifié) Limiter le courant, je comprends bien mais mes actuels 3.6v n'auront donc aucun intérêt ? Le but serait d'avoir l'équivalent du contacteur manuel de fin de course (ouvert ou fermé) ? Modifié (le) Février 19, 2018 par kharn
Janpolanton Posté(e) Février 19, 2018 Posté(e) Février 19, 2018 (modifié) Il y a 15 heures, jc83 a dit : mon montage , on ne peut pas faire plus simple une simple zener suffit : Bonjour à tous, ce montage fonctionne à la condition que le capteur comporte une résistance de pull-up en interne, sinon, il faut ajouter une résistance comme sur la simulation ci-dessous. Le même schéma avec un pont diviseur (pour R2, prendre une valeur de 10k ou 11k) avec 10k on serait un peu inférieur à 5V. Après tout dépendra de la tolérance des résistances. Modifié (le) Février 19, 2018 par Janpolanton
Janpolanton Posté(e) Février 19, 2018 Posté(e) Février 19, 2018 @Jean-Claude Garnier J'aurais ajouté une diode de roue libre branchée en inverse en // sur la bobine afin de protéger ton capteur des tensions induites
Jean-Claude Garnier Posté(e) Février 19, 2018 Posté(e) Février 19, 2018 @Janpolanton moi en géographie je suis très mauvais. Si tu me dis de mettre une diode, je cherche pas à comprendre, je mets une diode. Et je te remercie au passage pour la suggestion. Vive le foirium !
Messages recommandés
Créer un compte ou se connecter pour commenter
Vous devez être membre afin de pouvoir déposer un commentaire
Créer un compte
Créez un compte sur notre communauté. C’est facile !
Créer un nouveau compteSe connecter
Vous avez déjà un compte ? Connectez-vous ici.
Connectez-vous maintenant