Aller au contenu

Creality "Ender-3 V3 SE", la découverte avant le test !


Messages recommandés

Posté(e) (modifié)

Salutation !

J'ai le plaisir d'avoir à tester la très attendue "Ender-3 V3 SE" de chez Creality.

image.jpeg.c9fa53d09ffafda484422c2b44fb97b9.jpeg

Bravo à @hyoti pour avoir été le premier à la mentionner dans "Quoi qu'est-ce ?".

 

Nouvelle génération de la série "Ender-3" déjà très diversifiée.

 

Avec une esthétique épurée et compacte, et avec son prix abordable, elle a tout pour devenir une référence dans cette gamme de prix et de volume d'impression.

 

Liens

 

Modifié (le) par PPAC
ajout du lien de l’article de test sur le blog
  • J'aime 2
Posté(e) (modifié)

Réception

  • Date d'envoi adresse de livraison par lesimprimantes3d.fr à leur contact chez Creality ~28/07/2023
  • Date de passage d'ordre de la commande par le contact de chez Creality ??/08/2023
  • SMS de notification "Vos colis seront livrés aujourd'hui" le  05/09/2023 ~08h21
  • Reçu (France) livraison par "Chronopost" le 05/09/2023 ~10h54.

image.thumb.jpeg.fea42e9c67954b171702414632d1354f.jpeg image.thumb.jpeg.bee4f7098655129e825e6f8f672f1e03.jpeg

État des cartons a la réception : en bon état.

Le gros carton (la "Ender-3 V3 SE")

  • Dimension environ 57 x 39 x 23 cm ( L x P x H )
  • Poids mentionné sur l'étiquette de livraison 9.3 kg.

Le petit carton, Creality a généreusement pensé à ajouter deux bobines de 1 Kg de "Creality Hyper PLA Blanc"

  • Dimension environ 23 x 14 x 24,5 cm ( L x P x H )
  • Poids mentionné sur l'étiquette de livraison 2.95 kg.
Modifié (le) par PPAC
  • J'aime 1
Posté(e) (modifié)

Déballage

Photos en vrac

image.thumb.jpeg.f647c072f7211da70a01ad3b0f5de1c4.jpeg image.thumb.jpeg.ae0d21c8c90f0b4e809321e1087665c2.jpeg image.thumb.jpeg.2edf70dd1aa965962d62aedf9c5368e4.jpeg

image.thumb.jpeg.96026a91baf6a33719f4567039f9caad.jpeg image.thumb.jpeg.e6dd06bf15545aacd93acaa30ac5860a.jpeg image.thumb.jpeg.8abea5ecc8e853d2ef52e609647de51c.jpeg

image.thumb.jpeg.6986e17a6df34da31bb8e2b46c1dc93f.jpeg image.thumb.jpeg.1532b8db78df07bd30f305a4c4570f9b.jpeg

...

  • Un petit tournevis plat ( largeur de ~2.5 mm, pour le sélecteur de tension et pour serrer les borniers d'alimentation sur la carte mère )
  • 2 clé plates
    • Une petite pour écrou de 6 mm ( pour serrage buse) 
    • Une double, pour écrou M10 et M8 ( pour serrage ? ) 
  • 5 clés hexagones
    • M4
    • M3 ( Pour les vis du porte bobine )
    • M2.5 ( Pour les vis de l'arche, et du support de l’écran )
    • M2 ( Pour les vis du cache métal du dessous, et du cache plastique de la tête )
    • M1.5

image.thumb.jpeg.8dc692fc681b939393d2cc616d96d1e2.jpeg

Un lecteur de carte SD ( et carte micro SD) USB avec une carte SD de 8GB sans marque.

image.thumb.jpeg.9995b25d5ac4029c0e706ae75739d71a.jpeg image.thumb.jpeg.3aa18ee5967d7667533f7b8f464c6154.jpeg

L’écran de contrôle

image.thumb.jpeg.2b48ed98e54f80581da722579e48c54e.jpeg image.thumb.jpeg.fedc6034164780d550175c1b3f24c963.jpeg image.thumb.jpeg.49b4b8ead7b119d43c4bb5238590a8a2.jpeg

Le porte bobine

image.thumb.jpeg.cada5b1925f26d7be3acbe2d38001286.jpeg image.thumb.jpeg.012bcd9723b224a204d64e83b3d52f6a.jpeg

(Étonnamment, j'ai aussi de fourni, un câble d'alimentation pour les prises US ... 

image.thumb.jpeg.12d91ae1bb9c0284c06af01fbbacef38.jpeg

)

...

image.thumb.jpeg.f0140d45c72d782a3c75eef69334476b.jpeg image.thumb.jpeg.9c2836622b5e08c654ba099938d964dd.jpeg

...

image.thumb.jpeg.9db325b5c7a3771b809c8971944c70df.jpeg image.thumb.jpeg.f06822455131de96b646ab3e77598696.jpeg image.thumb.jpeg.3c324310acfeebc68314e0ec69fe384a.jpeg

 

Modifié (le) par PPAC
  • J'aime 4
Posté(e) (modifié)

Détails du contenu de la carte SD de 8GB fournie

Somme de contrôle "md5sum" des fichiers sur la carte SD fourni

Citation

52f2698bf82efe49797049c8b44cc309  ./Ender-3 V3 SE _supplementary files_EN_V1.2.rar
b8d1b0601c8f4ca87f21327c1e70f984  ./1-cat.gcode

Somme de contrôle "md5sum" des fichiers contenus dans l'archive "Ender-3 V3 SE _supplementary files_EN_V1.2.rar"

Citation

f0dabaa1b012e626a28cc7d10593ea0b  ./Ender-3 V3 SE ReadMe.txt
2a10dde9761333052ee41139f2b5f887  ./3.Operation video/Ender-3 V3 SE_Unpacking operation_EN.mp4
ba2666081fb342da6266c2b8058ce04a  ./2.Software/Creality Print User Manual.pdf
025ec34a48f4d0ab1e79129e5ef1172c  ./2.Software/creality_print-v4.3.6.6231-win64-release.exe
0d866203312ff49095c701e025c3f91a  ./4.Material Guide/Ender-3 V3 SE Material Guide.pdf
7dce9b2eb325abffa9964421d90dce65  ./1.3D Printer User Manual/Ender-3 V3 SE-SM-001-User Manual (CN).pdf
2b8a7d5dc607aafbb5236bf0cbfa3b3e  ./1.3D Printer User Manual/Ender-3 V3 SE-SM-001-User Manual (EN).pdf
2691a50fadb69366b73de994e5e0c123  ./5.3D Model/1-cat.stl

Contenu du "Ender-3 V3 SE ReadMe.txt"

Citation

1. 3D Printer User Manual
2. Software
3. Operation video
4. Material Guide
5. 3D Model

Tips: 
1. Please do not extract files to this card
2. Do not store irrelevant files on the SD card

 

Dans le manuel papier l'on trouve en remarques

  • le fait de ne pas utiliser des noms de fichier d'impression de plus de 20 caractères et de se limiter aux caractères latins et chiffres de 0 à 9.
  • Les fichiers d'impression doivent être placés à la racine de la carte SD (et non dans un sous-répertoire) 
Modifié (le) par PPAC
  • J'aime 1
Posté(e) (modifié)

Détails matériels (hardware)

Photos en vrac

image.thumb.jpeg.65f9d05c60b7206b0054dad7cbb70a10.jpeg image.thumb.jpeg.d49a61d9c512ac6ef6ffb666ba695149.jpeg

image.thumb.jpeg.59ebf6ab8f88b40415fa3c3eefbfc7d8.jpeg

 image.thumb.jpeg.88ebc11a33d6131cf196aef860d4e16a.jpeg image.thumb.jpeg.d6aa9d4fd97b87f4d59743a82a5be5a0.jpeg image.thumb.jpeg.b6c1342a750e95e6595c752865405351.jpegimage.thumb.jpeg.bee292f68991cf11c4633502ec02ac42.jpeg image.thumb.jpeg.78eb91e84c16c74a63153676825ebb3a.jpeg

 

image.thumb.jpeg.171ed1771d7ffe01b36b6b55f9fc1b82.jpeg IMG_20230907_080743.thumb.jpg.fbffdd6c472ceeebaede7f638e26aae3.jpgIMG_20230907_080718.thumb.jpg.999e718e8339a5229f32541318d04a41.jpgIMG_20230907_080657.thumb.jpg.d255906b623b92388dfaf898c38c44fb.jpg image.thumb.jpeg.714c9e1e05c42f45a58254892300aff2.jpeg 

image.thumb.jpeg.e19e6c076c87153311ce78a8661701a4.jpegimage.thumb.jpeg.5792434c5c1001fcc2497162d8893199.jpeg

image.thumb.jpeg.28c68010e2b6f02645374603ab03c4c8.jpeg image.thumb.jpeg.4ea194fe27cc83f2f0b0d69e76638859.jpeg

image.thumb.jpeg.186162e32753b140268d17d6efba5a5d.jpeg image.thumb.jpeg.84ea3592c9070a8c7c46a2ede9e1b99a.jpeg image.thumb.jpeg.2ac25e19ec98a7fcb25164c0d7ec7f11.jpegimage.thumb.jpeg.8f30e59200e6520075feb3b60d51bbfc.jpeg

(Edit>

Sous le plateau, l'on peut voir 4 "colonnettes" noir.
Il s'agit d'entretoises en plastique.
Noter que les deux entretoises, côté gauche (au-dessus du capteur de pression et pour permettre de passer le système en plastique de maintien des câbles du plateau) font 14 mm de hauteurs. Alors que les deux autre entretoises, à droite, font 16 mm de hauteurs. (voire la vidéo Service Tutorial Ender-3 V3 SE Replacement Counter Height Module )

)

image.thumb.jpeg.177924e0d6a2e55f4302d5bc94841170.jpeg image.thumb.jpeg.bae7547467092bdfc6935bb09b48f731.jpeg image.thumb.jpeg.1477c0dc55645d5d26eba94b4d0110f1.jpeg

Alors étrangement il y avait un petit jeu du plateau chauffant (de gauche à droite et un poil de haut en bas, si on le titille dans tous les sens) 

image.thumb.jpeg.b1889db745f7e26f16415445c4c7dff6.jpeg image.thumb.jpeg.12e4ea52f95e5e5d44eaa4b1612b5cdb.jpeg image.thumb.jpeg.e66d09bf11f3a82b22ea881c7625d7dc.jpeg

Les quatre vis a tête fraisée, traversants le plateau chauffant, dont les têtes sont visiblement si l'ont enlevé la plaque flexible, n'étaient pas complètement vissées (d'un, voire trois tour, selon la vis). Bonne stabilité du plateau après leurs serrages.

(Edit > Après réflexion je suis revenus légèrement desserrer 3 de ses vis ( 1/4 de tours ) celles qui ne sont pas au dessus du capteur de pression, afin de permettre une très légère bascule du plateau chauffant. Car si le plateau chauffant ne se déforme pas alors avoir trop serré les vis risque de réduire la pression qui serra transmise au capteur de pression ... ) 

image.thumb.jpeg.a19d53ed9161776d6993d9325f86357c.jpeg image.thumb.jpeg.aee544a6d96eae628813c4ba79c031fb.jpeg image.thumb.jpeg.e9d5d5bf98db51a7b5a439be80a965b8.jpeg

A l'arrière du plateau deux vis qui servent de buté pour la plaque flexible

image.thumb.jpeg.9aa245ec4e03747d2bcc461c30c256de.jpeg image.thumb.jpeg.e4694e0493347723ab9c0f8be52e4197.jpeg image.thumb.jpeg.72559bea2ced81b1247c33928f398c97.jpeg

Le dessous de la machine. 8 vis (tête empreinte hexagonale M2) à enlever pour ouvrir le cache.

image.thumb.jpeg.5e29006b1abd8aa70a9ddf90c3789f22.jpeg image.thumb.jpeg.59bb3596f25bca414506278f5b253965.jpeg

Attention au faisceau de câbles principal (à déplacer/glisser hors du "U" ) et aux câbles du ventilateur de refroidissement de la carte-mère ( ventilateur fixé sur le cache en métal et câbles plutôt courts) 

image.thumb.jpeg.dc675af0fa504237ba76835c765332d3.jpeg image.thumb.jpeg.dde0da5d9864deff7161a522795212e9.jpeg

image.thumb.jpeg.56da57cb3c4d25976618d99f5561d7e6.jpeg image.thumb.jpeg.8cb2b5530be66b73e25b39bbccb3ff8d.jpeg image.thumb.jpeg.4e22e541ea29fcc0dd128961ae2e9fd5.jpeg

image.thumb.jpeg.182dbceb4377657199793444af1fd899.jpeg image.thumb.jpeg.264acc4d2de1fdb20cf7d54a69791811.jpeg image.thumb.jpeg.44d9f93193dde8545f617f3235ef1234.jpeg

 

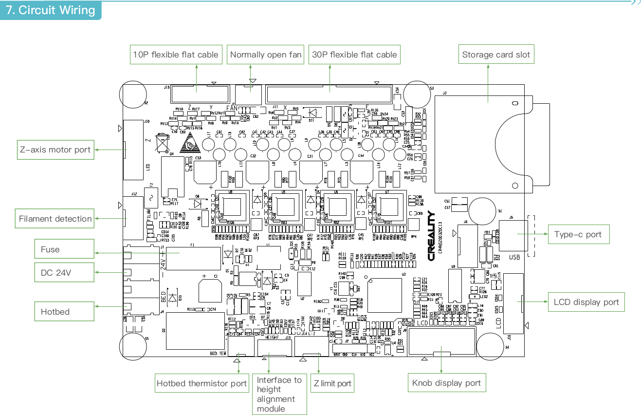
image.thumb.png.a73d917b19624e6b29e66d7b2e0c5be9.png

(Source image schéma carte-mère : page 21 du "3D Printer User Manuel v1.0" (PDF Anglais) de la "Ender-3 V3 SE" ) 

 

image.thumb.jpeg.d75208f32293fc2e16b8b1405d85f03a.jpeg image.thumb.jpeg.570c14c3c3973f544c7c6c60afad4290.jpeg

 

La tête d'impression

Même si elle dispose d'un extrudeur "Sprite", la tête d'impression de la "Ender-3 V3 SE" à une configuration spécifique, comparait aux têtes d'impression ayant un extrudeur "Sprite" des séries "Ender 3", "Ender 3 S1", et "CR".

Là pour cette tête d'impression,

  • Il y a 2 pins de plus (connecteur 26 pin et non 24 pin) pour le connecteur du faisceau de câble principal (car le détecteur de fin de course X est monté sur la tête)
  • avec donc un PCB (circuit imprimé) légèrement différent (connecteur du endstop Z en plus) 
  • le radiateur de refroidissement du heatbreak est différent
  • le ventilateur du radiateur de refroidissement du heatbreak est placé différemment. (Car le support du CR-Touch lui prend la place qu'il avait) 
  • le ventilateur radial, de refroidissement de l'impression, se trouve fixé sur le cache plastique de la tête d'impression (et non plus via un support métal fixé sur le moteur de l'extrudeur).
  • le corps de chauffe semble taillé sur mesure
  • ...

image.thumb.jpeg.e04dc0b2093417bbe58aced4496842ed.jpeg

trois vis ( M2.5 ? ) a retirer pour séparer le cache de la tête d'impression

 image.thumb.jpeg.27a95277b7e2c0377a7890332d30a203.jpegimage.thumb.jpeg.2006639bb9007db48c82cb22823adc33.jpegimage.thumb.jpeg.05a66e85709270013547340073fa02b4.jpegimage.thumb.jpeg.485ea345acb56b477cfde9e12aab306c.jpegimage.thumb.jpeg.bf5335f7ccee2aab912881fe8ea1e06f.jpeg

attention aux fils, du ventilateur radial, de refroidissement de l'impression, qui est fixé dans ce cache en plastique

image.thumb.jpeg.b08a4b742759b701f1a30451c76f67bc.jpegimage.thumb.jpeg.3cf51d700dd44b22645d627d4830047e.jpegimage.thumb.jpeg.bb60e1be68d9fb0eefddc4e028f03304.jpeg

(utiliser (tirer a la main), la courroie de synchronisation Z pour permettre d'avoir suffisamment d'espace si l'axe Z tout en haut, pour poser sur la barre de l'axe X, le cache avec les fils du ventilateur encore connecté au PCB de la tête)

image.thumb.jpeg.85f14983004e4c8fa9fd0a732a300ede.jpegimage.thumb.jpeg.ab418503ab6bce5fb6b5f63b7a334993.jpeg

(L'on peut remarquer que la tête de la vis, du système d'ajustement du serrage du filament dans les roues d'entrainement du filament, était caché par le cache plastique. ( c'est pas spécialement pratique si l'on a besoins d'ajuster cela ... ))

image.thumb.jpeg.fed272ad5a52721916cd82e2b0bc432d.jpegimage.thumb.jpeg.6581361f87ceab283cebf9e6c72db5cb.jpegimage.thumb.jpeg.3da73d057279bab8c0e44617837d0719.jpeg

image.thumb.jpeg.fbcf68091b4f095e35ce41347e292c2d.jpegimage.thumb.jpeg.f47368c5ec9833b634d1a15c64f82e31.jpegimage.thumb.jpeg.4d1d9550a4f5189b13d4c26df84c5af0.jpeg

image.thumb.jpeg.61e31bcc8bd77f59243eb57213dac538.jpegimage.thumb.jpeg.8b4d676f8ef179532b2de885a37a48ef.jpegimage.thumb.jpeg.f9214e2bfd2d5ea81c1f26e993fd99bd.jpeg

 

Après avoir enlevé la chaussette en silicone de protection/isolation du corps de chauffe (photo où l'on voit la chaussette de silicone, avec encore le cache plastique de la tête, d'ou le "fan duct" sur cette photo), l'on remarque un corps de chauffe non standard.
Il y a deux vis traversante par le dessous (tête de vis avec une emprunte hexagonale M1.5) qui le fixe au radiateur de refroidissement du heatbreak,

image.thumb.jpeg.485ace454140a0e5911f870d2ee285b1.jpeg image.thumb.jpeg.081cc3812175b295bb45d06e26b3d04c.jpeg

image.thumb.jpeg.fb8a27ef76cf12c35ea6550462de0fb4.jpegimage.thumb.jpeg.43fc583ffd60466ab5527c93bba1eae1.jpegimage.thumb.jpeg.678c690da6a256dd165c9b27ef267c0f.jpeg

et les taraudages/passage des vis sans tête (avec une emprunte hexagonale M1.5), de maintien, de la cartouche de chauffe et de la thermistance sont sur le dessous du corps de chauffe.

image.thumb.jpeg.acd6403e150529f7a5ba0e31e178ba47.jpegimage.thumb.jpeg.45dd68da1d7241732eb9f793474fdb38.jpegimage.thumb.jpeg.8faa3da7ca521c57130d2d804b2912e6.jpeg

Voyant la taille et diamètre des vis, traversent le corps de chauffe, et le fixant au radiateur de refroidissement du heatbreak,
je n'ai pas cherché à continuer de démonter (pour voir le heatbreak et le tube PTFE dans le heatbreak), pour ne pas risquer de casser ses petites vis fortement serrées, avant la suite du test.
Je reviendrais après plusieurs impressions, faire le démontage et vous mettre des photos, ici (A FAIRE), afin de ne pas risquer retarder mon test.

(Edit> En fait, pour arriver à voir le tube PTFE dans le heatbreak, il sauf commencer par chercher à enlever l'extrudeur ... image.png.b590d70d8d14fdfe947f6f2dcd218496.png

Source image Service Tutorial Ender-3 V3 SE Replacement of extruded backplanes 
)

Lors de ses manipulations, comme j'ai déplacé a la main la tête sur l'axe X,
j'ai remarqué des zones de points durs (de résistance différente) pour les déplacements le long de l'axe X. (des à-coup/saccades ressentis lors du déplacement a la main)

J'ai donc ajusté, l'écrou excentrique sur la roue/le galet, a l'arrière, en bas de la tête d'impression. De manière à ne plus ressentir de saccades lors des déplacements avec la main, de la tête sur l'ensemble de l'axe X. ( Clé plate de "10" (le coté le plus gros, de la clé plate double))

image.thumb.jpeg.bc7c84ca5b368306f46abd4343f1c1b6.jpeg

 

Pour comparer, ce qui suit, sont des photos d'une tête d'impression "Sprite Pro +" (max 300°C, pour filament de 2.85 mm de diamètre, avec une buse de 0.8 mm de diamètre) que l'on devrait pouvoir monter sans trop de difficultés, par exemple, sur une "Ender-3 S1".

image.thumb.jpeg.9c7d5d044138a8a3368d704e23f918bd.jpegimage.thumb.jpeg.7e1d79cf5c031ecb42ee8bb086a42880.jpegimage.thumb.jpeg.1243821cb50a031dc4ffd8b2268918d7.jpeg

et quelques photos, où je tiens a la main la tête "Sprite Pro +", a coté, de la "tête Sprite de la Ender-3 V3 SE" (max 260°C, pour un filament de 1.75 mm de diamètre, avec une buse de 0.4 mm de diamètre), pour, plus facilement, comparer

image.thumb.jpeg.1c87f542049f6f18397afe7cb8b570e4.jpegimage.thumb.jpeg.f7acf7908f7d74d48b64ad76608d278b.jpegimage.thumb.jpeg.dc2dd004549f6d36ffcaaf5e3383080f.jpeg

( Définitivement, je ne vais pas pourvoir rapidement et sans démontage/remontage de plusieurs éléments, changer l'une par l'autre, quand je voudrais utiliser des bobines de filament de 2.85 mm de diamètres... )

 

 

Modifié (le) par PPAC
  • J'aime 3
  • +1 1
Posté(e) (modifié)

Menus de l'écran de contrôle

Au démarrage

image.thumb.jpeg.e9355e9a6848219a0b36ad59cd26172b.jpeg image.thumb.jpeg.59711d9beccc2cfd7bf444eb68b49feb.jpeg 

Après démarrage, seulement si, après une coupure de courant lors d'une impression depuis la carte SD (et "fichier de reprise" présent sur carte SD).

image.thumb.jpeg.a7df479df6714c7565e219d450999ebe.jpeg

Ecran d'accueil

image.thumb.jpeg.a10dcedbc249315c55f2869f621a7a8a.jpeg

Menu "Print"

Ici, avec la carte SD fournie inséré, n'affiche que les fichiers d'impression (extension ".gcode", ".gco", ".gc") présents a la racine de la carte SD, je ne sais pas si l'image de la mascotte Cuva est ou non une zone d'affichage d'une éventuel image vignette / thumbnail embarqué dans le fichier d'impression

 image.thumb.jpeg.9c3f7c9a6c3a9f93cec4fbde3c715074.jpeg image.thumb.jpeg.908ecec2773bf0a2909513391191a3c1.jpeg image.thumb.jpeg.92ac29794f4c0da8a0050c36a1f154c9.jpeg

Menu "Prepare"

image.thumb.jpeg.5267b50917b230060a68d17f5fa99dce.jpegimage.thumb.jpeg.79a8eba983cb0861192ee2ae29fc7e5c.jpeg image.thumb.jpeg.95adc8c53a5a63453eeff885b58f2a60.jpeg

( Si l'on veux passer dans "Move" ou "Extrude" ou "Retracte" alors on passe temporairement sur 

image.thumb.jpeg.71acfd09708ba6948999dbc7fb09d7e2.jpeg

Et physiquement l'imprimante fait un Home X et Y, ce place au centre du plateau, sort le palpeur CR-Touch et vient palper le centre du plateau.

Donc avoir nettoyé le plateau avant et ne pas laisser d'impression en place sur le plateau si l'on explore ses sous-menus.

)

"Prepare" -> "Move"

image.thumb.jpeg.dc615ded463b2629effcc3a832edb69c.jpeg image.thumb.jpeg.71acfd09708ba6948999dbc7fb09d7e2.jpeg image.thumb.jpeg.8b595a737bb0c9a6e9346bdb9f846f44.jpeg

"Prepare" -> "Extrude"

( Et cela lance la chauffe de la tête )

image.thumb.jpeg.435c0f4c6c2952ad287fcf1c1a4f19a5.jpeg image.thumb.jpeg.62d9e144541131865d832785ca7c7630.jpeg // A FAIRE

"Prepare" -> "Retracte"

// A FAIRE

"Prepare" -> "Language slelction"

image.thumb.jpeg.17fd05a12e1e1bfeb42a4a73797f39bd.jpeg image.thumb.jpeg.74353adb954b5e33bb0af814d1fd543e.jpeg 

"Prepare" -> "Preheat PLA"

image.thumb.jpeg.00b72e22933cc071ec77cc2afd530f58.jpeg image.thumb.jpeg.6a74af724c540fa254fee18f4c5d0059.jpeg

Menu "Control"

image.thumb.jpeg.68137c87176e3dccad10bda78c6184ee.jpeg image.thumb.jpeg.24d533ba01a127ba44a2cfbfe3ab4ba2.jpeg image.thumb.jpeg.af93caac19a78506124b660a8701edd5.jpeg

"Control" -> "Température"

image.thumb.jpeg.4ed293c592c4f32f76fcd8d27a51d83c.jpeg image.thumb.jpeg.9d39f6b97f048411dfd61e4b0b660ea0.jpeg

"Control" -> "Température" -> "Preheat PLA Settings"

image.thumb.jpeg.befd865be51fa845aabbd6934a4d31c3.jpeg image.thumb.jpeg.cfe445582b2e3f835b0e39218b514ce5.jpeg

"Control" -> "Température" ->"Set PID Manualy"

image.thumb.jpeg.67cc2451c23b11b35c273512dc4ee284.jpeg  image.thumb.jpeg.1fc74cc190a201637332fc1f59e8959d.jpeg  image.thumb.jpeg.a95cce1ad270e38e1937ad82d2599f0d.jpeg

"Control" -> "Edit leveling data"

image.thumb.jpeg.969b773acd5798f390252475a07d6752.jpeg image.thumb.jpeg.8ade0d7bc0c082df97886d6c36a2b28e.jpeg image.thumb.jpeg.5f8f887872abadcbd7c32c9c0ff94d4f.jpeg image.thumb.jpeg.a4b6caab8682ee6700f8b83aeb3bd5f8.jpeg image.thumb.jpeg.8ff71dadca71c1d9c138d4b8621d6283.jpeg

"Control" -> "Info"

image.thumb.jpeg.cafae3e87cf60d655684be4352514e8a.jpeg image.thumb.jpeg.a2f4489d07bdd6294a412dcf5e3524cd.jpeg

"Control" -> "Motion"

image.thumb.jpeg.b2f41030c64515f57171be933b1b505d.jpeg image.thumb.jpeg.4585806165505227a5df2e5d7bd6cab4.jpeg

"Control" -> "Motion" -> "Max Speed"

image.thumb.jpeg.98c3dba5da66e2c1b295698a6d4afc97.jpeg image.thumb.jpeg.120cc496b1f05869b8f7c09978582650.jpeg

"Control" -> "Motion" -> "Max Acceleration"

image.thumb.jpeg.bc81fd88aa2d74e2f3ec97da1b7aa468.jpeg

"Control" -> "Motion" -> "Steps-per-mm"

image.thumb.jpeg.b349e7e1711ae8880e4bc2a924a3306f.jpeg

Menu "Leveling" ( Attention pas de demande de confirmation. Lance la procédure directement )

image.thumb.jpeg.d28ac6e9c1a355c6abb206312807a869.jpeg image.thumb.jpeg.948961e0a3bd9da074ff6bf339f779b0.jpeg image.thumb.jpeg.3dba47c69a0507610db16c88138191f6.jpeg image.thumb.jpeg.385f8683e79f84df484de93d80aa21a4.jpeg image.thumb.jpeg.d5b96ba116a7b0fc3ea5399d0bb2bd4e.jpeg image.thumb.jpeg.c2a80be5f52e96d4e7eef8c2732cb805.jpeg image.thumb.jpeg.62df68c17ea02820bb09b3d03f49f1ab.jpeg image.thumb.jpeg.e18bfa9f81b58d4c54aee8bf1cf38cfd.jpeg image.thumb.jpeg.5cebb73950c72e7f80a089b402c79af2.jpeg image.thumb.jpeg.e9733432b9c979b4818ea6d9ecbd7361.jpeg image.thumb.jpeg.9996bcfe1f5856a4e91eb2a466f8375f.jpeg image.thumb.jpeg.6cf2db0339f93a7e60414a6cdebfc1b2.jpeg image.thumb.jpeg.43627812843da398b28d7f4041b975e8.jpeg 

 

Lors d'une impression

image.thumb.jpeg.59a50a89eea119da3927fe7ceca58bb9.jpeg image.thumb.jpeg.4ade792f2fa7540579013a50e11e7c6f.jpeg image.thumb.jpeg.8f2f3d5cc6be8c30f77596d21ddda210.jpeg image.thumb.jpeg.dcc6b911e84f03d082a74be8f478295f.jpeg image.thumb.jpeg.5615042fb9ccfce66fc2882c49df0a3e.jpeg image.thumb.jpeg.30891b117850c590a533aa76ca7e66f5.jpeg

Sous menu "Tune" lors d'une impression

image.thumb.jpeg.7e972dfe050186a6cb53f423c259a522.jpeg image.thumb.jpeg.52872d6379cef6948deaec79cc887797.jpeg

 

Lors de la lecture d'un M600 ( M600: Filament Change ) dans un fichier d'impression

Cela éjecte le filament, vient se parquer, fait des suite de bips, et sur l’écran le bouton pour faire normalement "Pause" change en "Print"

image.thumb.jpeg.00b4ae4007cac573a40fb316601fd7ae.jpegimage.thumb.jpeg.5c58c329744f1d2ee6c7d375aaa1ccd1.jpeg

Cela stop la chauffe de la tête (la température chute, malgré que la température cible reste inchangé)

image.thumb.jpeg.4ec36a4343f8c88bc7a997c70348ec55.jpegimage.thumb.jpeg.fd81490bb1060e0c230c8f804446f596.jpeg

alors, un premier clic sur "Print" remet la chauffe de la tête, (donc permet de purger en poussant manuellement le filament et en débrayent le levier de l'extrudeur, quand a température ...)

image.thumb.jpeg.b7615428d115d68fc55d6baf5f7c0873.jpegimage.thumb.jpeg.de2d342bca3e68ed953a91e7e3f0bd43.jpeg

puis, une fois a température cela fait de nouveau une suite de bips, et alors, un second clic sur "Print" permet de continuer l'impression

image.thumb.jpeg.80c32baf822219e2a8336263aaec2788.jpegimage.thumb.jpeg.c2fa21de7ea41e41d11783e8f7f1e92f.jpegimage.thumb.jpeg.bf6ee0d35fa2d5fd667520ad2472f6a4.jpeg

 

En cas de reprise sur coupure de courant

Fonctionne bien lors d'une impression depuis la carte SD.

Mais la remise en chauffe ce fait a la position de l’arrêt et donc il y a un petit blob qui se forme, puis cela fait un Home X et Y et reprend depuis le début de la couche interrompue.

image.thumb.jpeg.036fc09a2a5929eb7ee4b41fa4436a7e.jpeg

Coupure de courant ( via interrupteur à bascule) lors de l'impression

image.thumb.jpeg.48d358cbc294e66b992ea5185a40c11d.jpegimage.thumb.jpeg.0138ae7004bca44f9d5aca4fa43182ce.jpegimage.thumb.jpeg.1c044e7b133685816392b482daf062b9.jpeg

Puis quand l'on remet en fonction la machine, et si l'on clic "Continue", cela remet en chauffe le plateau, puis la tête, et seulement après les températures atteintes, cela faite un Home X et Y et recommence la couche interrompue.

image.thumb.jpeg.59711d9beccc2cfd7bf444eb68b49feb.jpeg image.thumb.jpeg.a7df479df6714c7565e219d450999ebe.jpeg image.thumb.jpeg.dd586d899240848ab00a116804279f8d.jpeg

Modifié (le) par PPAC
  • J'aime 2
  • +1 1
Posté(e) (modifié)

Assemblage

Sur la chaîne YouTube de "Creality After-sale" on trouve une vidéo officielle de déballage et d'assemblage "Ender-3 V3 SE Unpacking operation". (Vidéo que l'on retrouve sur la carte SD fournie.)

L'ensemble des étapes d'assemblage sont illustrées dans le manuel papier (en Anglais et Chinois) fourni. Manuel papier, repris dans les deux versions PDF (Anglais ou Chinois) sur la carte SD fournie, ou encore, téléchargeable (Anglais) par exemple sur Creality Cloud -> Products -> Ender-3 V3 SE -> chercher alors "Product Manual:" pour trouver un lien/bouton "Download".

image.png.5a0eaa3ed4f9eff0fa397725670dc539.png

Photos en vrac

Mise en place du "cadre de portique" (fr) / "gantry frame" (en) / de l'arche ( se munir de la clé hexagonale M2.5 )

image.thumb.jpeg.1a6f0e89c1e0b41cb72de9d6f9fa4515.jpegimage.thumb.jpeg.f0fdc0af4432fa6d2f579eca2077aeb5.jpeg

J'ai préféré après avoir enfiché l'arche dans les empreintes sur la base, délicatement basculer l'ensemble pour faciliter la mise en place (sans les serrer) des 6 vis (M3 x 14mm) du dessous

image.thumb.jpeg.0027d2c3da1a60f278700c4fb4f08dc2.jpeg image.thumb.jpeg.abbfa2aa9104c09f4165daa1865dda71.jpeg image.thumb.jpeg.bb57070edd2e9d04a210d7690adabeff.jpeg

Puis remettre l'ensemble sur ses pieds et pour chaque côté, approcher l'ensemble d'un bord de table pour finaliser les serrages.

image.thumb.jpeg.1afdeb793d8a02fa65e666f1e64ae381.jpeg image.thumb.jpeg.1dd6ccd9b1b6fed704e230571a16c849.jpeg

Il y a encore deux vis  (M3 x 8 mm) a placer sur le dessus de la base, côté gauche (là où il n'y a pas de moteur), pour finaliser la fixation de l'arche.

image.thumb.jpeg.c3929943d462b0fc960ebf3eeef4b3c4.jpeg image.thumb.jpeg.f9ff87cbbd942b53fbc6ced7fd11d08d.jpeg image.thumb.jpeg.2558a9c1a2ac5347fb20d9f7cdbfbd24.jpeg

Après cela le portique/l'arche semble bien solidaire de la base si on essaye de la bouger par le haut.

 

Vient ensuite la fixation du support de l’écran avec 3 vis (M4 x 10 mm) et du porte-bobine avec 2 vis (M5 x 8 mm)

Là encore pour fixer le support de l’écran a la base, profiter d'un bord de table pour faciliter la mise en place et serrage des vis.

image.thumb.jpeg.abb9e6a52392a9e57cc05a362f2415cc.jpeg image.thumb.jpeg.16aa8b7f73b5845c913b902fbe9024df.jpeg image.thumb.jpeg.ce04c1525ffb2b5b06ed25309683c084.jpeg image.thumb.jpeg.331dbda4a3d413bad2bbccfc7259a712.jpeg image.thumb.jpeg.ce5e7d8412a67cb28d4c5444417cf6b6.jpeg

 

 

Branchement du connecteur du faisceau de câbles principale a la tête d'impression, placement du faisceau de câbles, connexion du moteur de l'axe X.

Photos en vrac

image.thumb.jpeg.611026b8c842c559742c3b25e4d93f69.jpegimage.thumb.jpeg.cff3b18b188c0ab99fc04b2727304f1d.jpegimage.thumb.jpeg.8079e6ba5daf6b22b6ff5cf7067c56f2.jpeg

image.thumb.jpeg.c5730ebd8342dfed769d2af85a857a25.jpegimage.thumb.jpeg.7df9e7f25dbe375ebfc1284d07d4cf58.jpegimage.thumb.jpeg.3ad4e1a07498bf34348c73bee2eebe48.jpegimage.thumb.jpeg.10a878abade26b2657dd1021eb7aa6ac.jpegimage.thumb.jpeg.8644a83e8a149dc0f22d049fa05b7351.jpegimage.thumb.jpeg.f171c94689c763372426713d80cd69f4.jpegimage.thumb.jpeg.e86c2e577d99fb086609da72fcdf9bc7.jpegimage.thumb.jpeg.48fa103550011565896b151a110da131.jpeg

 

connexion du moteur de l'axe Z

image.thumb.jpeg.f9e0c441dedbf0a738af3dc58a0a0034.jpegimage.thumb.jpeg.f570299523ae13e5b67826bf5a20d1e0.jpeg

 

(Le moteur de l'axe Y, dans la base de l'imprimante, est normalement déjà connecté)

 

Vérification des tensions des courroies, et photos des vis a tourner pour ajuster leur tensions

Pour l'axe X, sur le coté droit du portique (celle la plus à avant)

image.thumb.jpeg.eb75d728163b4623523629a007c5fb94.jpeg

Pour l'axe Y, a l'arrière de la machine

image.thumb.jpeg.e0113b2aeb51ecc394942f2fe8ff7426.jpeg
 

 

 

Modifié (le) par PPAC
  • J'aime 3
  • Wow 1
  • +1 1
Posté(e) (modifié)

Détails sur le firmware d'origine

Bien noter qu'il y a deux firmwares.

  • Celui de la carte-mère, qui tourne sur un microcontrôleur GD32F303RET6. Qui se mettre à jour via le lecteur de cartes SD, qui se trouve à coté du port USB Type-C (sur le côté gauche de la base de l’imprimante).
     image.thumb.jpeg.9bcde34f75c76ee9d4c20fd045fcfa2e.jpegimage.thumb.jpeg.c07b4708f2a1b886522beaa7f5ad4050.jpeg
  • Et, celui de l’écran de contrôle (mise à jour via le lecteur de carte micro SD sur le côté gauche de l’écran (accessible a condition de sortir l’écran de son support).
    image.thumb.jpeg.08babc03cc17233ad106b6ee55ae468e.jpegimage.thumb.jpeg.1571b501e8cfb00fc6ce49c5e7939de2.jpeg

 

Pour la méthode de mises à jours des firmwares regarder "Service Tutorial Ender 3 V3 SE firmware flashing".

 

Dans ce qui suit, je parle du firmware marlin qui s’exécute sur la carte-mère.

 

Sous une Ubuntu 20.04, quand je branche le câble USB Type C (imprimante allumée) a mon ordinateur (USB Type A),
j'ai la ligne suivante en plus dans le résultat d'un "lsusb"

Citation

Bus 003 Device 002: ID 1a86:7523 QinHeng Electronics HL-340 USB-Serial adapter

 

Quelques extraits, nettoyés des horodatages, des logs de Repetier-Host (connecté avec une vitesse de 115200 bauds, sur le bon port série)

À la connexion

Citation

FIRMWARE_NAME:Marlin V1.0.1 (Jul 21 2023 11:56:33) SOURCE_CODE_URL:github.com/MarlinFirmware/Marlin PROTOCOL_VERSION:1.0 MACHINE_TYPE:Ender-3 V3 SE EXTRUDER_COUNT:1 UUID:cede2a2f-41a2-4748-9b12-c55c62f367ff

M115: Firmware Info (capacité activée si "1", désactivée si "0")

Citation

Cap:SERIAL_XON_XOFF:0
Cap:BINARY_FILE_TRANSFER:0
Cap:EEPROM:1
Cap:VOLUMETRIC:1
Cap:AUTOREPORT_POS:0
Cap:AUTOREPORT_TEMP:1
Cap:PROGRESS:0
Cap:PRINT_JOB:1
Cap:AUTOLEVEL:1
Cap:RUNOUT:0
Cap:Z_PROBE:1
Cap:LEVELING_DATA:1
Cap:BUILD_PERCENT:0
Cap:SOFTWARE_POWER:0
Cap:TOGGLE_LIGHTS:0
Cap:CASE_LIGHT_BRIGHTNESS:0
Cap:EMERGENCY_PARSER:1
Cap:HOST_ACTION_COMMANDS:0
Cap:PROMPT_SUPPORT:0
Cap:SDCARD:1
Cap:REPEAT:0
Cap:SD_WRITE:1
Cap:AUTOREPORT_SD_STATUS:0
Cap:LONG_FILENAME:1
Cap:THERMAL_PROTECTION:1
Cap:MOTION_MODES:0
Cap:ARCS:1
Cap:BABYSTEPPING:1
Cap:CHAMBER_TEMPERATURE:0
Cap:COOLER_TEMPERATURE:0
Cap:MEATPACK:0

M111: Debug Level

Citation

echo:DEBUG:INFO,ERRORS

M503: Report Settings

Citation

echo:  G21    ; Units in mm (mm)
echo:; Filament settings: Disabled
echo:  M200 S0 D1.75
echo:; Steps per unit:
echo: M92 X80.00 Y80.00 Z400.00 E424.90
echo:; Maximum feedrates (units/s):
echo:  M203 X500.00 Y500.00 Z5.00 E30.00
echo:; Maximum Acceleration (units/s2):
echo:  M201 X4000.00 Y4000.00 Z4000.00 E4000.00
echo:; Acceleration (units/s2): P<print_accel> R<retract_accel> T<travel_accel>
echo:  M204 P2500.00 R2500.00 T2500.00
echo:; Advanced: B<min_segment_time_us> S<min_feedrate> T<min_travel_feedrate> J<junc_dev>
echo:  M205 B20000.00 S0.00 T0.00 J0.10
echo:; Home offset:
echo:  M206 X0.00 Y0.00 Z0.00
echo:; Auto Bed Leveling:
echo:  M420 S1 Z10.00
echo:  G29 W I0 J0 Z0.23125
echo:  G29 W I1 J0 Z0.25225
echo:  G29 W I2 J0 Z0.29975
echo:  G29 W I3 J0 Z0.33975
echo:  G29 W I0 J1 Z0.09575
echo:  G29 W I1 J1 Z0.10725
echo:  G29 W I2 J1 Z0.10475
echo:  G29 W I3 J1 Z0.09375
echo:  G29 W I0 J2 Z0.00625
echo:  G29 W I1 J2 Z-0.01175
echo:  G29 W I2 J2 Z-0.05675
echo:  G29 W I3 J2 Z-0.05675
echo:  G29 W I0 J3 Z-0.06525
echo:  G29 W I1 J3 Z-0.11425
echo:  G29 W I2 J3 Z-0.12675
echo:  G29 W I3 J3 Z-0.11625
echo:; Material heatup parameters:
echo:  M145 S0 H200.00 B60.00 F0
echo:  M145 S1 H230.00 B70.00 F0
echo:; PID settings:
echo:  M301 P17.10 I1.39 D52.79
echo:  M304 P54.86 I10.06 D199.38
echo:; Power-Loss Recovery:
echo:  M413 S1
echo:; Z-Probe Offset (mm):
echo:  M851 X-24.25 Y-15.00 Z-2.10
echo:; Stepper driver current:
echo:  M906 X550 Y550 Z800
echo:  M906 T0 E600
echo:; Hybrid Threshold:
echo:  M913 X100 Y100 Z3
echo:  M913 T0 E30
echo:; Driver stepping mode:
echo:  M569 S1 X Y Z
echo:  M569 S1 T0 E
Input Shaping:
M593 X F42.00 D0.15
M593 Y F40.00 D0.15
echo:; Filament load/unload lengths:
echo:  M603 L0.00 U100.00

(Edit> La présence des valeurs de paramètres pour M906: Stepper Motor CurrentM913: Set Hybrid Threshold Speed et M569: Set TMC stepping mode, indique que les pilotes TMC sont gérés en UART et donc réglables via les Gcodes idoines.)

 

M600: Filament Change

Semble fonctionner correctement

  • mise en chauffe à 180°C de la tête
  • suite de petit bips et de petit bip plus rapide, (après petit levage Z?) et éjection du filament
  • demande de saisir M108 pour remettre en chauffe la tête
  • et demande de saisir M108 une seconde fois quand a température pour reprendre.
    • a faire après insertion du filament
  • semble revenir en attente de commandes après le (ici second) M108.

Mais donc, a re tester avec un M600 dans un fichier d'une impression

Citation

N22 M600*21
echo:busy: processing

...
echo:busy: processing
echo:Insert filament and send M108
echo:busy: paused for user

...
echo:busy: paused for user
echo:Send M108 to heat nozzle
echo:busy: paused for user

...
echo:busy: paused for user
N23 M108*27
echo:busy: paused for user

...
echo:busy: paused for user
echo:Insert filament and send M108
echo:busy: paused for user

...
echo:busy: paused for user
N24 M108*28
echo:busy: processing

...
echo:busy: processing
ok

 

M117: Set LCD Message

Ne semble rien afficher ni sur le menu d’accueil, ni si dans le sous-menu "control" ( où l'on voit les températures, état des ventilations, z-Offset et valeur de Z )

(mais a re-tester lors d'une impression)

 

Le ventilateur du Heatbreak se met automatiquement en fonction quand la température mesurée de la tête arrive à 50°C ( et arrêt auto du ventilateur quand la température passe en dessous de 50°C) 

 

Pas de modulation des fréquences du "bip" ( M300 )

Le 18/09/2023 at 11:44, PPAC a dit :

Le buzzer ne semble pas déclaré comme "speaker" sous le firmware marlin.

Donc il n'est pas possible de faire des modulation de fréquence des bip sonores émis ( voir M300: Play Tone )

Et donc, mon fichier mario.gcode qui joue normalement une petite mélodie extraite d'un jeu vidéo "Mario" ne rend vraiment pas top.  ( copier/coller le contenu de mario.gcode dans le champ "gcode" et cliquer "Play" de http://ddrboxman.github.io/RepRapRingtone/ pour entendre ce qui est attendue.)

 

 M119: Endstop States ( Après un "Home" (G28) )

Citation

Reporting endstop status
x_min: open
y_min: open
z_min: TRIGGERED
test_axis_known_x_flag = true
test_axis_known_y_flag = true
test_axis_known_z_flag = true

Donc le firmware d'origine ne semble pas correctement configuré pour permettre l'ajout d'un capteur de fin de filament.
( Il faudra probablement modifier le firmware pour permettre de prendre en compte un capteur de fin de filament. Mais Creality ne semble pas avoir, a ce jour, mis a disposition les sources du firmware sur son GitHub public. )

Modifié (le) par PPAC
  • J'aime 3
  • +1 1
Posté(e) (modifié)

Mise en fonction

Bien vérifier la position du secteur de tension du bloc d'alimentation, avant de connecter le câble d’alimentation secteur et d'allumer la machine avec le bouton à bascule "Marche/Arrêt".

image.thumb.jpeg.cf1df5309c20517d216bd451ae4a7522.jpeg image.thumb.jpeg.ac59839283892827e35f3eb19c6e5f99.jpeg

Le CR-Touch s'illumine

image.thumb.jpeg.9f872dfd3b1daff67f2428d75066edb5.jpeg

et l'écran de contrôle (après avoir affiché le logo de Creality), arrive sur le menu d’accueil (je n'ai pas eu le droit à la sélection de langue, je me suis retrouvé, sur un écran d’accueil en Chinois ...)

image.thumb.jpeg.2e9fe32286d6af54b8a34ba2095a2714.jpeg

Heureusement les icônes m'ont aidé à trouver le menu, où l'on trouve tout en bas, le sous-menu pour changer la langue ( J'ai selectionner "English" car bien souvent les traductions en "Français" me sont moins claires ) 

 image.thumb.jpeg.dea0a722e369432b2654c00d7a5dc959.jpeg image.thumb.jpeg.0a3964e8518ef294139f580d69ae9977.jpeg image.thumb.jpeg.8af2ea186123e018c3e396efeac8c2e0.jpeg

La suite bientôt.

(A FAIRE

Insertion du filament ...

Bien tailler en biseau le bout du filament que l'on va introduire,

Mettre en chauffe ( ici je prend PLA ), attendre d'arriver a température ...

image.thumb.jpeg.00b72e22933cc071ec77cc2afd530f58.jpeg image.thumb.jpeg.24d533ba01a127ba44a2cfbfe3ab4ba2.jpeg 

Puis insérer le filament tout en appuyant sur le levier de l'extrudeur "Sprite" jusqu'a obtenir un début d'extrusion de filament en sortie du nez de la buse ...

(A FAIRE Photo d'illustration insertion filament avec appuis sur le levier)

 

Le "Levelling" ( Auto Leveling, ... )

Attention si l'on clic sur "Levelling", cela démarre directement ( pas de confirmation a effectuer pour continuer )

image.thumb.jpeg.d28ac6e9c1a355c6abb206312807a869.jpeg

On arrive a l’écran suivant ( avec l'icone de l’étape en cours, qui clignote entre la couleur orange et bleu ) 

Après la chauffe terminé (aucun moyen de savoir où cela en est en température a ce moment)
cela semble faire un Home X et Y, puis déplacement au centre du plateau en hauteur, sortie du palpeure du CR-Touch, descente de la tête pour palper le centre du plateau ...

image.thumb.jpeg.948961e0a3bd9da074ff6bf339f779b0.jpeg image.thumb.jpeg.3dba47c69a0507610db16c88138191f6.jpeg image.thumb.jpeg.385f8683e79f84df484de93d80aa21a4.jpeg

Ensuite, la tête semble faire un Home All car elle se rapproche du coin avant gauche du plateau, se frotte un coup sur le plateau, vient doucement  "tapoter" le plateau avec le nez de la buse juste là ou se trouve en dessous le capteur de pression du support du plateau, revient en montant au centre du plateau, ressort le palpeur, descend la tête pour palper le centre du plateau, et recommence cela plusieurs fois ( il me semble 4 fois )  

image.thumb.jpeg.d5b96ba116a7b0fc3ea5399d0bb2bd4e.jpeg image.thumb.jpeg.c2a80be5f52e96d4e7eef8c2732cb805.jpeg image.thumb.jpeg.62df68c17ea02820bb09b3d03f49f1ab.jpeg image.thumb.jpeg.e18bfa9f81b58d4c54aee8bf1cf38cfd.jpeg

la une pause au centre du plateau, mise en route du ventilateur de refroidissement de l'impression, semble attendre quelque seconde ( ? nouvelle chauffe du plateau ) et commence le palpage de l'ensemble du plateau ...

image.thumb.jpeg.5cebb73950c72e7f80a089b402c79af2.jpeg image.thumb.jpeg.e9733432b9c979b4818ea6d9ecbd7361.jpeg image.thumb.jpeg.9996bcfe1f5856a4e91eb2a466f8375f.jpeg image.thumb.jpeg.6cf2db0339f93a7e60414a6cdebfc1b2.jpeg

Pour finalement nous proposer d'éditer ou de confirmer le mesh obtenus. ( J'ai cliqué "Confirme" )

image.thumb.jpeg.43627812843da398b28d7f4041b975e8.jpeg

)

Modifié (le) par PPAC
  • J'aime 3
  • Merci ! 1
Posté(e) (modifié)

Impressions du fichier présent sur la carte SD fournie

1-cat.gcode

extrait du début du fichier

Citation

;FLAVOR:Marlin
;TIME:6602.56
;Filament used:6.48687m
;Layer height: 0.2
;MINX:87.516
;MINY:87.5
;MINZ:0.2
;MAXX:132.376
;MAXY:130.413
;MAXZ:69.2
;OuterWall Time:2591.24
;InnerWall Time:1870.82
;Skin Time:570.063
;Support Time:0
;SkirtBrim Time:9.11282
;Infill Time:524.702
;InfillSupport Time:0
;Combing Time:562.291
;Retraction Time:474.335
;PrimeTower Time:0

;
;
;
;
;
;
;
;
;
;
;
;
;
;
;
;
;
;
;
;
;
;
;
;
;
;
;
;
;
;
;
;
;
;
;
;
;
;
;
;
;
;
;
;
;
;
;


;Creality Print GCode Generated by CXEngine
;CRSLICE_GIT_HASH:3090a58
;Creality Print Version : V4.3.6.6189
;CXEngine Release Time:2023-07-07 13:05:39
;Gcode Generated Time:2023-07-15 16:16:25
;----------Machine Config--------------
;Machine Name:Ender-3 V3 SE
;Machine Height:250
;Machine Width:220
;Machine Depth:220
;Material Type:PLA
;Material Name:CR-PLA_1.75
;Number of Extruders:1
;ExtruderParams[0] Nozzle Diameter:1000
;----------Profile Config---------------
;Layer Height:0.2
;Wall Thickness:1.32
;Top/Bottom Thickness:1.32
;Out Wall Line Width:0.4
;Inner Wall Line Width:0.4
;Inital Layer Height:200
;Wall Line Count:2
;Infill Line Distance:8
;Infill Pattern:grid
;Infill Sparse Density:10
;Infill Wipe Distance:0.1
;Print Temperature:205
;Bed Temperature:50
;Support Enable:false
;Support Density:10
;Support Angle:60
;Adhesion Type:skirt
;machine is belt:false
;machine belt offset:10
;machine belt offset Y:0
;Raft Base Line Spacing:1.6
;Wait Heatup Sync:true
;Enable Ironing:false
;Material Type:PLA
;Max volumetric speed:20.00
;----------Shell Config----------------
;Outer Wall Wipe Distance:800
;Outer Inset First:false
;Infill Before Walls:false
;Infill Overlap:0.12
;Fill Gaps Between Walls:nowhere
;Minimum Infill Area:15
;Top Surface Skin Layer:0
;Top Layers:4
;Z Seam Alignment:sharpest_corner
;Seam Corner Preference:z_seam_corner_inner
;Z Seam X:0
;Z Seam Y:0
;Horizontal Expansion:0
;Top/Bottom Pattern:lines
;Ironing Pattern:zigzag
;Vase Model:false
;----------Support Config----------------
;Support Type:buildplate
;Support Pattern:zigzag
;Support Infill Layer Thickness:0.2
;Minimum Support Area:5
;Enable Support Roof:true
;Support Roof Thickness:0.8
;Support Roof Pattern:lines
;Connect Support Lines:0
;Connect Support ZigZags:1
;Minimum Support X/Y Distance:0.2
;Support Line Distance:4
; ---------PrintSpeed & Travel----------
;Enable Print Cool:true
;Avoid Printed Parts Traveling:true
;Enable Retraction:true
;Retraction Distance:0.8
;Retraction Speed:40
;Retraction Prime Speed:40
;Maximum Retraction Count:100
;Minimum Extrusion Distance Window:0.8
;Z Hop When Retracted:false
;Z Hop Height:0.2
;Retract Before Outer Wall:true

;Outer Wall Speed:80
;Inner Wall Speed:125
;Infill Speed:250
;Top/Bottom Speed:150
;Travel Speed:300
;Initial Layer Speed:30
;Skirt/Brim Speed:30
;Prime Tower Speed:250
;Outer Wall Acceleration:1000
;Inner Wall Acceleration:2000
;Infill Acceleration:2500
;Top/Bottom Acceleration:2500
;Travel Acceleration:2500
;Initial Layer Print Acceleration:2500
;Initial Layer Travel Acceleration:2500
;Skirt/Brim Acceleration:2500
;Combing Mode:no_outer_surfaces
; --------SpecialModel&Mesh Fixes--------
;Union Overlapping Volum:true
;Remove All Holes:false
;Maximum Travel Resolution:0.8
;Maximum Deviation:0.05
;Maximum Model Angle:0.872767
;IS Mold Print:false
;Make Overhang Printable:false
;Enable Coasting:false
;Coasting Volumes:0.06
;Coasting Speed:0.9
;Raft AirGap:0.25
;Layer0 ZOverLap:0.13
;---------------------End of Head--------------------------
M140 S60
M105
M190 S60
M104 S200
M82 ;absolute extrusion mode
M220 S100 ;Reset Feedrate
M221 S100 ;Reset Flowrate

G28 ;Home

G92 E0 ;Reset Extruder
G1 Z2.0 F3000 ;Move Z Axis up
G1 X10.1 Y20 Z0.28 F5000.0 ;Move to start position
M109 S200.000000
G1 X10.1 Y145.0 Z0.28 F1500.0 E15 ;Draw the first line
G1 X10.4 Y145.0 Z0.28 F5000.0 ;Move to side a little
G1 X10.4 Y20 Z0.28 F1500.0 E30 ;Draw the second line
G92 E0  ;Reset Extruder
G1 E-1.0000 F1800 ;Retract a bit
G1 Z2.0 F3000 ;Move Z Axis up
G1 E0.0000 F1800 

G92 E0
G92 E0
G1 F2400 E-0.8
;LAYER_COUNT:346

;LAYER:0
M106 S0
M106 P2 S0
M204 S2500
G0 F7200 X91.208 Y90.281 Z0.2
;TYPE:SKIRT
G1 F2400 E0

( A FAIRE : résumés des paramètres d'impression )

 

image.thumb.jpeg.59a50a89eea119da3927fe7ceca58bb9.jpeg image.thumb.jpeg.4ade792f2fa7540579013a50e11e7c6f.jpeg

image.thumb.jpeg.8f2f3d5cc6be8c30f77596d21ddda210.jpeg image.thumb.jpeg.dcc6b911e84f03d082a74be8f478295f.jpeg image.thumb.jpeg.5615042fb9ccfce66fc2882c49df0a3e.jpeg

Un petit tour dans le sous-menu "Tune" sans rien y changer mais juste pour regarder

image.thumb.jpeg.7e972dfe050186a6cb53f423c259a522.jpeg image.thumb.jpeg.52872d6379cef6948deaec79cc887797.jpeg 

Et la fin de l'impression

image.thumb.jpeg.30891b117850c590a533aa76ca7e66f5.jpeg

En fin d'impression, il y a un Home X et Y, puis avancé du plateau au maximum de l'axe Y, pour présenter l'impression.

Le résultat me semble très bon pour une première impression sur une machine fraîchement montée, la jupe semble parfaitement écrasée sur le plateau (les trait sont bien jointifs) ...

image.thumb.jpeg.dfb16c5f3d2b80734af0e12509004244.jpeg image.thumb.jpeg.89d9ac841ad9a6b0d5088a2be2abd9c3.jpeg image.thumb.jpeg.113b8aebfce76bd9ee7e7d6ca54d8b44.jpeg image.thumb.jpeg.f308956edad7ec99f1aaa014a6d61248.jpeg image.thumb.jpeg.e2c37bcf951ba4970dd5a4465ce5bb0e.jpeg

Lors de l'impression, l'imprimante fait des mouvements plutôt rapides et il faut préférer une table bien robuste et stable pour éviter que cela ne secoue trop.

 

(Ressenti personnel qu'il me faudrait justifier avec des relevés d'un outil de mesure du volume sonore que je n'ai pas. )

Les déplacements sont silencieux quand exécutées à vitesse lente, mais a vite rapide les secousses se font entendre.

L'extrudeur fait de petit "clac/clic" tout de même audible lors des rétractions rapides.

Globalement elle me semble faire un peu plus de bruit que les dernières imprimantes de même volume d'impression que j'ai testée. Mais cela semble être le résultat de la vitesse des mouvements et d'impression plus rapide.

 

Modifié (le) par PPAC
  • J'aime 4
  • +1 1
Posté(e) (modifié)

Trancheurs

Creality fourni une version 4.3.6 de "Creality Print" que l'on peut télécharger sur https://www.crealitycloud.com/software-firmware/software

image.png.793af8af269fedef2b2ade70cefeb32d.pngimage.thumb.png.fb24b420fce6c5c8c3d251036ba9354f.png

Malheureusement, a cette date (12/09/2023),

  • cette version semble encore pleins de bugs
    • la version d'extension ".AppImage" pour Linux, crash ("Erreur de segmentation") quand je clic sur "Slice" (sous ma Ubuntu 20.04)
    • la version Windows (qui elle, ne crash pas (trop souvent) quand je clic sur "Slice") reste tout de même instable et a tendance a crasher de temps en temps (sauver votre projet régulièrement, pour ne pas risquer de le perdre trop de travail de préparation de la scène d'impression, sur un crash).
  • il n'y a pas beaucoup de traduction disponible... image.png.fbfdcefed816950209a52c6f81d43bc6.png
  • Il n'est pas possible via l'interface de définir une buse d'un diamètre différent de 0.4 mm.
  • ...

Mais elle me semble relativement intuitive a configurer lors de sont premier démarrage et dispose d'un profil d'imprimante pour la "Ender-3 V3 SE"

image.thumb.png.da0b8b1a5104e55ef7d6d67edfcc9dfd.pngimage.png.c8b3ff5f78b69cb1b7478f7e693aaf77.png

 

Bien noter que "Creality Print" utilise une notion de limite de "Débit volumétrique maximale (mm³/s)" qui change selon le matériau sectionné.

image.thumb.png.8f72fc7870a6fd9611bfca9ab5462f79.png 

image.thumb.png.e1ea3f10a2abd54ab11f0656cfdf9ca7.png image.thumb.png.57efe211286838f30e022d7187fde4da.png image.thumb.png.af4f597aa9c55924793a5c904e578b2d.png

Et donc, pour un même modèle 3D et même profil de qualité, selon le matériau sélectionné, les vitesses seront adaptées pour ne pas dépasser cette limite de "Débit volumétrique maximale (mm³/s)" dans le résultat d'un découpage/tranchage (quand on clique sur "Slice")

Pour illustrer, la vue d'aperçu qui affiche des nuances de couleur selon les vitesses utilisées, pour un même modèle 3D, un même profil de qualité d'impression (ici le "Normal") mais l'un avec du PLA (ou du PETG j'ai oublié de noter ... je dois vérifier) et l'autre avec du TPU comme matériau lors du tranchage.

image.thumb.png.848ae65cd5a71dde3e156e8fe3416a47.png image.thumb.png.4aa87e9822f50447431a7a070961b438.png

 

Profil d'imprimante sous Ultimaker Cura (a cette date 12/09/2023 Ultimaker Cura v5.4 ne dispose pas encore d'un profil pour la "Ender-3 V3 SE")

  • Partir du profil d'une "Ender-3 S1"  (car elle aussi a un extrudeur direct drive "Sprite" et donc les valeurs de "distance de rétractions" seront normalement adaptées) et modifier le nom de l'imprimante en "Ender-3 V3 SE"
    • modifier la hauteur du volume d'impression qui est de 250 mm pour une "Ender-3 V3 SE"
    • ...

image.png.8d662627a9a24eafcf9349e5244b343f.png image.png.82d983ad32ad1d2009c90c45138ddbd8.png ...

Projet Ultimaker Cura (v5.4) qui permet normalement d'importer un profil pour le "Ender-3 V3 SE" (basé sur un profil modifié d'une "Ender-3 S1") mais dont les profil de qualité d'impression sont encore a ajuster pour avoir un équivalent avec ce que propose "Creality Print v4.3.6"

UC_E3V3SE_CubeCalib_CPNormalLike.3mf (version temporaire) 

// A FAIRE refaire des projets avec un profil d'impression qui colle le plus possible, avec le profil qualité "Normal" de "Creality Print" pour la "Ender-3 V3 SE" pour du PLA, du TPU et du PETG.

Modifié (le) par PPAC
  • J'aime 2
Posté(e) (modifié)

Accessoires optionnels ou Upgrades.

Pour le moment (12/09/2023) pas d'upgrade officiel de disponible.

Mais il semble exister des accessoires optionnels (Que je n'ai pas testés, sauf le filament "Hyper Filament PLA" gracieusement fourni)

image.png.a2a7f09498810c621e44cf53fd0184b9.png

 

Quand je regarde la buse de rechange fournie (la photo), mes mesures correspondent avec (le schéma)

image.thumb.jpeg.2b79a4006d96ac3b8c99940de67daef8.jpegimage.jpeg.09b1cc2135b3fad5d0d30ee00c3d8b4b.jpeg

Source schéma https://store.creality.com/products/high-speed-nozzle-kit

 

Pièces détachées

A cette date, pas de liens spécifique d'achat, pour par exemple une tête complète.
Il faut demander au SAV ou support de Creality. ( cs@creality.com , https://www.facebook.com/crealitycustomerservice )

Modifié (le) par PPAC
  • J'aime 2
Posté(e) (modifié)

Difficultés et autres remarques

Pour le moment riens de critique a signaler.

 

La plaque flexible d'impression avec un revêtement PC fourni, offre une très très bonne adhérence (même trop).

Car même après que la température du plateau soit revenue à température ambiante, avec le Z-Offset automatiquement déterminé, et car je n'ose pas trop plier cette plaque pour ne pas la déformer, ou pour les impressions de seulement quelques couches de hauteurs (donc flexibles, comme une jupe ou la ligne de purge)

Le 07/09/2023 at 12:33, PPAC a dit :

il me faut (comme je fessais sur mon plateau avec une surface buildtak collé sur un carreau de verre de ma K8400)

prendre une lame émoussée (pour ne pas trop abîmer la surface surtout pas avec une lame de cutter car trop tranchante et l'on risque d'enlever/découper une tranche de la surface d'impression)
puis bien plaquer la lame contre la surface d’impression, et tourner autour de l'objet imprimé tout en la poussant sans trop forcer mais suffisamment pour arriver à décoller l'impression ...

image.thumb.jpeg.10e164b39b41708f2d620602f2880f95.jpegimage.thumb.jpeg.ba4e7c6b423ae9a5f7f2514a1db2f289.jpegimage.thumb.jpeg.73bd6aa4791fe3cdc92afcee3319de80.jpeg

 

Les messages d'erreurs  

Il y a 10 heures, PPAC a dit :

ici, je cherche à déclencher des messages d'erreurs du firmware.

 

Première tentative

En ayant préalablement déconnecté le faisceau de câble principal de la tête d'impression avant d'allumer la machine.

Allumage sans message d'erreur (mais si on va dans un sous-menu comme "Prepare" l'on peut voir la température de la buse affichée a "-14" °C)image.thumb.jpeg.cd10fa1bc6261e0429b0965df39bbebb.jpeg

Au lancement d'une impression rien de spécial ( sauf le "-14" °C affiché pour la buse (normale ici car j'ai déconnecté la tête d'impression justement pour déclencher une erreur) )

image.thumb.jpeg.fe1fcff8fa0e326a41be04e243d75568.jpeg

et relativement rapidement, cela émet une petite suite de bips, suivie d'un long bip sans fin, et affiche un message d'erreur "Nozzle temperature is too low" ( après le Home X, Y et le retour en position central du plateau, et le début de la mise en chauffe de la tête. (normalement suivie d'un palpage au centre du plateau) ) qui oblige à éteindre la machine car aucune action n'est alors possible.

image.thumb.jpeg.7622423ad9fe734b5f0d001c231c8f1c.jpeg

(Sur mes "antiques" imprimantes (comme la K8400) j'étais habitué au message d'erreur "MINTEMP" dès l’allumage dans ce genre de situation)

 

Seconde tentative

En ayant préalablement déconnecté le moteur de l'axe X avant d'allumer la machine et demander un "Auto Home".

Il n'y a alors pas d'erreur d'affiché mais cela reste bloqué sur l’écran "Homing... No other operations are allowed" (forcement le capteur de fin de course X n'est jamais déclenché, car il n'y a pas de déplacements sur l'axe X, car j'ai déconnecté le moteur de l'axe X, pour chercher a déclencher une erreur)

image.thumb.jpeg.23456fae457d9702258d420c1749ea0d.jpeg image.thumb.jpeg.984fcdaa53a0bae39a0bf8f6ce323c4c.jpeg

 

J’hésite a faire un Leveling en ayant débranché le capteur de pression qui permet de déterminer le Z-Offset. (Car, si il n'y a pas d'erreur au démarrage,  je me dis que c'est probable que la buse force alors sur le plateau lors du Leveling. Mais il me faudrait vérifier pour vraiment savoir...)

 

(Sinon petite déception pour moi.)

Le buzzer ne semble pas déclaré comme "speaker" sous le firmware marlin.

Donc il n'est pas possible de faire des modulation de fréquence des bip sonores émis ( voir M300: Play Tone )

Et donc, mon fichier mario.gcode qui joue normalement une petite mélodie extraite d'un jeu vidéo "Mario" ne rend vraiment pas top.  ( copier/coller le contenu de mario.gcode dans le champ "gcode" et cliquer "Play" de http://ddrboxman.github.io/RepRapRingtone/ pour entendre ce qui est attendue.)

 

 

Modifié (le) par PPAC
  • J'aime 1
Posté(e) (modifié)

Autres impressions (Acte I)

//A FAIRE extrait de commentaires (1er, 2eme, 3eme (dragon (PLA) et ghost TPU), 4eme (ghost TPU vitesses), 5eme (PETG) ) a réorganiser 

 

Quelque cubes de test pour commencer simplement (le même que le cube de calibration du plugin "Calibration Shape" de Ultimaker Cura)

1 > Tranché sous Creality Print v4.3.6, profil PLA, Normal (

image.thumb.png.f738e2992a1454ba2cca602cb0786eee.pngimage.thumb.png.c78d395b169cf31de930ac62dcdfeebb.pngimage.thumb.png.f5c5eee346f3517b39b4dff39224dd65.png

image.thumb.jpeg.ecfd8e450d211075dd226b9a33f05609.jpeg

//Edit > le placement de la jointure en Z du profil "Normal" est a revoir/adapter pour ce placement de ce modèle  ...

2 > Tranché sous Creality Print v4.3.6, profil PLA, Normal ( mais ajout a la main d'un M600: Filament Change juste avant la couche 50 )

image.thumb.jpeg.f6efcda2a6e70dd770901a17541eb884.jpegimage.thumb.jpeg.7a48bdaa381b4e6fe1a3e917e7ecfa55.jpeg

3 > Tranché sous Creality Print v4.3.6, profil PLA, Normal ( mais ayant subit une reprise sur coupure de courant )

image.thumb.jpeg.e53135e0122f9172809ed5fb18873d85.jpegimage.thumb.jpeg.681fb245a78221057ca8b5abad24a415.jpeg

(Edit > ne pas prendre en compte la qualité de la jupe car essais d'ajustement du Z-Offset lors de son impression. )

4 > Tranché sous Ultimaker Cura 5.4.0 ( avec un profil partiellement basé sur les paramètres du profil sur "Creality Print v4.3.6, prile PLA, Normal")

image.thumb.jpeg.90898a2afeb04b21bef74475b78314b8.jpeg

 

IMG_20230910_121151.thumb.jpg.a2d8602b506810afde585cd8ccbb1f1a.jpgIMG_20230910_121127.thumb.jpg.53ee8d5a3582755aa429a2c374e915f1.jpgIMG_20230910_121110.thumb.jpg.8b150f56edca2264d8fd8034a9a242db.jpgIMG_20230910_121050.thumb.jpg.43d8e35aa1f5a0d6b2c20865381c8a52.jpgIMG_20230910_121030.thumb.jpg.d5e870c7f731a4564b6bae97d8e47b15.jpgIMG_20230910_121011.thumb.jpg.aeb41c938f356de1bf07930afe082c23.jpg

 

Flex Dino Keychain
by ffbeso January 29, 2019
https://www.thingiverse.com/thing:3389727

Tranché sous Creality Print v4.3.6, profil PLA, Normal

image.thumb.jpeg.b945b21b0caca7f1af45f0a75b601f9a.jpegIMG_20230910_120850.thumb.jpg.90b77ab666ee7a31a379c088ce0b92ef.jpgIMG_20230910_120841.thumb.jpg.55ae3c4ab11e2de097debe4317810337.jpgIMG_20230910_120822.thumb.jpg.d0d5a5b4bbc98997beab77dd0de756a1.jpgIMG_20230910_120805.thumb.jpg.219809b2a7651d610273a30e759b1aeb.jpgIMG_20230910_120754.thumb.jpg.f3bd994b3881879da2ca44e6bc57c8ab.jpg

 

Safe from the Rain
3DPrintBunny
https://printables.com/model/563912-safe-from-the-rain

Tranché sous Creality Print v4.3.6, profil PLA, Normal

image.thumb.jpeg.be77f2636789b553dbfe1b57d70b9288.jpegimage.thumb.jpeg.f0b736ef832ee3f64c12cfbfff8b3b78.jpegimage.thumb.jpeg.7ea1731b3f0f28e3430817e21483b5b4.jpegIMG_20230910_120557.thumb.jpg.e74fa05efdc7c95f04d4104c9677ffe2.jpgIMG_20230910_120542.thumb.jpg.d9aa56c19d20f00aebe25002c8689239.jpgIMG_20230910_120530.thumb.jpg.831691775e98fb1dddd1685e5b8662b5.jpgIMG_20230910_120516.thumb.jpg.f5732a95f8a06f9b7698573fcc2f2f3d.jpgIMG_20230910_120459.thumb.jpg.a510a35042c1bbeeb0fee10856e7920a.jpgIMG_20230910_120437.thumb.jpg.eca3db8e0c462ba18f0542e04eda07fb.jpgIMG_20230910_120420.thumb.jpg.5630210a7c48a624b055775cef4d8428.jpgIMG_20230910_120408.thumb.jpg.8d8e1b4d57ac3d39342cceab617cdddc.jpgIMG_20230910_120358.thumb.jpg.2a0c215f6bfb14072d0bdca4dcbd78c2.jpg

---

"Creality Hyper PLA Blanc" 

Trancheur : Creality Print v4.3.6 Qualité Normal ( 0.2 mm )

Le 15/09/2023 at 12:54, PPAC a dit :

le plateau flexible avec une surface "PC" cela fonctionne/adhère très (voir trop) bien.

J'ai osé imprimer 

"Silver Dragon" de "The Dragons Den" https://www.crealitycloud.com/model-detail/632d1cba984ba68ea9c70dc8
(payant mais actuellement gratuit si un compte Creality Cloud Premium )

sans bordures et aucun décollements a signaler.

image.thumb.jpeg.e2b82d179e7d1bf2a087544cc1cda999.jpegimage.thumb.jpeg.ec8b3375ad59e292da7d14bf58995375.jpeg

IMG_20230921_110443.thumb.jpg.ae548a3c104a044d7880177ea62ba2e3.jpg IMG_20230921_110502.thumb.jpg.841a48372dd3b54b3f25ff64c5648514.jpg IMG_20230921_110527.thumb.jpg.cbb6cab59e21ff3ef270b19340c09807.jpg IMG_20230921_110540.thumb.jpg.a0e4adc49d422ebf7954800010d8b225.jpg IMG_20230921_110553.thumb.jpg.98d502a8f4fb3dfad719564c667c2dae.jpg 

---

TPU 95A    

Le 15/09/2023 at 12:54, PPAC a dit :

"Ghost Booh" par "BODY-3D" (October 06, 2022) https://www.thingiverse.com/thing:5551428
TPU 95A translucide ArianePlast

image.thumb.jpeg.8259d12a581a1784781935f2647c15cf.jpegimage.thumb.jpeg.d149ed9b21742d7cee3652c5d6b46537.jpegIMG_20230915_122338.thumb.jpg.fbe3a9b9e023be56cd26680d9f277a47.jpgIMG_20230915_122344.thumb.jpg.f7ca72b300f24d62a4d653d415460fab.jpgIMG_20230915_122401.thumb.jpg.75d944eb8950a30a46aba4337a716d35.jpgIMG_20230915_122548.thumb.jpg.6e282229e133774566ba0e96ce38c4ba.jpgIMG_20230915_122553.thumb.jpg.2bd74efb4b38827baee9e85df6c680a2.jpgIMG_20230915_122650.thumb.jpg.0785703878ee6b5cdc350920bb9aa6af.jpgIMG_20230915_122659.thumb.jpg.47b561ed15f926582970133b27415662.jpg

Je n'aurais peut-être pas dû changer la "distance de rétraction" à 0.8 mm et la "vitesse de rétraction" à 30 mm/s, au lieu des 1.6 mm et 40 mm/s du profil CR-TPU de Creality Print v4.3.6 ... ou alors il me faut tester d'imprimer moins chaud (ici 228°C) avec ce TPU pour limiter les cheveux d'ange.

//Pour le TPU 95A, j'ai directement sorti une lame émoussée pour le décollage du plateau.

 

Le 15/09/2023 at 14:23, PPAC a dit :

Pour la vitesse c'est pas simple, car tranché sous Creality Print 4.3.6 avec le profil "HP-TPU" (juste changé la température, mais qui a donc un "MVS" de 5.0 mm³/s ) et profil qualité "Normal" (vitesse 180mm/s, hauteur de couche 0.2mm, largeur de trais 0.4 mm ) ce qui donne donc des vitesses normalement limitées par la valeur du MVS...

image.thumb.png.7883bb66967f4f7564a1fd5061751e0a.png

2023-09-1421_28_32-CrealityPrint.thumb.png.32cd76f40cf51dea23e6ce51ecd91bb0.png 2023-09-1421_28_45-CrealityPrint.thumb.png.a3676c15ca01c9a5f83ab2b08703acc8.png

 

Il y a 3 heures, PPAC a dit :

"Ghost Booh" par "BODY-3D" (October 06, 2022) https://www.thingiverse.com/thing:5551428
TPU 85A Violet ArianePlast
(Creality Print v4.3.6 (Windows), profil matériau TPU, température d'impression 228°C, Profil qualité "Normal", jupe, remplissage 100%)

Sur les photos, les défauts sur les 1ers centimètres sont dus à une bobine qui se déroule difficilement et ils disparaissent ( ou plutôt s’estompent un peut) car après cela j'ai lubrifié le support de bobine.

image.thumb.jpeg.c81f892a7ddf4fc583aa822dd7efcac8.jpeg IMG_20230921_111310.thumb.jpg.9e157f3ab645277b7b640708a8272235.jpg IMG_20230921_111301.thumb.jpg.4d92428c160c73ce73e74818cb8533b6.jpg IMG_20230921_111251.thumb.jpg.3790601d2ee1fdf87c4bc11e8ce964fd.jpg IMG_20230921_111243.thumb.jpg.1f7d49a006f8fce72cfcdcc06f265343.jpg IMG_20230921_111239.thumb.jpg.b5f0a14c8406fe1469e3b197d6ad35b4.jpg

---

PETG

Le 16/09/2023 at 16:15, PPAC a dit :

J'ai faits deux impressions avec du PETG.

Une pour utiliser un maximum de la surface du plateau

"halloween decoration" de "Bego"
https://www.printables.com/fr/model/295217-halloween-decoration

  • Trancheur : Creality Slicer v4.3.6 (Windows)
  • Profil matériau : "CR-PETG_1.75" ( un MVS ("Max volumetric speed" de 9.00 mm³/s )
  • Profil qualité : "Normal" ( une jupe ("skirt") et non un "autobrim" comme "type d’adhérence plateau" ("Build Plate Adhesion Type" )
  • (réduction de l’échelle et rotation pour tenir sur le plateau)
  • Filament utilisé : PETG noir Sunlu
    • ( Une bobine entamée qui traîné, ayant pris la poussière et possiblement un peu d'humidité, ayant des spires qui sont passées sous d'autres spires donc qui peuvent possiblement faire un nœud lors de l'impression (car je n'ai pas gardé tenu/fixés le filament lors des manipulations de cette bobine)  et dont je ne suis au final pas certain du fabricant ...image.thumb.jpeg.d8e19173b4f2b932027807faa35d6458.jpeg)
  • Erreurs de débutant :
    • Je n'avais pas nettoyé mon plateau a l'IPA 99.9% depuis plusieurs impressions
    • et je n'avais pas anticipé que mon impression et la ligne de purge (du g-code de démarrage) allez se superposer ... 

1er essai d'impression, échec d'adhérence de certaines parties de la couche initiale. Impression stoppée.

image.thumb.jpeg.4e89c8e01c96d4578211a4c14b2bbd2b.jpeg après avoir sélectionné et cliqué "Stop" image.thumb.jpeg.46dcb416ba39a38d3886a76ba05e7b3b.jpegimage.thumb.jpeg.57ec36cbcf596043f82077e18115bd98.jpeg

2eme essai d'impression, après un nettoyage du plateau.

image.thumb.jpeg.7905261a7bd9dd567c85ea22822445b1.jpegimage.thumb.jpeg.2a57c507c0168abe21bc61661ea182ec.jpegimage.thumb.jpeg.86340e1dbaab3621831a64bbfaff1f4b.jpeg

image.thumb.jpeg.19fc53f9430d477bbfc38d3313c6db90.jpegimage.thumb.jpeg.22751ac8e194bf10af01b9de094b377a.jpeg

Face côté plateau

image.thumb.jpeg.f410ff8d20152cac7c090ba3b29c7cd3.jpegimage.thumb.jpeg.309cc1dc414505556c1045507eed0d33.jpeg

 

Et une seconde car j'avais besoin de clips pour maintenir le filament sur des bobines et histoire de voir si ou non des cheveux d'ange pour ce filament et ses paramètres d'impression.

"Filament Clip" par "3DP"
https://www.printables.com/fr/model/242981

(+9 copies)

image.thumb.jpeg.28a6fdbb1b6a5ecacc5d21c2f8c100a4.jpegimage.thumb.jpeg.00be1a74edba4fca91d979e38647e54a.jpegimage.thumb.jpeg.fd670b65721c0e7dd18f7ed6bb36bb25.jpeg

  

Il y a 3 heures, PPAC a dit :

"Glastrier" de "The Dragons Den"
https://www.crealitycloud.com/model-detail/636836117d1a436af374496a (payant, mais actuellement gratuit si un compte Creality Cloud Premium)

Matériau : Creality CR-PETG blanc

( En utilisant la plaque flexible avec revêtement "PC", mais suite à un 1er essais d'impression où la couche initiale n'a pas bien accroché partout, j'ai stoppé, nettoyé ma plaque à l'IPA 99.9%, puis recommencé en ayant ajusté le Z-Offset)

image.thumb.jpeg.e99950904d58113048bfcf2848301f36.jpeg image.thumb.jpeg.ffd246e1dd6d9a6124673f8788c9f471.jpeg image.thumb.jpeg.96be3873bb123b80c85328c8b97c8c3e.jpeg

image.thumb.jpeg.71140bc37a764928070f6455e9b697d7.jpeg image.thumb.jpeg.02a12464c2cbf96364da653d803c0572.jpeg

image.thumb.jpeg.cea3c0afa2e6c6a5b8b8b29fc5a2bc6f.jpeg image.thumb.jpeg.0ed7d9e0b71f35bce78019c2951189fa.jpeg image.thumb.jpeg.69b9b173c78515221286e70315e4a9d1.jpeg image.thumb.jpeg.8a7d535ef6d2517ceb13134c53aca117.jpeg

 

 

---

Le 18/09/2023 at 20:30, PPAC a dit :

"Mouette Pixar Le Monde de Nemo" de "GREEN3D"
https://cults3d.com/fr/modèle-3d/jeu/mouette-pixar-le-monde-de-nemo

Plusieurs impressions, avec différents filament PLA de couleur, en suivant les recommandations du créateur.

  • Trancheur : Creality Slicer v4.3.6 (Windows)
  • Profil matériau : "CR-PLA_1.75" ( "Max volumetric speed" de 20.00 mm³/s )

"Body.stl" 

  • Profil qualité : "Normal" ( modifié avec, hauteur de couche 0.16 mm, supports normaux, taux de remplissage 15% )
  • Filament utilisé : PLA Eco blanc ArianePlast

image.thumb.jpeg.22843542f3945bcf3e88c7e3652cc691.jpeg image.thumb.jpeg.796b2d7a7171d4b8e8064f612a9d8543.jpeg image.thumb.jpeg.0f9f2f9f3c033e8993344dbb07ba48a7.jpeg

"Wings" (Les deux ailes en même temps)

  • Profil qualité : "Normal" ( modifié avec, hauteur de couche 0.16 mm, supports normaux, taux de remplissage 10% )
  • Filament utilisé : Anycubic PLA Hautte vitesse gris

image.thumb.jpeg.18d97680027930ea1bd54541ebf94e88.jpeg image.thumb.jpeg.3f1fef084b6937ca8b1075781ddab8c4.jpeg image.thumb.jpeg.4fd380ac10bb55e1af95d1eb37615690.jpeg

"Tail.stl"

  • Profil qualité : "Normal" ( modifié avec, hauteur de couche 0.12 mm, supports normaux, taux de remplissage 10% )
  • Filament utilisé : Anycubic PLA Haute Vitesse gris

image.thumb.jpeg.7237d203f4a19189f58c6ce070ec249d.jpeg

"Beak.stl"

  • Profil qualité : "Normal" ( modifié avec, hauteur de couche 0.16 mm, supports normaux, taux de remplissage 10% )
  • Filament utilisé : Velleman PLA Jaune

image.thumb.jpeg.4b616c11d6c9173ae0ac037dfec25460.jpeg image.thumb.jpeg.397de31f6b34e340868383b07b5535eb.jpeg

"Legs.stl"

  • Profil qualité : "Normal" ( modifié avec, hauteur de couche 0.12 mm, sans supports, taux de remplissage 100% )
  • Filament utilisé : Velleman PLA Jaune

image.thumb.jpeg.aaf04b793f2acc2979eb49b793f4e33e.jpeg

"Eyes.stl"

  • Profil qualité : "Normal" ( modifié avec, hauteur de couche 0.12 mm, sans supports, taux de remplissage 10% )
  • Filament utilisé : Velleman PLA Noir

image.thumb.jpeg.a1fd03d4445c54d759074c9d64dae1d9.jpeg

 

Je n'avais pas fait attention, a la distance des dessus des supports avec l'objet imprimé, qui sous Creality Print, ne sont pas changé/recalculé quand on modifie la hauteur de couche d'un profil (il y avait donc une valeur de 0.2 mm alors que j'imprimais avec une hauteur de couche de 0.16 mm) ce qui pourrait nuancer/expliquer la qualité des surfaces supportées.

image.thumb.jpeg.d7490d9f288b89dba95e0b80494a4237.jpeg image.thumb.jpeg.e28d34ea2d5c457e9e1241f1049a6d8f.jpeg image.thumb.jpeg.82995d07836654fdd976eec86c5157f0.jpeg

Voici le résultat après nettoyage, ébavure, assemblage et collage.

IMG_20230918_195218.thumb.jpg.845ac6f49bb7bae711ff42b70e1d2138.jpg IMG_20230918_195119.thumb.jpg.c9ee4fa2c48c19fa14aa8e6b80492712.jpg IMG_20230918_195107.thumb.jpg.8a1332ac9ac2af53003774de77987325.jpg IMG_20230918_195053.thumb.jpg.d03a7d340bc0ff25c5041d0db0ef489f.jpg IMG_20230918_195041.thumb.jpg.f24c7eb287af42882d357d54ca16b7c5.jpg IMG_20230918_195023.thumb.jpg.570ce35088e66cf16b255b5576043606.jpg

  

Il y a 4 heures, PPAC a dit :

"Elephant Desktop Frame" de "Bamingo Design"
https://www.crealitycloud.com/model-detail/645cf51d9489ebbdbf9d34ff

En suivant à peu près les recommandations du créateur.

Filaments utilisés, Anycubic PLA Haute vitesse gris, Creality Hyper PLA blanc, PLA Recyclé ArianePlast (~Noir métallisé).

(J'ai voulu utiliser un plateau flexible avec une surface PEI lisse (https://fr.aliexpress.com/item/4000137298652.html (Taille: 235x235mm)), mais forcement comme je n'avais pas ré-affiné le Z-Offset ni utilisé de bordures pour les supports arborescents, certains se sont décroché du PEI lisse très rapidement lors de l'impression, impression stoppée vers 87%)

image.thumb.jpeg.c49634bae1198044d875bdf083236427.jpegimage.thumb.jpeg.91aa1ebccdfe01ef063bc0807ed12f17.jpegimage.thumb.jpeg.d43fe7b79265a1a62166ff9392f9328b.jpegimage.thumb.jpeg.21f8ab9bb036338b7273f09db99ba21a.jpeg

(Donc je suis revenus au plateau flexible "PC" pour retenter d'imprimer le même fichier, mais j’avais fait l'erreur de sélectionner des supports arborescents fins ("slim tree") sous Creality Print et cela n'était pas suffisamment résistant. Surtout qu'avec le temps, et les vibrations d'impression, les vis du plateau s'étaient, petit à petit, desserrées et donc le plateau était un peu instable. là encore impression stoppée vers 90%)

image.thumb.jpeg.618026858e6b13c79c10cda2fe41194f.jpegimage.thumb.jpeg.4544b5372af2c02919c713297a44b5ba.jpeg

(après avoir retranché avec des support arborescent "fort" ("strong tree") et en ayant ajouté une bordure, et des bordures aux supports, et ajouté un Z-Hop lors des changements de couches, j'ai enfin réussi à obtenir une impression réussie. )

image.thumb.jpeg.3cfe0464c542c3208b30676e35f35ed6.jpegimage.thumb.jpeg.779b2a18884587760f5c96fc5a7ee0a0.jpeg

Et je suis passé aux autres parties. ( Support du cadre, fond de cadre, cadre)

image.thumb.jpeg.e3188ca97b7c318999557faf3c533c3c.jpeg image.thumb.jpeg.494e54fec05bdf1bcf636d23ab5abd2f.jpeg image.thumb.jpeg.5624605e95534353e322cfc5d28a0aaf.jpeg

 

Il y a 4 heures, PPAC a dit :

"Grass Fox" de "The Dragons Den"
https://www.crealitycloud.com/model-detail/63927ad768768871feed0d99 (payant, mais actuellement gratuit si un compte Creality Cloud Premium)

Matériau : Creality CR-PLA rainbow 

Le corps, puis la tête.

image.thumb.jpeg.f4ec883cd2dd41a5a3036079e13656e2.jpeg image.thumb.jpeg.863114cf9b382b4b3614546dd4289d4f.jpeg

image.thumb.jpeg.72ed4bbc13891c38eeb111ec80d4fd56.jpegimage.thumb.jpeg.67e1675397e3d83aab32ce31cb4e822e.jpegimage.thumb.jpeg.32fa42dd91d810f7196e27fa4feb2fcf.jpegimage.thumb.jpeg.553d31e838e9192641527d8343b1586f.jpegimage.thumb.jpeg.ca64a1ba161c020698ff6d649fa899f4.jpeg

A posteriori, j'ai définitivement à réajuster le Z-Offset, quand j'utilise ma plaque flexible côté PEI lisse, car les lignes de la couche initiale ne sont pas bien fusionnées.

 

Modifié (le) par PPAC
  • J'aime 2
Posté(e)
Il y a 5 heures, PPAC a dit :

Détails matériels (hardware)

 

Alors étrangement il y avait un petit jeu du plateau chauffant (de gauche à droite si on le titille dans tous les sans) 

image.thumb.jpeg.b1889db745f7e26f16415445c4c7dff6.jpeg image.thumb.jpeg.12e4ea52f95e5e5d44eaa4b1612b5cdb.jpeg image.thumb.jpeg.e66d09bf11f3a82b22ea881c7625d7dc.jpeg

Les quatre vis a tête fraisée, traversants le plateau chauffant, dont les têtes sont visiblement si l'ont enlevé la plaque flexible, n'étaient pas complètement vissées (d'un, voire trois tour, selon la vis). Bonne stabilité du plateau après leurs serrages.

image.thumb.jpeg.a19d53ed9161776d6993d9325f86357c.jpeg image.thumb.jpeg.aee544a6d96eae628813c4ba79c031fb.jpeg image.thumb.jpeg.e9d5d5bf98db51a7b5a439be80a965b8.jpeg

A l'arrière du plateau deux vis qui servent de buté pour la plaque flexible

 

les colonnettes sous le plateau, rigides ou élastiques type silicone ?

🙂

Posté(e) (modifié)
il y a 6 minutes, hyoti a dit :

les colonnettes sous le plateau, rigides ou élastiques type silicone ?

Rigides.

De simples entretoises en plastique.

 

Pas de ressorts ni de molettes d'ajustement pour le plateau.

Donc pas d'ajustements possibles entre le plateau chauffant et le support du plateau.

Modifié (le) par PPAC
  • Merci ! 1
Posté(e)
il y a 3 minutes, PPAC a dit :

Rigides. De simples entretoises en plastique.

Donc pas de ressorts ni de molettes d'ajustement. Donc pas d'ajustements possibles entre le plateau chauffant et le support du plateau.

l'autoleveling fera le travail.

  • +1 1
Posté(e) (modifié)

Salutation !

J'ai pas encore fini mes ajouts et corrections ( bien que j'ai ajouté déjà pas mal de choses )

 

Je n'ai pas encore fait de levelling et d'essais d'impression pour le moment (mais surement aujourd'hui )

 

Mais après réflexion, je reviens sur un éléments dont j'avais parlé.
Le plateau chauffant avec un petit jeu, car serrage de vis insuffisant.
Finalement, je me dis que cela était probablement fait intentionnellement pour permettre au capteur de pression de correctement estimer le Z-Offset.
Donc j'ai retouché les serrages de ses vis de maintien du plateau chauffant, pour m'assurer qu'il y avais un très très petit jeu ( pour avoir une très légère bascule du plateau chauffant) et non un serrage trop franc...

Le 05/09/2023 at 12:22, PPAC a dit :

Les quatre vis a tête fraisée, traversants le plateau chauffant, dont les têtes sont visiblement si l'ont enlevé la plaque flexible, n'étaient pas complètement vissées (d'un, voire trois tour, selon la vis). Bonne stabilité du plateau après leurs serrages.

(Edit > Après réflexion je suis revenus légèrement desserrer 3 de ses vis ( 1/4 de tours ) celles qui ne sont pas au dessus du capteur de pression, afin de permettre une très légère bascule du plateau chauffant. Car si le plateau chauffant ne se déforme pas alors avoir trop serré les vis risque de réduire la pression qui serra transmise au capteur de pression ... ) 

image.thumb.jpeg.a19d53ed9161776d6993d9325f86357c.jpeg

 

 

Modifié (le) par PPAC
  • +1 1
  • Merci ! 1
Posté(e)

Pas certain que ce soit un capteur de pression mais plutôt un capteur piezzo (hypothèse restant évidemment à vérifier 😉 ).

La lecture des résultats du M503 me fait «tiquer» au moins pour l'accélération du Z, de 4000 comme pour les axes X, Y et l'extrudeur.

Par contre, et c'est une bonne nouvelle, les pilotes TMC sont gérés en UART et donc réglables via les Gcodes idoines.

Au niveau des capacités activées (M115), les essentielles sont là :

Citation

Cap:EEPROM:1
Cap:VOLUMETRIC:1
Cap:AUTOREPORT_TEMP:1
Cap:PRINT_JOB:1
Cap:AUTOLEVEL:1
Cap:Z_PROBE:1
Cap:LEVELING_DATA:1
Cap:EMERGENCY_PARSER:1
Cap:SDCARD:1
Cap:SD_WRITE:1
Cap:LONG_FILENAME:1
Cap:THERMAL_PROTECTION:1
Cap:ARCS:1
Cap:BABYSTEPPING:1

mais d'autres sont absentes pour une communication efficace (à voir à l'usage par exemple avec le M600 lors du changement de filament si l'écran pourra répondre) :

Citation

Cap:SERIAL_XON_XOFF:0
Cap:BINARY_FILE_TRANSFER:0
Cap:AUTOREPORT_POS:0
Cap:PROGRESS:0
Cap:RUNOUT:0
Cap:BUILD_PERCENT:0
Cap:SOFTWARE_POWER:0
Cap:TOGGLE_LIGHTS:0
Cap:CASE_LIGHT_BRIGHTNESS:0
Cap:HOST_ACTION_COMMANDS:0
Cap:PROMPT_SUPPORT:0

Cap:REPEAT:0
Cap:AUTOREPORT_SD_STATUS:0
Cap:MOTION_MODES:0
Cap:CHAMBER_TEMPERATURE:0
Cap:COOLER_TEMPERATURE:0
Cap:MEATPACK:0

Sinon, elle a l'air pas mal cette imprimante 😉

Il y a juste un ou deux éléments qui me chagrinent : les profilés du portique, ce ne sont plus des 2040 mais un drôle de mix avec un «cœur» 2020 et des «ailettes», idem pour la base toute en plastique. Choix probablement effectués pour réduire les coûts et permettant donc de proposer un tel tarif bas.

🙂

 

  • J'aime 1
  • Merci ! 1
Posté(e)
Il y a 3 heures, fran6p a dit :

idem pour la base toute en plastique.

Ça risque de se fragiliser dans le temps ?

 

Le 05/09/2023 at 12:23, PPAC a dit :

Le résultat me semble très bon pour une première impression sur une machine fraîchement montée, la jupe semble parfaitement écrasée sur le plateau (les trait sont bien jointifs) ...

Il y a quand même un peu de filament qui dépasse entre les deux oreilles du chat. C'est un peu étonnant, non ?

Posté(e) (modifié)
Il y a 14 heures, fran6p a dit :

Pas certain que ce soit un capteur de pression mais plutôt un capteur piezzo (hypothèse restant évidemment à vérifier 😉 ).

Je ne suis pas doué pour identifier ses bêtes là ... quand je regarde

IMG_20230907_080743.thumb.jpg.fbffdd6c472ceeebaede7f638e26aae3.jpgIMG_20230907_080718.thumb.jpg.999e718e8339a5229f32541318d04a41.jpgIMG_20230907_080657.thumb.jpg.d255906b623b92388dfaf898c38c44fb.jpg

je dirais bien "jauge de contrainte"/"de déformation" mais sans aucune certitude.

 

Il y a 14 heures, fran6p a dit :

pour l'accélération du Z, de 4000 comme pour les axes X, Y et l'extrudeur.

Oui ... la machine a bien secoué ma table lors de l'impression de test. Et c'est beaucoup en demander pour l'axe Z et l'extrudeur ... et ce sera probablement une source d'usure prématurée si l'utilisateur ne réduit pas ces valeurs.

 

Il y a 14 heures, fran6p a dit :

les pilotes TMC sont gérés en UART

Je suppose que tu déduis cela de la présence des M906: Stepper Motor Current (merci je n'en était pas certain)

 

Il y a 14 heures, fran6p a dit :

(à voir à l'usage par exemple avec le M600 lors du changement de filament si l'écran pourra répondre)

Je compte bien tester cela.
Pour moi, avoir un firmware stock qui permet un changement de filament via un M600 dans le fichier d'impression est une chose importante.

 

Il y a 14 heures, fran6p a dit :

Sinon, elle a l'air pas mal cette imprimante 😉

Il y a juste un ou deux éléments qui me chagrinent : les profilés du portique, ce ne sont plus des 2040 mais un drôle de mix avec un «cœur» 2020 et des «ailettes», idem pour la base toute en plastique. Choix probablement effectués pour réduire les coûts et permettant donc de proposer un tel tarif bas.

🙂

Pour le moment après la 1er impression je dirais que

la surface "PC" du plateau flexible adhère vraiment bien et cela, même quand le plateau est revenu à température ambiante ( il me reste encore à réussir à enlever la jupe et ligne de purge car les gratter avec un ongle ne semble pas arriver à les décoller 😅 ) à voir avec le temps, et l'usure de la surface... (ou alors ajuster le Z-Offset obtenus automatiquement pour mettre un poil plus de distance...)

Et que la fourchette "Ambient Temperature" de 5°C-35°C a son importance car les moteurs étaient aux alentours des 50°C ( le moteur X le plus chaud a ~52°C ) après ~60 minutes d'impression du chat dans une pièce à 30°C.

 

Il y a 10 heures, Colinette a dit :
Il y a 14 heures, fran6p a dit :

idem pour la base toute en plastique.

Ça risque de se fragiliser dans le temps ?

La base en plastique me semble suffisamment rigide et robuste (bien qu'une chute de plus d'un mètre de hauteur sur un sol dur lui serait probablement fatale) mais donc a surveiller/voir avec le temps.

 

Il y a 10 heures, Colinette a dit :
Le 05/09/2023 at 12:23, PPAC a dit :

Le résultat me semble très bon pour une première impression sur une machine fraîchement montée, la jupe semble parfaitement écrasée sur le plateau (les trait sont bien jointifs) ...

Il y a quand même un peu de filament qui dépasse entre les deux oreilles du chat. C'est un peu étonnant, non ?

Pour moi les cheveux d'ange sont très fins et peu nombreux sur cette impression.   

Le 05/09/2023 at 12:23, PPAC a dit :

image.thumb.jpeg.113b8aebfce76bd9ee7e7d6ca54d8b44.jpeg 

ils s'enlèvent facilement si on les frotte.
Éventuellement imprimer à une température de 200°C au lieu de 205°C, avec ce filament (Creality Hyper PLA white), devrait les faire disparaître complémentent.

Modifié (le) par PPAC
  • J'aime 1
Posté(e)
il y a 29 minutes, PPAC a dit :

je dirais bien "jauge de contrainte" mais sans aucune certitude.

Bien vu 😉 En tout cas ça ne ressemble pas à une puce piezzo mais dans une autre forme au capteur de pression déjà utilisé par Creality sur certains de ses modèles (première fois sur la CR6-SE).

il y a 32 minutes, PPAC a dit :

Je suppose que tu déduis cela de la présence des M906: Stepper Motor Current (merci je n'en était pas certain)

Yes (voir également M913 et M569)

Le firmware gère également la compensation de résonance (Input shaping) via le M593 😉

il y a 32 minutes, PPAC a dit :

il me reste encore à réussir à enlever la jupe et ligne de purge car les gratter avec un ongle ne semble pas arriver à les décoller

Je n'ai jamais vraiment réussi à les enlever proprement sur le plateau originel de la E3S1 (en grattant fortement avec la spatule livrée mais ça dégrade un peu la surface 😞 ).

il y a 35 minutes, PPAC a dit :

Et que la fourchette "Ambient Temperature" de 5°C-35°C a son importance

Sorry, pas compris. Des moteurs à moins de 60°C sont pour moi des moteurs froids 😄 Éventuellement tu pourras toujours régler le pilote en réduisant la tension ( M906 )

Pour la base plastique, le point que je voulais soulever concernait non pas la fragilité potentielle (en cas de chute) mais comment le portique est assemblé sur cette base. Il n'y a apparemment qu'une plaque métallique pour rigidifier (habituellement c'est au moins un profilé 2040 qui est utilisé). Avec les accélérations actuelles, en cas de pièce imprimée haute, j'espère que ça ne tanguera pas trop.

Les minis fils entre les oreilles (la prise de vue rapprochée met en évidence certains «défauts» invisibles à l’œil nu), honnêtement pour moi ne sont pas un gros défaut et sont surtout très faciles à enlever.

Bonne poursuite des tests.

🙂

  • Merci ! 1
Posté(e)
il y a 8 minutes, fran6p a dit :

Je n'ai jamais vraiment réussi à les enlever proprement sur le plateau originel de la E3S1 (en grattant fortement avec la spatule livrée mais ça dégrade un peu la surface 😞 ).

C'est-à-dire que le filament reste collé sur la surface, au moins en partie ? Il ne s'agit pas d'un plateau souple qui permet un décollage par torsion ?

Créer un compte ou se connecter pour commenter

Vous devez être membre afin de pouvoir déposer un commentaire

Créer un compte

Créez un compte sur notre communauté. C’est facile !

Créer un nouveau compte

Se connecter

Vous avez déjà un compte ? Connectez-vous ici.

Connectez-vous maintenant
  • Sur cette page :   0 membre est en ligne

    • Aucun utilisateur enregistré regarde cette page.
  • YouTube / Les Imprimantes 3D .fr

×
×
  • Créer...