Janpolanton Posté(e) Mars 10, 2018 Auteur Posté(e) Mars 10, 2018 Tu parles du cache ou de la grille, parce que le cache que j'ai conçu, en plus d'être esthétique, canalise le flux d'air à travers l'alim, du bas en haut. Sur un boitier troué de toutes parts, bien malin celui qui me trouvera le trajet du flux d'air Et si tu parles de la grille, ça reste esthétique effectivement mais ça évite d'y mettre les doigts ou un objets par inadvertance. D'ailleurs, comme je n'ai pas de grille métallique, je viens de lui faire une jolie grille rouge
rmlc460 Posté(e) Mars 10, 2018 Posté(e) Mars 10, 2018 (modifié) J'imagine que tu vas le poser en extraction... C'est dommage, pour 1€ , du coup, de réduire la surface de 50% au bas mot, et de perturber le flux... Au pire, si l'idée ne défrise pas ton amour de la précision, j'ai acheté un stock de grilles pour du 80 (d'abord un paquet de 5 chromées, puis j'ai trouvé que ce serait mieux en noir, alors j'ai pris aussi un lot de 3 chez Aliexpress), alors que je ne vais en utiliser - peut-être - qu'une, au mieux. Alors, si ça peut te dépanner, je peux toujours en jeter une dans une enveloppe! J'aime pas jeter... Tiens, pour continuer dans mes intérêt pour cette histoire d'alim, j'ai calculé à l'arrache la conso de l'imprimante, hors bed chauffant, en appliquant une majoration de 30% à la fin, ce qui confirme qu'il faut au moins une 12A! Damned!. Si tu vois une erreur ou un oubli... Modifié (le) Mars 10, 2018 par rmlc460
Janpolanton Posté(e) Mars 10, 2018 Auteur Posté(e) Mars 10, 2018 Merci pour ta proposition. Je n'avais pas trouvé ces grilles, mais je n'avais pas approfondi la recherche que je fais systématiquement en anglais. C'est vrai que la grille que j'ai dessinée est à 50%. Je vais la réduire à 25%. Je vais prendre des grilles noires car sur l'autre lien, le vendeur AliExpress ne prend pas paypal. Tu vois, pour les consos, j'avais un peu raison de t’orienter sur une alim 12A. A mon avis, tu as sous-estimé le SSR . C'est quoi sa référence et sa marque?
rmlc460 Posté(e) Mars 10, 2018 Posté(e) Mars 10, 2018 (modifié) Pour la grille, ma proposition tient toujours! Parce qu'une grille en impression plastique, c'est toujours plus épais, ce qui n'est qu'un inconvénient. Remarque, si tu restes dans cette optique, je te conseillerais de dessiner les montants des ouïes en forme de triangle,( avec le sommet côté pales, bien sur.... En plus ça te permettrait d'imprimer la face visible contre le lit. Pour finir, j'en ai soupé depuis des années de ma vie de commercial, ne te méprends pas, ma proposition ne sous-entend aucune compensation, c'est juste à titre de dépannage, entre potes qui ne se connaissent que d'une manière virtuelle, mais qui savent apprécier ce genre de relation! Pour le relais, c'est celui-ci. Hors préchauffe (35" pour 60°), il s'allume env. 2 secondes toutes les 35"... Pas de quoi modifier fondamentalement l'état de l'alim... Modifié (le) Mars 10, 2018 par rmlc460
Janpolanton Posté(e) Mars 10, 2018 Auteur Posté(e) Mars 10, 2018 il y a 50 minutes, rmlc460 a dit : Pour le relais, c'est celui-ci. Hors préchauffe (35" pour 60°), il s'allume env. 2 secondes toutes les 35"... Pas de quoi modifier fondamentalement l'état de l'alim... Les relais statiques consomment 1W par ampère commuté si la caractéristique "On voltage" est de 1V (P = On Voltage x I utilisation). Ça c'est la consommation des meilleurs. Ton SSR-DA chinois a une valeur de "On Voltage" de 1.5V soit 1.5W par ampère commuté Si ton hotbed fait 600W, le courant sera de 2.6A et la consommation du SSR de 2.6 x 1.5 soit environ 4W. Effectivement, c'est négligeable. Citation Application: With a switch no spark, no noise,high switching speed,anti-corrosion,moisture-proof,anti-vibration,long life.high reliability,electromagnetic compatibility and other characteristics.It can be widely used in aerospace,marine,household appliances,machine tools,telecommunications,automobile,mining,etc.automation and control area. SSR-10DA Load Current 10A Load Voltage 12~240VAC Control Voltage 3-32VDC Control Current DC3-25mA On voltage ≤1.5V Off Leakage Current ≤2mA On-off Time ≤10ms Dielectric Strength 2500VAC Insulation Resistance 1000M/500VDC Ambient Temperature -30~+75 Mounting Methods Bolting The work instructions LED Weight 132g il y a une heure, rmlc460 a dit : Pour la grille, ma proposition tient toujours Et bien, ça me fait bien plaisir et j'accepte avec joie. Je peux rembourser tes frais en te faisant un virement paypal. Je te donne mes coordonnées par MP Bonne soirée JP
mac Posté(e) Mars 12, 2018 Posté(e) Mars 12, 2018 pour info j'ai fait quelques mesures à la prise (wattmètre chinois donc +- qques W) (en chauffe = pleine balle en puissance, mesure avant régulation PID) imprimante alumée 10 W extrudeur en chauffe 65 W extrudeur stabilisé à 200°C : 23W bed en chauffe : 122 W bed stabilsé à 50°C : 40 W bed et extrudeur en chauffe : 173 W bed et extrudeur stabilisés à 50 et 200 °C : 52 W je n'ai pas testé les moteurs en mouvement
Janpolanton Posté(e) Mars 12, 2018 Auteur Posté(e) Mars 12, 2018 Bonjour à tous, @mac Il y a des valeurs que je ne comprend pas bien : Les 10W extrudeur en chauffe 65 W + bed en chauffe : 122 W = 187W et après tu dis : bed et extrudeur en chauffe : 173 W La valeur à prendre en compte c'est 187W (puissance maxi instantanée) + les 2 moteurs de l'axe Z donc environ 190W . Pour ma part, le capot complet de l'alim est entièrement modélisé. Il est divisé en 4 parties indépendantes imprimables séparément (c'est pour ça qu'il est en 4 coloris différents). A présent, j'attends la livraison des composants qui me manquent pour finaliser ce projet. 1
mac Posté(e) Mars 12, 2018 Posté(e) Mars 12, 2018 il y a 41 minutes, Janpolanton a dit : Bonjour à tous, @mac Il y a des valeurs que je ne comprend pas bien : Les 10W extrudeur en chauffe 65 W + bed en chauffe : 122 W = 187W et après tu dis : bed et extrudeur en chauffe : 173 W La valeur à prendre en compte c'est 187W (puissance maxi instantanée) + les 2 moteurs de l'axe Z donc environ 190W . Pour ma part, le capot complet de l'alim est entièrement modélisé. Il est divisé en 4 parties indépendantes imprimables séparément (c'est pour ça qu'il est en 4 coloris différents). A présent, j'attends la livraison des composants qui me manquent pour finaliser ce projet. 10 W c'est au repos, à la prise, imprimante allumée mais sans chauffe ni mouvements donc conso de base de l'électronique + écran (+alim) extrudeur en chauffe c'est 65W = 55W + 10 W de base (si on estime que l'electronique consomme pareil au repos et en charge) bed en chauffe c'est 122 W = 112 W + 10 W de base donc ajoute les deux en chauffe feraient 55 + 112 +10 W = 177 W (et pas 187W car tu prends en compte deux fois l'electronique) ce qui est très proche de ce que j'ai mesuré à 173 W la différence est que l’électronique en charge doit être au dessus des 10W au repos, soit près de 14W si les relevés sont fiables
Janpolanton Posté(e) Mars 12, 2018 Auteur Posté(e) Mars 12, 2018 il y a 51 minutes, mac a dit : 10 W c'est au repos, à la prise, imprimante allumée mais sans chauffe ni mouvements C'est principalement la conso à vide de l'alimentation (environ 4% de sa puissance théorique) mais je suspecte qu'elle augmente en charge. De toutes les façons, avec les moteurs on sera à 180W soit 75% de la puissance nominale 240W. 112W pour ton bed c'est faible pour 120W théoriques (moins 8%). Ou sa résistance est élevée (U²/P soit 144/112 = 1.285 Ohm) ou bien tu n'as pas 12V aux bornes du bed à cause des pertes dans les fils de liaison . Par contre 55W pour l'extrudeur, c'est nettement supérieur aux 40W théoriques. Comme quoi, les valeurs varient d'une machine à une autre. C'est ça le contrôle qualité chinois...
mac Posté(e) Mars 13, 2018 Posté(e) Mars 13, 2018 Il y a 22 heures, Janpolanton a dit : C'est principalement la conso à vide de l'alimentation (environ 4% de sa puissance théorique) mais je suspecte qu'elle augmente en charge. De toutes les façons, avec les moteurs on sera à 180W soit 75% de la puissance nominale 240W. 112W pour ton bed c'est faible pour 120W théoriques (moins 8%). Ou sa résistance est élevée (U²/P soit 144/112 = 1.285 Ohm) ou bien tu n'as pas 12V aux bornes du bed à cause des pertes dans les fils de liaison . Par contre 55W pour l'extrudeur, c'est nettement supérieur aux 40W théoriques. Comme quoi, les valeurs varient d'une machine à une autre. C'est ça le contrôle qualité chinois... coté alim j'ai une 400W chinoise (33A S-400-12) pour le heat bed j'ai un MK3 alu je connais pas le rendement de mon alim, mais c'est clair que j'ai l'air d'avoir un extrudeur avec une bonne puissance de chauffe mais un bed avec lui une puissance de chauffe pas terrible tu as sûrement raison, je dois vérifier mon cablage du bed
Janpolanton Posté(e) Mars 13, 2018 Auteur Posté(e) Mars 13, 2018 il y a 14 minutes, mac a dit : tu as sûrement raison, je dois vérifier mon cablage du bed Mesure les tensions sortie carte mère, sortie module mosfet si tu en as mis un, et tension au connecteur du lit chauffant. Tu devrais trouver la même tension à quelques pouillèmes près. Je présume que tu as bien tes 12V en sortie de l'alim.
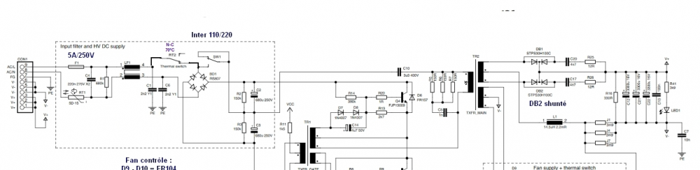
napo7 Posté(e) Mars 23, 2018 Posté(e) Mars 23, 2018 Salut @Janpolanton malgré mon bac F2, et quelques années de pratique amateur, tu sembles maitriser bien plus que moi l'électronique... On m'a refilé une alim de cette "trempe", 12V pour 30A de mémoire, qui fait sauter mes fusibles (enfin... mon disjoncteur, ma maison est récente !!)... De meme, au premier branchement, le fusible interne à l'alim a littéralement explosé ! en miette la cartouche de verre !! Du coup, j'ai essayé de regarder, mais je n'ai rien vu au premier abord... Ma réflexion me pousse à me dire "si ca disjoncte, c'est que y'a un short... Pas de terre... de ce coté ca va... L'étage HT semble assez simple à premiere vue : pont redesseur, pour obtenir du DC en (environ) 300V (j'ai pas fait le calcul), puis découpage (si j'ai bien compris comment fonctionnent ces alims)... Du coup, je me dis que c'est certainement un des composants de l'étage de redressement qui est HS ? Avant de tout changer un par un, il serait plus judicieux de tester... Que testerais-tu ?
Janpolanton Posté(e) Mars 23, 2018 Auteur Posté(e) Mars 23, 2018 (modifié) Il y a 2 heures, napo7 a dit : Ma réflexion me pousse à me dire "si ca disjoncte, c'est que y'a un short... Pas de terre... de ce coté ca va... Salut @napo7 Est-ce que c'est un disjoncteur différentiel de ton habitation qui saute? As-tu mesuré l'isolement entre le secteur et le boitier de ton alim? tu devrais trouver une résistance infinie. Si tu fusible a explosé, le C.C se situe vraisemblablement au primaire sur le filtre, soit C4 soit R1 ou si tu as le différentiel qui a sauté, regarde C1 - C6 et C7 (condos reliés à la terre) Un vieux truc de dépanneur de radios à lampes était de mettre leur poste en série avec une ampoule à incandescence de 75 à 100W en série. Si l'ampoule s'allumait plein pot le poste était en court-circuit franc Tu peux tenter ce branchement avec ton alimentation. Modifié (le) Mars 23, 2018 par Janpolanton
rmlc460 Posté(e) Mars 23, 2018 Posté(e) Mars 23, 2018 il y a 5 minutes, Janpolanton a dit : Est-ce que c'est un disjoncteur différentiel de ton habitation qui saute? Je ne sais pas ce que tu en penses, mais pour le principe, quand ça saute, avec ce genre de tout en un, on ne sait pas si c'est la partie disjo ou diff qui fait péter... C'est la raison pour laquelle j'ai pris des différentiels simples en amont du tableau, je trouve que c'est bien plus clair! Au moins, quand il saute, je ne me pose pas de question, je sais que c'est un problème de terre.
Janpolanton Posté(e) Mars 23, 2018 Auteur Posté(e) Mars 23, 2018 Normalement si son habitation est récente, il devrait avoir tous ses départs PC protégés par différentiel. Mais ça a très bien pu sauter au général, notre ami @napo7 n'a pas été très explicite. Je ne peux que faire des suppositions sur les composants douteux. Ça pourrait aussi être un C.C au niveau du bornier secteur de son alim, mais apparemment il n'a rien remarqué de visu.
petrusfr Posté(e) Avril 2, 2018 Posté(e) Avril 2, 2018 Depuis quelques années, les DDR (dispositif différentiel à courant résiduel) sont ,la plupart du temps, des interrupteurs. La raison est double, économique d'abord et ensuite, si le DDR déclenche, on peut être certain du déclenchement différentiel. Il suffit de regarder le symbole sur l'appareil : symboles rapide Pierre
pascal_lb Posté(e) Avril 2, 2018 Posté(e) Avril 2, 2018 @Janpolanton une petite précision hooo maitre j'ai envi d'acheter cette alim, penses tu que ça soit une vrai MEAN-WELL ? https://fr.aliexpress.com/item/Meanwell-power-supply-NES-350-12-Orginal-MEAN-WELL-12V-switching-power-supply-UL-ac-to/32823909378.html
Janpolanton Posté(e) Avril 2, 2018 Auteur Posté(e) Avril 2, 2018 il y a 3 minutes, pascal_lb a dit : une petite précision hooo maitre Maître 78 ... Yep! C'est une vraie, elle a été un peu bradée à 55$ car c'est un modèle obsolète abandonné par le constructeur. Elle est néanmoins performante. End of Life: Scheduled for obsolescence and will be discontinued by the manufacturer. ( Information Mouser)
pascal_lb Posté(e) Avril 2, 2018 Posté(e) Avril 2, 2018 il y a 4 minutes, Janpolanton a dit : Maître 78 ... pareil merci !
rmlc460 Posté(e) Avril 2, 2018 Posté(e) Avril 2, 2018 (modifié) La NES-350-12 est sur Amazon à 39.48€, ou je me trompe??? Modifié (le) Avril 2, 2018 par rmlc460
pascal_lb Posté(e) Avril 2, 2018 Posté(e) Avril 2, 2018 (modifié) Il y a 2 heures, rmlc460 a dit : La NES-350-12 est sur Amazon à 39.48€, ou je me trompe??? effectivement https://www.amazon.fr/gp/product/B0182BD640/ref=ox_sc_act_title_1?smid=A2YH5SL0VRZ43E&psc=1 avec 6.50€ de frais de port Modifié (le) Avril 2, 2018 par pascal_lb
Janpolanton Posté(e) Avril 3, 2018 Auteur Posté(e) Avril 3, 2018 Bonjour, Qui dit mieux! 36.50€ free internationnal shipping Et manifestement, c'est une vraie Mean Well https://www.ebay.de/itm/MW-12V-28-95A-AC-DC-PSU-Switching-Power-Supply-Mean-Well-NES-350-12-350W-/202261571032?_trksid=p2349526.m4383.l4275.c10
pascal_lb Posté(e) Avril 3, 2018 Posté(e) Avril 3, 2018 Il y a 13 heures, Janpolanton a dit : 36.50€ free internationnal shipping commandé... ça va me changer de l'alim ATX de 600w qui perd 2v avec 200w de charge 1
Janpolanton Posté(e) Avril 4, 2018 Auteur Posté(e) Avril 4, 2018 Bonjour à tous, Je suis toujours en attente de livraison de composants pour upgrader mon alimentation. Les colis arrivent au compte-goutte et aujourd'hui, j'ai reçu les 2 condensateurs EPCOS (470µF/400V). Quand j'aurai tous les composants, je procéderai aux modifications
pascal_lb Posté(e) Avril 16, 2018 Posté(e) Avril 16, 2018 Le 03/04/2018 at 07:06, Janpolanton a dit : Et manifestement, c'est une vraie Mean Well commandé le 4 et reçu le 16, je l'ouvre demain et je vais faire des photos, et après je vais la tester... Par contre petite question, les 3 sorties sont sur le même rail ?
Messages recommandés
Créer un compte ou se connecter pour commenter
Vous devez être membre afin de pouvoir déposer un commentaire
Créer un compte
Créez un compte sur notre communauté. C’est facile !
Créer un nouveau compteSe connecter
Vous avez déjà un compte ? Connectez-vous ici.
Connectez-vous maintenant