Peloche Posté(e) Mars 18, 2019 Posté(e) Mars 18, 2019 il y a 1 minute, noBru77 a dit : Idem, pas trouvé d’info sur ce qui diffère entre ces deux modèles. Je suis en train de le monter (la version H). J’ai rencontré un petit soucis. Mais j’en perlerais une fois que j’aurais fini. Envoyé de mon iPhone en utilisant Tapatalk on patiente noBru77 pas de problème
noBru77 Posté(e) Mars 18, 2019 Posté(e) Mars 18, 2019 Un petit data sheet pour le capteur. Mais ça n’aide pas beaucoup sur la différence entre le B et le HBX: NPNBY: PNPhttp://files.microjpm.webnode.com/200003722-858c88684b/Condutive%20Proximity%20Switch%20Series.pdfEnvoyé de mon iPhone en utilisant Tapatalk
Sumokai Posté(e) Mars 18, 2019 Posté(e) Mars 18, 2019 il y a 15 minutes, noBru77 a dit : Hello, Patience, montage en cours. Juste une remarque sur ce que je lis: le réglage du bed, avec les molettes, ne doit plus se faire avec le mode AUX. En effet, ce mode utilise le capteur pour positionner la buse sur les 5 points alors qu’elle n’est pas encore réglée. Pour ma part, j’effectue ce réglage en mode manuel, en débrayant les moteurs. Un point crucial: il faut que les deux axes Z soient parfaitement réglés. Pour ma part, j’ai mis la courroie de synchronisation Z et ça ne bouge plus. A+ Bruno. Envoyé de mon iPhone en utilisant Tapatalk Salut noBru77, Tu pourrais m'en dire plus sur ton réglage en mode manuel et précisant toutes tes étapes ? A moins que tu l'ai expliqué dans un autre poste ? Tu "Disable" les moteurs et tu règles les 5 points manuellement à la main ? Je vais voir aussi pour appliquer ta modification pour les 2 axes Z, je les ai réglé manuellement tout à l'heure.
Peloche Posté(e) Mars 18, 2019 Posté(e) Mars 18, 2019 il y a 13 minutes, noBru77 a dit : Un petit data sheet pour le capteur. Mais ça n’aide pas beaucoup sur la différence entre le B et le H BX: NPN BY: PNPhttp://files.microjpm.webnode.com/200003722-858c88684b/Condutive%20Proximity%20Switch%20Series.pdf Envoyé de mon iPhone en utilisant Tapatalk Qui a décidé qu'il fallait un NPN LJC18A3-H-Z / BX ?
GJM Posté(e) Mars 18, 2019 Posté(e) Mars 18, 2019 Cela ne peut en aucun cas être le H, puisque il s' agit d'un capteur de diamètre 30 mm. Sur nos machines, il faut un capteur de diamètre 18, donc B.
Philippe Chaumont Posté(e) Mars 19, 2019 Posté(e) Mars 19, 2019 et bien je vais vous dire, ça donne pas envie de l'acheter toute votre discussion... 1
thsrp Posté(e) Mars 19, 2019 Posté(e) Mars 19, 2019 Il y a 10 heures, Philippe Chaumont a dit : et bien je vais vous dire, ça donne pas envie de l'acheter toute votre discussion... Et pourtant , bien que cette machine ne soit pas "finie" quand a son leveling (mais l'espoir est là dans les semaines a venir….) l'impression passé ce handicap est excellente...
Philippe Chaumont Posté(e) Mars 19, 2019 Posté(e) Mars 19, 2019 (modifié) Il y a 5 heures, thsrp a dit : mais l'espoir est là dans les semaines a venir…. ça me va, je ne suis pas pressé du moins si elle comprend le M600... Modifié (le) Mars 19, 2019 par Philippe Chaumont
Peloche Posté(e) Mars 19, 2019 Posté(e) Mars 19, 2019 Il y a 6 heures, thsrp a dit : Et pourtant , bien que cette machine ne soit pas "finie" quand a son leveling (mais l'espoir est là dans les semaines a venir….) l'impression passé ce handicap est excellente... Salut thsrp, Tu as entièrement raison c'est une très bonne imprimante quand elle est arrêtée , non je plaisante bien sûr elle est très bien malgré quelques défauts, les résultats que j'obtenais avant que j'y touche étaient excellents. J'ai fait un nouveau test avec mon plateau modifié et réglé, voici les résultats bruts d'additiverie, ils sont bons mais le premier test donnait de meilleurs résultats à mon avis (fallait pas toucher ...), mais ce test de 275 x 275 mm laisse supposer qu'un objet de 300 x 310 mm à sa base ne poserait pas de problème car ce n'est pas les 25 ou 30 mm supplémentaires qui changeraient la planéité du plateau. Par contre j'ai démonté la tête ...
fran6p Posté(e) Mars 19, 2019 Posté(e) Mars 19, 2019 Il y a 2 heures, Philippe Chaumont a dit : du moins si elle comprend le M600... Ma CR10 (pas une S) le comprend et le parle parfaitement. Le réglage du plateau se fait à la main à la méthode ancienne qui porte ses fruits depuis longtemps déjà (et elle coûte bien moins cher que la CR10S PRO qui sera bientôt mise à niveau par Creality par la CR10S PRO PRO (PRO au carré ).
Sumokai Posté(e) Mars 19, 2019 Posté(e) Mars 19, 2019 @Peloche t'as fait quelle modif sur ton plateau ?
Peloche Posté(e) Mars 19, 2019 Posté(e) Mars 19, 2019 il y a 7 minutes, Sumokai a dit : @Peloche t'as fait quelle modif sur ton plateau ? Salut Sumokai, Quand j'ai installé le BLTouch j'ai mis un plateau verre miroir qui fait 3 mm l'original fait 3,5 mm j'avais donc réglé pour ce nouveau plateau, puis je suis revenu au capteur inductif et le plateau d'origine sur lequel j'ai enlevé la partie adhésive puis nettoyé et collé des buildtak de ma FPCP soit une épaisseur totale de 3,5 mm à nouveau..
thsrp Posté(e) Mars 19, 2019 Posté(e) Mars 19, 2019 il y a 14 minutes, fran6p a dit : Ma CR10 (pas une S) le comprend et le parle parfaitement. Le réglage du plateau se fait à la main à la méthode ancienne qui porte ses fruits depuis longtemps déjà (et elle coûte bien moins cher que la CR10S PRO qui sera bientôt mise à niveau par Creality par la CR10S PRO PRO (PRO au carré ). Et oui mais l'ecran est LCD …. sur les ecrans TFT tactiles pas de M600...
Sumokai Posté(e) Mars 19, 2019 Posté(e) Mars 19, 2019 Merci pour l'information. J'ai craqué en relisant hier tous les posts, j'ai tout pris pour faire les modifications pour le couplage des axes Z, les ventilateurs pour le silence et le capteur capacitif. Il me manque le plateau, t'as fait la découpe aussi chez LM ?
fran6p Posté(e) Mars 19, 2019 Posté(e) Mars 19, 2019 à l’instant, thsrp a dit : Et oui mais l'ecran est LCD …. sur les ecrans TFT tactiles pas de M600... Depuis que j'ai Octoprint, l'écran de mon boitier ne sert qu'à diffuser une lumière bleuâtre dans mon bureau . Je ne dénigre pas cette mode des écrans tactiles mais quand je vois tous les problèmes / absences de fonction, je me pose des questions quant à leur intérêt .
Peloche Posté(e) Mars 19, 2019 Posté(e) Mars 19, 2019 il y a 1 minute, Sumokai a dit : Merci pour l'information. J'ai craqué en relisant hier tous les posts, j'ai tout pris pour faire les modifications pour le couplage des axes Z, les ventilateurs pour le silence et le capteur capacitif. Il me manque le plateau, t'as fait la découpe aussi chez LM ? Au niveau des dBA ça va te changer énormément, si je mets ma FFCP en service en même temps je suis obligé de vérifier visuellement si la 10S Pro fonctionne ! As-tu pensé aux réducteurs de tension 24/12 V ? Pour le capteur et le plateau il vaut mieux attendre les résultats de noBru77 avant de remplacer les existants, bien que le délai est si long ... je parle du délai de livraison bien sûr je n'ai toujours pas reçu le mien. Pas LM mais une grande surface de bricolage aussi, j'en ai pris 2 en miroir découpés à 310 x 320 mm coupes brutes et angles droits, j'en ai eu je crois pour 6 EUR
Sumokai Posté(e) Mars 19, 2019 Posté(e) Mars 19, 2019 Nikel, oui j'ai pris un pack de 6 pour réguler du 24 au 12vEnvoyé de mon ONEPLUS A6013 en utilisant Tapatalk
leloupenslip Posté(e) Mars 19, 2019 Posté(e) Mars 19, 2019 hello, petits retours sur mes impressions avec ma CR10S Pro: après avoir réglé le plateau comme noBru me l'a conseillé (mille merci!), j'ai imprimé pas mal de choses en moins d'une semaine, elle ne se repose que rarement! déjà 1 kg de PLA passé, avec un petit peu de déchet dû à mon inexpérience de débutant. mis à part mon test d'impression avec l'ABS qui a finalement échoué (couches pas collées entre elles, je ferai une cabine et verrai ça+ tard), tout se passe bien. j'ai essayé d'imprimer avec juste la jupe, ben pas top pour les petites pièces qui se sont décollées. donc, je fais un raft systématique pour ces tailles là. mais j'ai une question de novice: peut on régler la taille du raft en largeur autour des pièces? si oui, comment s'y prend-on? le fait d'avoir imprimé avec la jupe m'a causé une adhérence énorme sur les pièces de taille moyenne à grosse, avec difficulté pour les décoller, et léger accro sur le buildtack. tiens, à ce propos, j'ai vu qu'il en existait des souples pour pouvoir défaire facilement les impressions, quelqu'un a testé? alors, certes, à vous lire elle n'est peut-être pas parfaite, mais en utilisation stock, sans améliorations (bltouch, miroir, etc.), ni changement de ventilateurs (qui je trouve ne sont pas si bruyants que ça), je la trouve (pour le moment, avec mes capacités actuelles dans ce monde que je découvre, hein!) très bien. la seule chose que j'ai modifié, c'est printer un guide fil, c'est vrai que c'est mieux. ah, j'y mettrai bien un éclairage led, quand-même, mais je ne sais pas comment faire. merci à Pika28 pour son porte-outils, il s'imprime. dès qu'il sera fait, je te posterai une photo.
thsrp Posté(e) Mars 19, 2019 Posté(e) Mars 19, 2019 Il y a 3 heures, fran6p a dit : Depuis que j'ai Octoprint, l'écran de mon boitier ne sert qu'à diffuser une lumière bleuâtre dans mon bureau . Je ne dénigre pas cette mode des écrans tactiles mais quand je vois tous les problèmes / absences de fonction, je me pose des questions quant à leur intérêt . Et oui quand on a gouté à octoprint on ne peut plus s'en passer… Ca m'a fait tout drôle a moi aussi de repasser à la carte SD …. !! c'est un peu le moyen age… Le probleme c'est qu'en ce moment la 10 Pro n'est pas totalement compatible avec Octo… alors j'attends un peu les evolutions pour me commander un second PI pour la CR 10 pro..mais ça me manque….!!!
Sumokai Posté(e) Mars 20, 2019 Posté(e) Mars 20, 2019 (modifié) Salut @thsrp, si je ne me plante pas t'as un souci de remonté de températures entre Octoprint et la cr10s pro. J'ai réglé le soucis avec ce script https://community.octoprint.org/t/temperature-info-not-parsed-correctly/3557/12 Faut redémarrer le raspberry pi après avoir fait la modification. Modifié (le) Mars 20, 2019 par Sumokai
thsrp Posté(e) Mars 20, 2019 Posté(e) Mars 20, 2019 (modifié) Il y a 1 heure, Sumokai a dit : Salut @thsrp, si je ne me plante pas t'as un souci de remonté de températures entre Octoprint et la cr10s pro. J'ai réglé le soucis avec ce script https://community.octoprint.org/t/temperature-info-not-parsed-correctly/3557/12 Faut redémarrer le raspberry pi après avoir fait la modification. merci j'avais vu , mais je trouve qu'il est preferable de rendre la Cr10 compatible plutôt que l'inverse; la conceptrice d'Octoprint elle meme a déclaré qu'elle ne toucherait pas à une ligne de code de son logiciel tout ça parce qu'un constructeur ne code pas de façon propre Marlin dans les regles de l'art.… De plus il n'y a pas grand chose a faire dans marlin et ça fonctionne tres bien , de mémoire il faut retirer le sigle == entre deux charset "" dans je ne sais plus quel repertoire de Marlin mais je peux le retrouver facilement je l'ai noté… Ca fonctionne sous le firmware 1.60.3 donc ça devrait fonctionner sous 1.60.71 le probleme c'est qu'on a pas le code source du dernier firmware… donc j'attends le code source !! j'attends aussi le portage du marlin 2.0 dans le firmware tiny (sous lequel il n'y a aucun probleme avec octoprint: comme quoi c'est bien de la paresse ou pire de l'incompetence de la part de Creality) firmware tiny 2.0 qui semble t il est tres prometeur… Donc pour l'instant nous sommes encore un peu sous une CR10 pro beta….!! Modifié (le) Mars 20, 2019 par thsrp
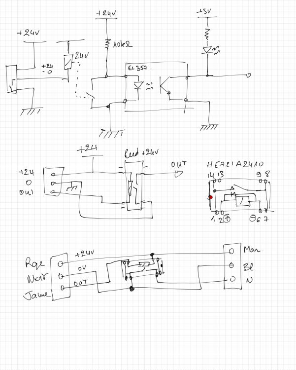
noBru77 Posté(e) Mars 20, 2019 Posté(e) Mars 20, 2019 (modifié) Bonjour à tous, Je vous donne quelques nouvelles. Je n'ai pas fini, loin de là, mais au stade où j'en suis, je suis satisfait du résultat obtenu. En premier lieu, pour ceux qi ne le savent pas, je suis débutant dans l'impression 3D. J'ai offert une CR-10S Pro à mon Fils pour Noël, et depuis, c'est moi qui joue avec ... L'Auto-nivellement n'a jamais bien fonctionné. Je me suis aperçu que le capteur était sensible à la température et qu'il fallait faire les réglages en condition d'impression. Après quelques impressions, ma foi réussies, la surface d'impression a rendu l'âme. J'ai alors remplacé celle-ci par une plaque de verre 4mm découpée chez LM. Astuce pour ceux qui en ont besoin: j'ai poncé à la toile Emery les bords tranchants et j'ai obtenu une plaque de verre sans danger de se couper et les arrêtes sont à présent bien arrondies. C'est là que je me suis dit que le capteur de proximité ne fonctionnera plus. Après quelques essais sommaires, j'avais déduis que celui-ci était un Inductif et qu'il n'était pas en mesure de détecter la surface du verre. Du coup, j'ai commandé ce capteur: CAPTEUR . J'avais déterminé que c'était un NPN avec la référence du capteur d'origine. Une fois le capteur reçu, je fais des tests en volant. Je valide que celui-ci fonctionne bien et qu'il détecte la surface de verre. En faisant ces tests, je découvre qu'en réalité, le capteur d'origine est lui aussi un capacitif. Il fallait simplement l'approcher à 1mm du verre et refaire le réglage de la sensibilité. Tant pis, je ne me suis pas ruiné. Je décide de comparer la précision et la répétabilité des deux capteurs. Résultat, mon nouveau capteur est plus précis et sensible. Je décide donc de le mettre en place sur l'imprimante. Je suis de base électronicien (j'ai 52 ans). Facile. Je décide de récupérer le connecteur JST d'origine et de monter un adaptateur sur le nouveau capteur. Ce choix a été fait pour faciliter un retour en arrière rapide. Une fois le capteur monté, je découvre un disfonctionnement mineur: la LED du capteur reste tout le temps allumée, bien que la détection se fasse comme il faut. Il y a une LED bleu sur la carte interface qui indique l'état du capteur. Celle-ci me permet de régler le nouveau capteur. Tout fonctionne bien, à part la LED du capteur qui reste allumée. Je décide de trouver une solution. En manipulant et en faisant des tests, je grille l'opto-transistor (EL357N) qui est sur la carte interface. Pas de soucis, je le remplace par un équivalent (TLP185) et je profite pour dessiner le schémas de la carte autour du capteur de proximité. En fait, ce composant permet de faire l'interfaçage entre le capteur qui est en +24v et l'entrée de la carte de l'imprimante, qui elle, est en +5v. En cherchant sur le Net, j'apprends que le capteur acheté a une sortie NPN non pas en collecteur ouvert, mais avec une résistance de Pull-Up intégrée. Un petit schéma m'indique la raison pour la quelle la LED reste allumée tout le temps. Je décide d'intercaler un petit relais Reed entre le capteur et la carte Interface. Une fois le montage effectué, tout fonctionne à merveille. Je valide la précision du capteur qui me semble très bon. Je referme le tout et je fais un test avec le Firmware v1.60.3. Après le réglage des mollettes en mode manuelle en débrayant les moteurs, j'effectue un auto-levelling et le résultat est pas mal du tout. Ce soir, je vais installer le firmware v1.60.71 et je vais tester l'ensemble de l'imprimante. Je vous tiens au courant. Voici quelques photos pour illustrer mon montage. Modifié (le) Mars 20, 2019 par noBru77 1
Peloche Posté(e) Mars 20, 2019 Posté(e) Mars 20, 2019 il y a 44 minutes, noBru77 a dit : Bonjour à tous, Je vous donne quelques nouvelles. Je n'ai pas fini, loin de là, mais au stade où j'en suis, je suis satisfait du résultat obtenu. En premier lieu, pour ceux qi ne le savent pas, je suis débutant dans l'impression 3D. J'ai offert une CR-10S Pro à mon Fils pour Noël, et depuis, c'est moi qui joue avec ... L'Auto-nivellement n'a jamais bien fonctionné. Je me suis aperçu que le capteur était sensible à la température et qu'il fallait faire les réglages en condition d'impression. Après quelques impressions, ma foi réussies, la surface d'impression a rendu l'âme. J'ai alors remplacé celle-ci par une plaque de verre 4mm découpée chez LM. Astuce pour ceux qui en ont besoin: j'ai poncé à la toile Emery les bords tranchants et j'ai obtenu une plaque de verre sans danger de se couper et les arrêtes sont à présent bien arrondies. C'est là que je me suis dit que le capteur de proximité ne fonctionnera plus. Après quelques essais sommaires, j'avais déduis que celui-ci était un Inductif et qu'il n'était pas en mesure de détecter la surface du verre. Du coup, j'ai commandé ce capteur: CAPTEUR . J'avais déterminé que c'était un NPN avec la référence du capteur d'origine. Une fois le capteur reçu, je fais des tests en volant. Je valide que celui-ci fonctionne bien et qu'il détecte la surface de verre. En faisant ces tests, je découvre qu'en réalité, le capteur d'origine est lui aussi un capacitif. Il fallait simplement l'approcher à 1mm du verre et refaire le réglage de la sensibilité. Tant pis, je ne me suis pas ruiné. Je décide de comparer la précision et la répétabilité des deux capteurs. Résultat, mon nouveau capteur est plus précis et sensible. Je décide donc de le mettre en place sur l'imprimante. Je suis de base électronicien (j'ai 52 ans). Facile. Je décide de récupérer le connecteur JST d'origine et de monter un adaptateur sur le nouveau capteur. Ce choix a été fait pour faciliter un retour en arrière rapide. Une fois le capteur monté, je découvre un disfonctionnement mineur: la LED du capteur reste tout le temps allumée, bien que la détection se fasse comme il faut. Il y a une LED bleu sur la carte interface qui indique l'état du capteur. Celle-ci me permet de régler le nouveau capteur. Tout fonctionne bien, à part la LED du capteur qui reste allumée. Je décide de trouver une solution. En manipulant et en faisant des tests, je grille l'opto-transistor (EL357N) qui est sur la carte interface. Pas de soucis, je le remplace par un équivalent (TLP185) et je profite pour dessiner le schémas de la carte autour du capteur de proximité. En fait, ce composant permet de faire l'interfaçage entre le capteur qui est en +24v et l'entrée de la carte de l'imprimante, qui elle, est en +5v. En cherchant sur le Net, j'apprends que le capteur acheté a une sortie NPN non pas en collecteur ouvert, mais avec une résistance de Pull-Up intégrée. Un petit schéma m'indique la raison pour la quelle la LED reste allumée tout le temps. Je décide d'intercaler un petit relais Reed entre le capteur et la carte Interface. Une fois le montage effectué, tout fonctionne à merveille. Je valide la précision du capteur qui me semble très bon. Je referme le tout et je fais un test avec le Firmware v1.60.3. Après le réglage des mollettes en mode manuelle en débrayant les moteurs, j'effectue un auto-levelling et le résultat est pas mal du tout. Ce soir, je vais installer le firmware v1.60.71 et je vais tester l'ensemble de l'imprimante. Je vous tiens au courant. Voici quelques photos pour illustrer mon montage. Bonjour noBru77, Merci pour ce rapport d'expérience très détaillé Bien sûr à la lecture de ton rapport concernant le capteur livré d'origine devine ce que j'ai fait ? Et bien ça fonctionne parfaitement, j'ai même fait un essai avec le capteur à 5mm au lieu d'un mm (bien sur il faut le régler de nouveau) et ça fonctionne donc je l'ai laissé à 5 mm et je suis en train d'imprimer le test sur un plateau miroir de 3 mm avec de la laque pour le moment ça à l'air d'aller, you're the best Comme j'ai enlevé le plateau alu je l'ai passé au marbre (je plaisante j'ai utilisé un niveau ...) et j'ai découvert que le plateau est bombé avec le point haut au centre dans le sens de la longueur, il y a environ 0,5 mm de différence avec les bords ! c'est peut-être spécifique au mien mais à l'oeil nu ça ne se voit pas. Encore merci noBru77 pour tes recherches tes découvertes et leurs partages
thsrp Posté(e) Mars 20, 2019 Posté(e) Mars 20, 2019 (modifié) Personnellement je ne pense pas que le capteur soit un reel capacitif… Le mien ne reagit pas a une plaque de verre sauf si celle ci est posée sur le bed … dans ce cas il "probe" le bed et non le verre qui est dessus et avec l'offset bien géré tout se passe bien … SAUF que le bed comme 95% des beds n'est pas plan mais en partie cintrée par les 4 réglages en angle et pour beaucoup il n'est pas d'une qualité irreprochable … comme ta plaque alu qui est bombée au centre…. Donc pour le Z home cela fonctionne (l'offset gerant sans probleme le décalage) mais pour le mesh levelling le capteur prend en compte le bed et non la plaque de verre qui elle est bien plus plane … d'où les erreurs de leveling qui compense ce qui n'a pas lieu d'etre …. A ce propos le contournement de ce probleme serait peut etre comme @Peloche de prendre un miroir (non pas pour la legende du miroir qui est plus plan…!!) mais parce que peut etre que le capteur stock ne prend plus en compte le bed qui est dessous la vitre mais le tain du miroir et cela dans ce cas change tout car on a un vraie estimation de la plaque de verre…. Si c'est le cas dans ce cas il faudrait de préférence prendre un inductif de qualité supérieur et il y a un modele qui visiblement fait l'unanimité sur les réseaux et qu'il est simple a retrouver... Pour ma part je vais faire un essai avec un capacitif que je vais recevoir …. qui visiblement est dans la meme catégorie que celui de @noBru77 mais une version qui est réellement PNP NO il s'agit du LJC 18A3 BZ /BX celui que noBru avait commandé était je crois LJC 18A3 HZ/BX je ferai l'essai ce n'est pas pour le prix…. Mais l'idée du miroir a la place de la vitre et la sonde qui probe le tain du miroir est une idée intéressante mais comment savoir….?? si le capteur probe le tain ou le bed…? Modifié (le) Mars 20, 2019 par thsrp
Peloche Posté(e) Mars 20, 2019 Posté(e) Mars 20, 2019 (modifié) il y a 36 minutes, thsrp a dit : Personnellement je ne pense pas que le capteur soit un reel capacitif… Le mien ne reagit pas a une plaque de verre sauf si celle ci est posée sur le bed … dans ce cas il "probe" le bed et non le verre qui est dessus et avec l'offset bien géré tout se passe bien … SAUF que le bed comme 95% des beds n'est pas plan mais en partie cintrée par les 4 réglages en angle et pour beaucoup il n'est pas d'une qualité irreprochable … comme ta plaque alu qui est bombée au centre…. Donc pour le Z home cela fonctionne (l'offset gerant sans probleme le décalage) mais pour le mesh levelling le capteur prend en compte le bed et non la plaque de verre qui elle est bien plus plane … d'où les erreurs de leveling qui compense ce qui n'a pas lieu d'etre …. A ce propos le contournement de ce probleme serait peut etre comme @Peloche de prendre un miroir (non pas pour la legende du miroir qui est plus plan…!!) mais parce que peut etre que le capteur stock ne prend plus en compte le bed qui est dessous la vitre mais le tain du miroir et cela dans ce cas change tout car on a un vraie estimation de la plaque de verre…. Si c'est le cas dans ce cas il faudrait de préférence prendre un inductif de qualité supérieur et il y a un modele qui visiblement fait l'unanimité sur les réseaux et qu'il est simple a retrouver... Pour ma part je vais faire un essai avec un capacitif que je vais recevoir …. qui visiblement est dans la meme catégorie que celui de @noBru77 mais une version qui est réellement PNP NO il s'agit du LJC 18A3 BZ /BX celui que noBru avait commandé était je crois LJC 18A3 HZ/BX je ferai l'essai ce n'est pas pour le prix…. Mais l'idée du miroir a la place de la vitre et la sonde qui probe le tain du miroir est une idée intéressante mais comment savoir….?? si le capteur probe le tain ou le bed…? Oui le capteur doit détecter le plateau chauffant en dessous du miroir à mon avis la couche d'étain du miroir ne provoque pas assez d'induction pour être détectée, mais l'essentiel c'est qu'il ait une référence, le miroir si il n'est pas plan se découvre facilement en se regardant dedans ! Mais comme disait Mr Cocteau "les miroirs feraient bien de réfléchir avant de renvoyer les images" et si ils réfléchissent vraiment quand ils voient ma tronche ils rectifient (ça leur ferait quand même beaucoup de boulot) et je verrai la différence ..., sinon sans réfléchir je dirais que si il n'est pas plan l'image est encore plus déformée qu'au naturel... Je n'ai pas vérifié la planéité du plateau chauffant mais je le ferai quand l'imprimante sera dispo. Modifié (le) Mars 20, 2019 par Peloche
Messages recommandés
Créer un compte ou se connecter pour commenter
Vous devez être membre afin de pouvoir déposer un commentaire
Créer un compte
Créez un compte sur notre communauté. C’est facile !
Créer un nouveau compteSe connecter
Vous avez déjà un compte ? Connectez-vous ici.
Connectez-vous maintenant